kozi291 Opublikowano 26 Sierpnia 2016 #1 Opublikowano 26 Sierpnia 2016 Witam, Proszę o informację czy w takiej konfiguracji C-mix będzie działał prawidłowo i czy jest mozliwa konfiguracja według załozeń jak poniżej ? 1. Obieg podłogówki z uwzględnieniem temp. pomieszczenia (iSense) 2. Obieg grzejnikowy według zadanej krzywej grzewczej w iSense (praca pompy kotła non-stop) - temperatura w pomieszczeniach regulowana grzejnikowymi zaworami termoststycznymi D. Obieg podłogówki sterowany poprzez siłownik na pętli z odczepu rozdzielacza podłogowego i termostat qSense w pomieszczeniu.
Gość mak Opublikowano 26 Sierpnia 2016 #2 Opublikowano 26 Sierpnia 2016 To kolejny przykład .......radosnej twórczości, niż poważna koncepcja. Na temat mieszanych instalacji grzejnikowo-podłogowych z gazowym kotłem kondensacyjnym napisano na forum już wszystko, na stronie producenta znajdziesz też schematy. Nie ma co tworzyć tylko zastosować
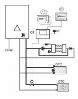
sambor Opublikowano 26 Sierpnia 2016 #3 Opublikowano 26 Sierpnia 2016 Ten schemat jest schematem producenta str 11 z DTR C-mix ( AD 290) - ale odnosi się do sterowania, a nie do hydrauliki. Bardzo podobny temat był tu https://forum.info-ogrzewanie.pl/topic/19718-kolejne-problemy-z-rozdzielaczmi-capricorn-a-mo%C5%BCe-instalacj%C4%85/ Na bodaj 3 stronie jest schemat hydrauliczny takiego układu
kozi291 Opublikowano 29 Sierpnia 2016 Autor #4 Opublikowano 29 Sierpnia 2016 Zdaję sobie sprawę z błedów popełnionych w instalacji od strony hydraulicznej - ze względu na brak środków błędy bedą poprawiane w przyszłosci. "Ten schemat jest schematem producenta str 11 z DTR C-mix ( AD 290) - ale odnosi się do sterowania, a nie do hydrauliki." - to nie jest dokładnie ten sam schemat przerobiłem go dla mojej instalacji. Pytanie czy w takim ukladzie jak mam teraz jest możliwa konfiguracja c-mix'a jak na załaczonym schemacie - szczególnie interesuje mnie obieg "D" - u mnie w rzeczywistości będzie to odczep pętli ogrzewania podłogowego z rodzielacza grzejnikowego na pietrze. Chciałbym aby ta petala była sterowana poprzez termostat pokojowy qsense który będzie poprzez c-mix'a otwierał silownik na pętli i co najważniejsze będzie dawał informację do pieca, że nalezy grzać. W tej chwili mam to na zwykłym termostacie pokojowym bez komunikacji z piecem co w okresach przejściowych słabo działa poniewaz piec nie dostaję info że w tym pomieszczeniu jest zimno.
Gość mak Opublikowano 30 Sierpnia 2016 #5 Opublikowano 30 Sierpnia 2016 Nie. C-Mix współpracuje z dwoma zdalnymi sterowaniami i trzeci obieg nie będzie sterowany niczym Czyli musisz połączyć dwa obiegi grzejnikowe i podłączyć według pkt 4.3.3 albo 4.3.4 instrukcji.
kozi291 Opublikowano 31 Sierpnia 2016 Autor #6 Opublikowano 31 Sierpnia 2016 Hm, rozmawiałem z Ditrichem i oni twierdzą, że jest możliwość podłączenia trzech obiegów ale: 1 obieg sterowany będzie poprzez Isense z uwzględnieniem temp. w pomieszczeniu - moja podłogówka na parterze 2 obieg sterowany poprzez wybraną krzywą grzewczą bez uwzględnienia tem. w pomieszczeniu - w tym przypadku to były by moje grzejniki na piętrze 3 obieg sterowany poprzez Isense/qsense z uwzglednieniem tem. w pomieszczeniu - odczep podłogówki (łazienka) z rozdzielacza grzejnikowego na piętrze Podobnie jak na schemacie 4.3.8 tylko u mnie obieg drugi bez mieszczacza i pompy lub schemat 4.3.9 plus dodatkowy czyjnik pokojowy i silownik
Gość mak Opublikowano 31 Sierpnia 2016 #7 Opublikowano 31 Sierpnia 2016 Nie mam zamiaru dyskutować z pomocą tech. W dostępnej dokumentacji występuje praca C-Mix z dwoma zdalnymi sterowaniami czyli możesz podłączyć dwa obiegi grzewcze chociaż występuje też zapis o możliwości sterowania dwóch obiegów przez jedno zdalne sterowanie niestety brak jest schematów podłączeń i o pomoc proś pomoc tech De Dietrich
kozi291 Opublikowano 1 Września 2016 Autor #8 Opublikowano 1 Września 2016 No właśnie o tym myślałem, żeby zdalnie sterować dwoma obiegami (podłoga+grzejniki) z iSensa i trzecim obiegiem z qSensa, ale w De Ditrich najpierw powiedzieli, że się nie da bo do C-mixa można podłaczyc tylko dwa zdalne sterowania ale jak im podesłałem schemat 4.3.8 (w załączniku) to jednak stwierdzili że można :unsure: AD-290 (cMix) IT, IM (1).pdf
dobroslaw0 Opublikowano 10 Września 2016 #9 Opublikowano 10 Września 2016 Daruj sobie c-mixa sterownik bardzo niedopracowany mający swoje narywy i trudny w konfiguracji ,walcze z tym ustrojstwem i wiem ze się kompletnie nie opłaca bo mam porównanie jako serwis fabryczny, jeśli nie chcesz spędzać dużo czasu w kotłowni, mieć non stop chęci zdemontowania pieca ze ściany siekierą , polecam prostsze, pewne i sprawdzone rozwiązanie. Zamiast c-mixa wysteruj obwody na przekaźnikach i zwykłych termostatach typu on- off. Musisz tylko dać sprzęgło i oddzielną pompę na każdy obwód. Zaoszczędzisz ze 2-3 tysie na c-mixa i i-sensy. Piec dalej będzie modulował i pracował z krzywej grzewczej na nim zadanej , nie mówiąc o bezawaryjności .
kozi291 Opublikowano 12 Września 2016 Autor #10 Opublikowano 12 Września 2016 Dzieki za rzeczowe info - daję sobie spokój z c-mixem.
Rekomendowane odpowiedzi
Zarchiwizowany
Ten temat przebywa obecnie w archiwum. Dodawanie nowych odpowiedzi zostało zablokowane.