Skocz do zawartości
IGNOROWANY

Ręczne Sterowanie Temperaturą Podłogówki


tcw

Rekomendowane odpowiedzi

Opublikowano

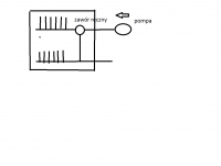
Witam mam pytanie czy tak zamontowany zawór (w skrzynce z rozdzielaczem ) spełni swoją rolę czy czasem nie powinien być przed pompą ?

post-57939-0-09280600-1458371812_thumb.png

Opublikowano

czyli nauki nie poszły w las :) ale już i hydraulik się skonsultował i jak zapytałem to powiedział odrazu ze będzie przenosił widzę tylko że szykuje się na układ zamknięty przy piecu zasypowym 2,5 kw gdzie na obudowie pieca producent defro przewiduje układ otwarty , kiedyś zamknięte były chyba zabronione ustawowo do zasypowych więc pytanie jak jest dziś i jak powinien być prawidłowo  zabezpieczony  zamknięty 

 

pozdrawiam

Zarchiwizowany

Ten temat przebywa obecnie w archiwum. Dodawanie nowych odpowiedzi zostało zablokowane.

  • Ostatnio przeglądający   0 użytkowników

    • Brak zarejestrowanych użytkowników przeglądających tę stronę.
×
×
  • Dodaj nową pozycję...

Powiadomienie o plikach cookie

Używając tej strony zgadzasz się na Polityka prywatności.