MARCINDZIALDOWO Opublikowano 11 Lipca 2015 Autor #51 Opublikowano 11 Lipca 2015 sambor zobacz na schemat jeżeli pompa będzie skierowana w dol to na rysunku zaznaczyłem na "odnodze " miejsce gdzie trzeba wstawić zawór zwrotny aby pompa nie ciągnęła wody z podłogówki i jeszcze jedno jeśli pompy skierowane ku dołowi to daje się za pompa zawór zwrotny ?? czy dobrze myślę
MARCINDZIALDOWO Opublikowano 11 Lipca 2015 Autor #52 Opublikowano 11 Lipca 2015 czy wystarczy ten który jest na powrocie ?
kiminero Opublikowano 11 Lipca 2015 #53 Opublikowano 11 Lipca 2015 @sambor się nie obrazi jeśli odpowiem. Zawory zwrotne są potrzebne gdy w układzie pracuje więcej niż jedna pompa i gdy nie zawsze będą one pracowały non stop. Kierunek montażu pomp nie ma tu znaczenia. Ten ZZ na odnodze jest zbędny. Teraz może stawać powietrze za zaworem zwrotny, bo nie może przepłynąć na pompę CO gdzie jest odpowietrznik (ewentualnie drugi odpowietrznik na zejściu w kierunku podłogi). W zupełności sprawę załatwia ZZ na powrocie, ale jest w złym miejscu. Powinien być na powrocie z podłogi, a jest na zbiorczym powrocie grzejników i podłogi, czyli źle. Odpowietrzniki na rozdzielaczach mają być, a nie przed nimi. Generalnie w tym układzie wystarczyłyby ręczne.
sambor Opublikowano 12 Lipca 2015 #54 Opublikowano 12 Lipca 2015 Ten schemat początkowo był dobry, ale na skutek poprawek się pogorszył. PSDzięki @kiminero za odpowiedź, nie obrażam się :rolleyes:
MARCINDZIALDOWO Opublikowano 13 Lipca 2015 Autor #55 Opublikowano 13 Lipca 2015 Sambor w jakim sensie ?? przecież pytałem czy tak można co mam zmienić żeby było ok ???
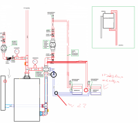
sambor Opublikowano 13 Lipca 2015 #56 Opublikowano 13 Lipca 2015 Schemat ogólnie jest dobry, koncepcja też ale jak poprawiałeś ( przerabiałeś) rysunki to zostały niewymazane elementy o których których pisał kolega. Jak będziesz wykonywał instalację to uwzględnij uwagi kolegi o pompach i zaworach zwrotnych wtedy będzie OK. Możliwe że zawór zwrotny będzie na wyposażeniu rozdzielacza podłogówki - wtedy odpada montaż oddzielnego w inst. Natomiast nie wiem co to jest to kółko ze strzałką na rurze do podłogówki?
MARCINDZIALDOWO Opublikowano 13 Lipca 2015 Autor #57 Opublikowano 13 Lipca 2015 zz pytałem o to czy nie powinno go tu być
sambor Opublikowano 13 Lipca 2015 #58 Opublikowano 13 Lipca 2015 Tam nie może być zaworu zwrotnego - nie zapominaj, że pompa ciągnie wodę przez zaw 3-D więc ZZ powinien być obok pompy - przed lub za pompą. Oczywiście ten ZZ nie przeszkadza przy prawidłowo wykonanej instalacji, ale lepiej aby go nie było. Sprawdź rozdzielacz czy na nim nie ma ZZ
MARCINDZIALDOWO Opublikowano 13 Lipca 2015 Autor #59 Opublikowano 13 Lipca 2015 rozdzielacz będzie miał tylko zawor vta 3 drożny termostatyczny nic więcej
MARCINDZIALDOWO Opublikowano 13 Lipca 2015 Autor #60 Opublikowano 13 Lipca 2015 tam gdzie kolka to zz ???
sambor Opublikowano 13 Lipca 2015 #61 Opublikowano 13 Lipca 2015 Oba są źle! Na obwodzie grzejnikowym masz już ZZ za pompą to po co drugi? Przed zaw 4-D ZZ nic nie da powinien być na samym obwodzie podłogówki. Rozdzielacz musi mieć zaw 3-D (VTA) i pompę! Poprawiłem ten schemat
MARCINDZIALDOWO Opublikowano 13 Lipca 2015 Autor #62 Opublikowano 13 Lipca 2015 a jeśli pompy sa w kierunku posadzki zawor zwrotny jest potrzebny za pompa ??
sambor Opublikowano 13 Lipca 2015 #63 Opublikowano 13 Lipca 2015 Które pompy są w kierunku posadzki? W poście#28 masz fot jak to powinno wyglądać - tam zawory są poniżej pomp - czyli za pompami w kierunku tłoczenia
MARCINDZIALDOWO Opublikowano 13 Lipca 2015 Autor #64 Opublikowano 13 Lipca 2015 ok bo jeden hydraulik mówił mi ze jak pompy ida w dol to nie trzeba zaworow zwrotnych
sambor Opublikowano 13 Lipca 2015 #65 Opublikowano 13 Lipca 2015 Ta, A jeden rusek mówił że Lenin żyje - to nie rubryka dla poprawy humoru - może zamiast tu d...pę zawracać idź do tego "hydraulika"
MARCINDZIALDOWO Opublikowano 13 Lipca 2015 Autor #66 Opublikowano 13 Lipca 2015 próbuje się dowiedzieć jak to powinno być poprawnie wykonane
sambor Opublikowano 13 Lipca 2015 #67 Opublikowano 13 Lipca 2015 Już ponad 60 postów a ty dalej o tym samym - kolega przecież ci pisał , pokazał zdjęcia, a ty dalej temat wałkujesz. Pamiętaj , że jak jest w układzie więcej niż 1 pompa to musi być zawór zwrotny za każdą z pomp ( czasem może być przed pompą)
MARCINDZIALDOWO Opublikowano 13 Lipca 2015 Autor #68 Opublikowano 13 Lipca 2015 dziekuje za pomoc i pozdrawiam
Rekomendowane odpowiedzi
Zarchiwizowany
Ten temat przebywa obecnie w archiwum. Dodawanie nowych odpowiedzi zostało zablokowane.