MARCINDZIALDOWO Opublikowano 5 Lipca 2015 #1 Opublikowano 5 Lipca 2015 witam hydraulik mnie wystawił i muszę ogrzewanie to zrobić sam. troche poczytałem tu na forum ale mam zbyt mała wiedzę aby wykonać instalacje sam, projekt podlogowki mam ale polacznie pieca z rozdzielaczem nie i tu jest problem kotłownia czy taki rozdzielacz bedzie działał ?dom parterowy instalacja mieszana 6 grzejników i 7 pętli podłogówki , czy nad piecem robić tez pompę ?? gdyby ktoś miał czas i narysował mi jak to ma wyglądać będę naprawdę wdzięczny, gdyż nie będę brał następnego fachowca który nie wie co robi. a i jeszcze pytanie o bojler na zdjęciu - będzie chodził na grawitacji ???
sambor Opublikowano 5 Lipca 2015 #2 Opublikowano 5 Lipca 2015 Napisz co masz - producent, typ oraz czego oczekujesz od instalacji. Jak bojler ma stać tak jak stoi to grawitacji nie będzie
MARCINDZIALDOWO Opublikowano 6 Lipca 2015 Autor #3 Opublikowano 6 Lipca 2015 jeszcze nic nie kupiłem rozglądam się i właśnie tu pytam, abym później nie żałował, zapoznałem się z paroma postami i jak na razie układam sobie w głowie jakiś tam projekt
MARCINDZIALDOWO Opublikowano 6 Lipca 2015 Autor #4 Opublikowano 6 Lipca 2015 taki plan tylko co gdzie i jak ??
MARCINDZIALDOWO Opublikowano 6 Lipca 2015 Autor #5 Opublikowano 6 Lipca 2015 instalacja ma być prosta i tania :) sam ja wykonam. jeśli chodzi o temat lutowania i tp instalacja to 7 pętli podłogówki + 6 grzejnikow i cwu
MARCINDZIALDOWO Opublikowano 6 Lipca 2015 Autor #6 Opublikowano 6 Lipca 2015 bojler 140 l dwupłaszczowy kociołek 25 kw jak na razie instalacja na parterze a później n piętrze za kilka lat
sambor Opublikowano 6 Lipca 2015 #7 Opublikowano 6 Lipca 2015 Bojler dwupłaszczowy aby działał na grawitacji to musi wisieć obok kotła. Nie wiem jaki dom ale kocioł 25kW jest raczej na 250-300m2 lub wiecej. Przy kotle z podajnikiem zalecane są pompy a nie grawitacja.
MARCINDZIALDOWO Opublikowano 6 Lipca 2015 Autor #8 Opublikowano 6 Lipca 2015 ok czyli pompa na cwu dom cały 200 m ale na razie tylko parter z wiadomych powodow $
MARCINDZIALDOWO Opublikowano 6 Lipca 2015 Autor #9 Opublikowano 6 Lipca 2015 wyczytałem ze na tym rozdzielaczu op i grzejniki nie poradzą sobie . montować w takim razie 2 rozdzielnie ?? mógłbyś narysoac co gdzie mam wstawić i czy dobrze narysowałem polaczenia
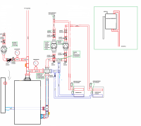
MARCINDZIALDOWO Opublikowano 6 Lipca 2015 Autor #10 Opublikowano 6 Lipca 2015 cos mogę z tego schematu zapożyczyć ??
sambor Opublikowano 6 Lipca 2015 #11 Opublikowano 6 Lipca 2015 Cały schemat jest Ok , więc zrób wg to schematu. Jak ma być dobrze ocieplony dom to kocioł max 15-16kW
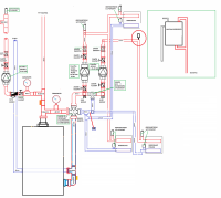
MARCINDZIALDOWO Opublikowano 7 Lipca 2015 Autor #12 Opublikowano 7 Lipca 2015 BEDZIE TO DZIAŁAC ?? ZAWOR 4D CZY 3D NA DOLE ?? I CZY JEDNA POMPA WYSTARCZY NA 2 ROZDZIELACZE CZY JEDNA + DRUGA NA LISTWIE OD PODLOGOWKI
kiminero Opublikowano 7 Lipca 2015 #13 Opublikowano 7 Lipca 2015 cos mogę z tego schematu zapożyczyć ?? Pytanie na ile wiernie możesz to odtworzyć w swojej kotłowni. Schemat ma wadę podpięcia powrotu podłogi. Ma być tak czerpane podmieszanie na mieszacz, by zasysało chłodną wodę tylko z podłogi. Przerobiłem jak niżej i pamiętać trzeba o umieszczeniu ZZ we wskazanym miejscu, czyli na głównej rurze powrotu podłogi do kotła. Dla wygody i logiki zamieniasz też kolejność zabudowy zaworów odcinających i ZZ pomp. Najlepiej zawory odcinające umieszczać na krańcach osprzętu okolic pompy, czyli zawory zwrotne od strony pomp (za nimi zawory odcinające). Gdy ZZ się zatnie, przyklei czy też straci szczelność, to bez zamykasz zawory i go wymieniasz bez potrzeby opróżniania układu.
kiminero Opublikowano 7 Lipca 2015 #14 Opublikowano 7 Lipca 2015 BEDZIE TO DZIAŁAC ?? Nie będzie! Zapomnij o tym schemacie i trzymaj się wcześniejszej propozycji, którą sam sobie znalazłeś. Ten "nowy" schemat jest do d... Ty się zastanów czego od układu wymagasz i do tych wymagań dobierasz urządzenia. Napisz czego chcesz się pozbyć z układu wyżej, na czym zaoszczędzić, to ci powiemy na ile to możliwe. Każda zmiana może pociągnąć konieczność kolejnych zmian.
MARCINDZIALDOWO Opublikowano 7 Lipca 2015 Autor #15 Opublikowano 7 Lipca 2015 CHODZI MI O TO ZE MAM MAŁO MIEJSCA I CHCE POMPY DAC W KIERUNKU DOŁU A NIE DO GORY
sambor Opublikowano 7 Lipca 2015 #16 Opublikowano 7 Lipca 2015 Miałeś dobry schemat to go całkiem sp...ś , to co pokazałeś nie jest zgodne z przepisami ani zdrowym rozsądkiem . Jak zasobnik ma stać to powinien być z wężownicą, w przypadku dwóch obwodów grzewczych muszą być 2 pompy. Ważny jest układ kocioł zawór 4-D , gdyż pracuje na grawitacji. Natomiast kierunek pracy pomp za zaw 4-D jest obojętny - mogą pracować w górę lub w dół
MARCINDZIALDOWO Opublikowano 7 Lipca 2015 Autor #17 Opublikowano 7 Lipca 2015 TYLKO ZE POMPY W KIERUNKU POSADZKI
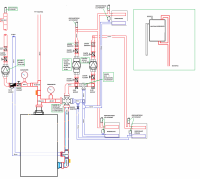
MARCINDZIALDOWO Opublikowano 7 Lipca 2015 Autor #18 Opublikowano 7 Lipca 2015 A TEN ZAWOR 3 D MOZNA Z NEGO ZREZYGNOWAC ?? I PODPIAC SIE POD 4 D
kiminero Opublikowano 7 Lipca 2015 #19 Opublikowano 7 Lipca 2015 CHODZI MI O TO ZE MAM MAŁO MIEJSCA I CHCE POMPY DAC W KIERUNKU DOŁU A NIE DO GORY Dla pomp nie ma to większego znaczenia, ale należy im zapewnić dobre odpowietrzenie. Spójrz na zdjęcia niżej jak mogłoby to wyglądać. Pompy CO i podłogi są równolegle i w kotłowni. Odejście na układ z zaworu 4D celowo jest na dużej średnicy, by spowolnić przepływ i dać szansę na lepszą i skuteczniejszą pracę odpowietrznika automatycznego. Ważne też jest odpowiednie wpięcie naczynia, by to ono dbało o odprowadzanie "bąbelków". Mam tą kotłownię pod "opieką" i zapewniam, że odpowietrznik CO nie ma co robić i co ważniejsze nie wprowadza do układu powietrza (jest po stronie ssawnej pomp). Z zaworu 3D nie da się zrezygnować, ponieważ podłoga musi mieć niższą temp niż grzejniki. Można jedynie tak jak na zdjęciach zastosować zawór termostatyczny 3D, który jest tańszy od 3D z siłownikiem. To jest jednak rozwiązanie dla małych podłóg a ty piszesz o siedmiu pętlach. Trzeba dobrze dobrać rozmiar takiego zaworu, by nie dławił przepływu.
sambor Opublikowano 7 Lipca 2015 #20 Opublikowano 7 Lipca 2015 Z tego zaworu nie możesz zrezygnować , gdyż to nim ustawiasz temp wody dla podłogówki, a rozdzielacz do podłogi ma tak wyglądać http://allegro.pl/rozdzielacz-3-ogrzewania-podlogowego-do-podlogowki-i5361590598.html
MARCINDZIALDOWO Opublikowano 7 Lipca 2015 Autor #21 Opublikowano 7 Lipca 2015 :) NO TO TERAZ ROZJASNIŁEM MI SYTUACJE A CZY BOJLER TEZ MUSI " WISIEC" ?
sambor Opublikowano 7 Lipca 2015 #22 Opublikowano 7 Lipca 2015 Bojler może stać, ale musi być do tego przeznaczony. Nie pisz dużymi literami - wyłącz Caps lock
kiminero Opublikowano 7 Lipca 2015 #23 Opublikowano 7 Lipca 2015 Tutaj akurat było ciśnienie na oszczędzanie miejsca i upakowanie sprzętu jak się tylko da. Zasobnik jak widać jest typu "stojącego" i równie dobrze (lepiej?) miałby na poziomie podłogi. Swego rodzaju bonusem jest sprawnie działająca grawitacja bojlera, gdy jest on powyżej kotła (jeśli komuś zależy).
MARCINDZIALDOWO Opublikowano 7 Lipca 2015 Autor #24 Opublikowano 7 Lipca 2015 rozumiem sorki za duże litery ale w pracy tylko tak mój program działa u mnie tez jest ciśnienie na brak miejsca , niby dom i miało go być w sam raz a tu widzę ze co nie zrobić to cos przeszkadza
MARCINDZIALDOWO Opublikowano 7 Lipca 2015 Autor #25 Opublikowano 7 Lipca 2015 podłogówki będzie 7 pętli po 60- 90 metrów na projekcie jest 6 ale dam 2 w salonie schemat podlogi.pdf
Rekomendowane odpowiedzi
Zarchiwizowany
Ten temat przebywa obecnie w archiwum. Dodawanie nowych odpowiedzi zostało zablokowane.