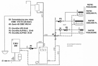
krzysm83 Opublikowano 18 Marca 2015 #1 Opublikowano 18 Marca 2015 Witam Szanowni koledzy forumowicze proszę o zweryfikowanie schematu instalacji CO CWU zaczerpniętej z tego forum. Dom o powierzchni 150 m2 ogrzewany bedzie kotłem MPM DS. Ogrzewanie podlogowe parter ok. 25m2 pietro ok.15m2. Dodatkowo dwa schematy z rozmieszczeniem grzejników oraz podłogówek.Planuje również podłaczyć zestaw solarny do ogrzewania CWU w okresie letnim. Zastanawia mnie kwestia pomp obiegowych czy zastosowac autoadaptacyjne jeśli tak to jaki typ czy zwykle.Z góry dziękuję za porady :)
Gość mak Opublikowano 18 Marca 2015 #2 Opublikowano 18 Marca 2015 Układ mieszający z pompą na podłogówki, druga pompa na grzejniki i będzie ok. Niestety jest małe prawdopodobieństwo aby ta instalacja prawidłowo zadziałała na jednej pompie. Kolejna sprawa to obieg kotłowy, powinien być o średnicy króćców na kotle podobnie jak zawór 4D.
krzysm83 Opublikowano 18 Marca 2015 Autor #3 Opublikowano 18 Marca 2015 Układ mieszający z pompą na podłogówki, druga pompa na grzejniki i będzie ok. Niestety jest małe prawdopodobieństwo aby ta instalacja prawidłowo zadziałała na jednej pompie. Kolejna sprawa to obieg kotłowy, powinien być o średnicy króćców na kotle podobnie jak zawór 4D. Czyli sugerujesz żeby zrobić to w ten sposób? I czy pompy przedstawione w załaczniku są optymalne czy zastosować inne
henryk1953 Opublikowano 18 Marca 2015 #4 Opublikowano 18 Marca 2015 Tu masz identyczny przykład. https://forum.info-ogrzewanie.pl/topic/19228-schematy-instalacji-cocwu-z-ogrzewaniem-podłogowym
krzysm83 Opublikowano 18 Marca 2015 Autor #5 Opublikowano 18 Marca 2015 A czy przy zastosowaniu takich pomp potrzebny jest sterownik kotła?? zaznaczam że kocioł bedzie pracował na miarkowniku ciągu
sambor Opublikowano 18 Marca 2015 #6 Opublikowano 18 Marca 2015 Tu nie ma znaczenia rodzaj pompy w układzie. Do sterowania pomp CO i CWU przydatny jest prosty sterownik np taki http://allegro.pl/sterownik-do-2-pomp-c-o-i-c-w-u-pompy-cs-08-i4999871174.html Załączający i wyłączający pompy wg zadanych temperatur, pompę od podłogówki możesz załączać oddzielnie ręcznym wyłącznikiem lub spiąć razem z pomą CO W przypadku braku sterownika czynności łączeniowe pomp będziesz musiał wykonywać ręcznie, co jest kłopotliwe w codziennym życiu.
krzysm83 Opublikowano 18 Marca 2015 Autor #7 Opublikowano 18 Marca 2015 A może taki http://www.techsterowniki.pl/shop,29,60,st-427i niezależne sterowanie trzema pompami. Jeszcze jedno pytanie czy warto pchać sie w koszty i stosować pompy autoadaptacyjne czy zwykłe jak to się ma w rzeczywistości??chodzi o zuzycie energii a także wygodę uzytkowania.
sambor Opublikowano 18 Marca 2015 #8 Opublikowano 18 Marca 2015 Ten ster to przesada, ale bogatemu...... Co do pomp to przy głowicach termostatycznych na grzejnikach warto zastosować pompę adaptacyjną, do układu podłogówki gdzie przy braku siłowników na pętlach autoadapt jest zbędny, ale jeżeli idzie o pobór mocy warto zastosować pompę elektroniczną, do CWU masz podaną pompę zwykłą. W przypadku braków finansowych przyoszczędzić można na montażu pompy zwykłej za 100, jako podłogowej, a następnie wymienić nawet we własnym zakresie na elektroniczną
krzysm83 Opublikowano 18 Marca 2015 Autor #9 Opublikowano 18 Marca 2015 Czyli zmiana pomp na CWU autoadaptacyjna natomiast na podłogówki zwykłą. Pozatym będzie ok?? :)
sambor Opublikowano 18 Marca 2015 #10 Opublikowano 18 Marca 2015 Coś nie tak - na grzejniki autoadapt 25/40, nie musi być Grundfos, zobacz na pompy Halm - niemieckie niezłej jakości. Na CWU pompa zwykła 25/40 Na podłogę w zależności od finansów zwykła lub elektroniczna bez autoadaptu 25/40 dla długości pętli do 80m , powyżej 80m 25/60.
krzysm83 Opublikowano 19 Marca 2015 Autor #11 Opublikowano 19 Marca 2015 Mam pytanko ponieważ ostatnio byłem u brata w kotłowni on ma zrobione CO + podłogówki na jednej pompie czy jest możliwe żeby ta instalacja działała prawidłowo jeśli nie to dlaczego
Gość mak Opublikowano 19 Marca 2015 #12 Opublikowano 19 Marca 2015 Akurat taka sytuacja jest możliwa, szczególnie przy małej instalacji i dużej pompie, Ma niestety bardzo poważne wady. Po pierwsze musi być jednakowa temperatura zasilania grzejników i podłogówki co jest trudno zrealizować ze względu na dobór grzejników na niskie temperatury. Im niższa temperatura zasilania tym grzejniki większe, dochodzimy do sytuacji gdzie powierzchnia grzejników równa się powierzcghni podłogówki, a instalacja takich grzejników to zwyczajny idiotyzm. Kolejny problem toregulacja hydrauliczna instalacji. Woda ma taką właściwość że płynie tam gdzie ma łatwiej i zdecydowanie łatwiej ma przez grzejniki, trzeba wykonać masę nikomu niepotrzebnej pracy aby taki układ zrównowazyć i żeby podłogówka grzała. Kolejny problem to sterowanie, a właściwie brak możliwości rozsądnego sterowania takim układem, jedna pompa równa się jeden termostat. Dlatego najlepiej jest na każdy obieg zastosować oddzielną pompę a do podłogówki w komplecie z zaworem 3D i wszystkie wymienione wady znikają
krzysm83 Opublikowano 19 Marca 2015 Autor #13 Opublikowano 19 Marca 2015 Temperaturę na podłogówkę z tego co zauważyłem steruje termostat zwykły grzejnikowy.
sambor Opublikowano 19 Marca 2015 #14 Opublikowano 19 Marca 2015 To najprawdopodobniej zawór RTL, przeznaczony do małych powierzchni grzania - podaj jaka jest duża ta podłogówka?
krzysm83 Opublikowano 19 Marca 2015 Autor #15 Opublikowano 19 Marca 2015 To zwykły zawór termostatyczny taki jak na grzejnikach a powierzchnia podłogówki to ok 50 m2
krzysm83 Opublikowano 19 Marca 2015 Autor #16 Opublikowano 19 Marca 2015 Pytam dlatego że za niedlugo ten sam hydraulik ma mi montować instalację i nie chce później przerabiać.
sambor Opublikowano 19 Marca 2015 #17 Opublikowano 19 Marca 2015 Przecież wiadomo że jak chcesz mieć dobrze to robisz na mieszaczu, a jak byle jak, to na zaworach RTL, tylko na RTL to max 5-6m2 z jednego zaworu.
henryk1953 Opublikowano 19 Marca 2015 #18 Opublikowano 19 Marca 2015 Pytam dlatego że za niedlugo ten sam hydraulik ma mi montować instalację i nie chce później przerabiać. Poczytaj to -szczególnie podkreślone na żółto: http://www.budujemydom.pl/ogrzewanie-podlogowe-i-grzejniki/18915-wodne-ogrzewanie-podlogowe-dobor-systemu-sterujacego
krzysm83 Opublikowano 20 Marca 2015 Autor #19 Opublikowano 20 Marca 2015 Ok dzieki za informacje. Ostatecznie podsunę schemat instalatorowi żeby wg. niego wykonał moją instalację mam nadzieje że wszystko bedzie ok.
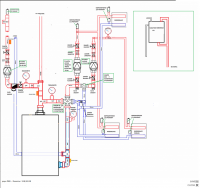
Gość Digitrax Opublikowano 20 Marca 2015 #20 Opublikowano 20 Marca 2015 Nad pompa od podłogówki wstaw odpowietrznik tak jak jest nad pompą CO. Termometr spod zaworu 4D przenieść najbliżej powrotu kotła aby mierzył także temperaturę wody powracającej ze zbiornika CWU.
marcin8004 Opublikowano 31 Marca 2015 #21 Opublikowano 31 Marca 2015 Może podepnę się pod temat, bo dość zbliżony do mojego pytania. Potrzebuję sterownik do MPM DS, który ogarnąłby klapkę powietrza, pompę CO i pompę CWU. Mam jeszcze pompę w rozdzielaczu na 3 pętle podłogówki, ale nie wiem jak instalator chce żeby była obsługiwana i nie wiem czy sterownik też na nią wpływa? Możecie polecić jakiś sterownik lub rozwiązanie tej instalacji tak, żeby to było podłączone rozsądnie bez wciągania w koszty?
sambor Opublikowano 31 Marca 2015 #22 Opublikowano 31 Marca 2015 Klapkę powietrza dajesz na miarkowniku a pompy na prostym sterowniku na dwie pompy - pełno takich w necie, koszt 100- 150zł.
Rekomendowane odpowiedzi
Zarchiwizowany
Ten temat przebywa obecnie w archiwum. Dodawanie nowych odpowiedzi zostało zablokowane.