and2 Opublikowano 29 Marca 2015 Autor #76 Opublikowano 29 Marca 2015 Przy rozpalaniu przez jakiś czas temperatura jest niższa, zabezpieczenie dobrze jest mieć, nie zawsze też temperatura będzie musiała być tak wysoka (w zależności od potrzeby) tak mi się wydaje, może się mylę.
majschi Opublikowano 29 Marca 2015 #77 Opublikowano 29 Marca 2015 Podczas rozpalania pompy nie pracują więc ochrona powrotu jest zbędna. Zamierzasz codziennie rozpalać kocioł z podajnikiem ? Sam zauważyłeś, że przy niskich temperaturach zasilania nagrzewnica produkuje tylko wiatr i hałas a nie ciepło
and2 Opublikowano 30 Marca 2015 Autor #78 Opublikowano 30 Marca 2015 Witajcie, mam kolejny problem chodzi o powrót z nagrzewnicy: 1. pompa na nagrzewnicę jest na zasilaniu, 2. nie stosuję zaworu termostatycznego na powrocie (słyszałem złe opinie od handlowców), 3.elektrozawór przelotowy na powrocie nagrzewnicy 4. nie rysowałem zaworów odcinajacych, filtrów i umieszczonych za pompami zaworów zwrotnych Przedstawię 2 warianty (edycja schematu): wariant 1 powrót z nagrzewnicy idzie na zawór 3-D (umieszczony za pompą, na zasilaniu nagrzewnicy) w celu podniesienia temperatury na powrocie do kotła, w tym układzie mamy 2 zawory: 3-D na obwodzie nagrzewnicy i 4 D na obwodzie grzejników schemat wariant 1.JPG wariant 2 powrót z nagrzewnicy idzie przez zawór 4-D, woda z nagrzewnicy i grzejników (razem) wraca przez zawór 4 D (tylko czy może?) schemat wariant 2.JPG Czy przy każdej z pomp (montaż w pionie) umieszczać odpowietrzniki, czy to bez sensu, jeżeli odpowietrzniki są w najwyższych punktach instalacji? (wcześniej pytałem o nagrzewnicę, teraz o pompy). Czy zawór dławiący w tych wariantach jest potrzebny? Z góry dziękuję za podpowiedzi. Wdzięczny byłbym za odpowiedzi w stosunku do tego konkretnego posta... mianowicie jakie są błędy, co można poprawić? Nie chcę stosować zaworu termostatycznego. dzięki
and2 Opublikowano 30 Marca 2015 Autor #79 Opublikowano 30 Marca 2015 proszę o uwagi... poprawa wariantu 1
majschi Opublikowano 30 Marca 2015 #80 Opublikowano 30 Marca 2015 Nie chcę stosować zaworu termostatycznego. I bardzo dobrze bo go nie potrzebujesz! Do Twoich wariantów niestety się nie odniosę ponieważ głoszą herezje hydrauliczne. Odpowiedz sobie na jedno bardzo ważne pytanie. Po co chcesz dogrzewać powrót z nagrzewnicy ??? A teraz (zamieniając się rolami) zaproponuje Ci schemat. Odnieś się do niego
and2 Opublikowano 30 Marca 2015 Autor #81 Opublikowano 30 Marca 2015 Chcę, aby ogrzewanie w moim obiekcie było dwuobwodowe. Jeden obwód nagrzewnica sterowana termostatem, razem z elektrozaworem na jej powrocie, drugi obwód to grzejniki sterowane również termostatem pokojowym. Właśnie wymieniłem sterowniki z Titanica na Iryd. W pomieszczeniu z nagrzewnicą temperatura ma osiągać około 15 stopni, a pomieszczeniu z grzejnikami około 21. Tremostat nagrzewnicy włącza wentylator, elektrozawór, muszę jeszcze podłączyć pompę aby w sytauacji zamknięcia zaworu i wyłączenia wentylatora nie pompowała czynnika. Z grzejników powrót wraca przez zawór 4 drogowy, a z nagrzewnicy czynnik miałby wracać bezpośrednio na kocioł? Piszesz, że temperatura powrotu rzadko jest niższa od temperatury zasilania o 20 st C i punkt rosy przy wysokich parametrach zasilania nie wystąpi (tak to rozumiem), ale w sytuacji, gdy nie będzie konieczności grzać pieca do aż tak wysokiej temperatury (wiosna, jesień) czynnika na nagrzewnicę, ta temperaura może będzie trochę za niska, jak jeszcze nie będzie jednocześnie pracował obwód grzejnikowy. Moim zdaniem warto by było docieplić trochę powrót, a przynajmniej mieć wstawioną taką alternatywę. majschi, jeżeli wiesz jak to wykonać, to to napisz, jeżeli nie chcesz będę wykonywał to metodą prób i błędów, tak jak wykonywałem różne układy (z wymiennikiem w układzie zamkniętym, nagrzewnicą w układzie otwartym i grzejnikami w układzie zamkniętym, z wstawieniem termometrów i obserwacją temperatury).
majschi Opublikowano 30 Marca 2015 #82 Opublikowano 30 Marca 2015 Niestety Twoje założenia są błędne. Nie ważna czy jest lato, wiosna, jesień czy zima aby na powrót kotła wracało 55sC (przy zaworze 4d) musisz mieć na kotle około 70sC majschi, jeżeli wiesz jak to wykonać, to to napisz, jeżeli nie chcesz będę wykonywał to metodą prób i błędów, tak jak wykonywałem różne układy (z wymiennikiem w układzie zamkniętym, nagrzewnicą w układzie otwartym i grzejnikami w układzie zamkniętym, z wstawieniem termometrów i obserwacją temperatury). Podałem Ci schemat który wykonałem kilkakrotnie i sprawdza się doskonale.
and2 Opublikowano 30 Marca 2015 Autor #83 Opublikowano 30 Marca 2015 Schemat z postu 33 zawiera zawór do regulacji przepływu, wskazane jest zamontowanie go na powrocie, czy i bez tego będzie w porządku? majschi usunąłęś też zawór z powrotu nagrzewnicy, jest to zawór którym steruje termostat, nie będę go demontował.
majschi Opublikowano 30 Marca 2015 #84 Opublikowano 30 Marca 2015 W poście #33 jest schemat który moim zdaniem powinien posiadać zamiast zaworu 4d sprzęgło dzięki któremu nie będzie problemów z regulacją przepływów. W Twojej instalacji rolę sprzęgła może pełnić kocioł Ponieważ masz dwa niezależne obiegi w niego wpięte. Wyłączenie pompy obiegowej robi to samo co elektrozawór - wyłącza przepływ czynnika. Elektrozawory stosuje się przy kilku nagrzewnicach zasilanych jedną pompą. Przy jednej nagrzewnicy jest zbędny
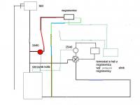
and2 Opublikowano 30 Marca 2015 Autor #85 Opublikowano 30 Marca 2015 tak będzie to wyglądać: czy dać dodatkowo odpowietrznik przy pompie tej z lewej strony?
majschi Opublikowano 30 Marca 2015 #86 Opublikowano 30 Marca 2015 Zamiast WZ za lewą pompą daj trójnik i w górę odpowietrznik (dokładnie tak jak zrobiłeś przy prawej pompie), dzięki temu nie będzie problemu z odpowietrzeniem pompy. Niestety pochwalić Cie nie mogę. Przerobiłeś zawór 4d na 3d i nici z ochrony powrotu o którą tak walczysz
and2 Opublikowano 30 Marca 2015 Autor #87 Opublikowano 30 Marca 2015 Bedzie dobrze, ta rurka przy zaworze 4D to tylko podtrzymanie konstrukcji, mógł iść tu zawór grzybkowy do regulacji przepływu a niżej na powrocie łączył by się powrót z nagrzewnicy (przy termometrze) , z tylu zaworu 4D nie połączyłem jeszcze powrotu z grzejników. Mam nadzieję ze tylko o to ci chodziło?
majschi Opublikowano 30 Marca 2015 #88 Opublikowano 30 Marca 2015 W kartoniku z zaworem 4d zapewne była instrukcja poczytaj sobie przed snem. (zwracając szczególną uwagę gdzie jest góra a gdzie dół) Z jednej strony Cię podziwiam za ogromne chęci i upór ale z drugiej strony jest mi Cię trochę żal ponieważ to wszystko trzeba porozkręcać
and2 Opublikowano 30 Marca 2015 Autor #89 Opublikowano 30 Marca 2015 Zawór 4D jest założony wg mnie prawidłowo, nie widzę problemów, oznaczenie kv jest z dołu na wejściu zasilania, w prawo zasilanie na grzejniki, góra zaworu to powrót z grzejników, lewa strona wyjście z zaworu na powrót do pieca.
majschi Opublikowano 30 Marca 2015 #90 Opublikowano 30 Marca 2015 Teoretycznie wszystko się zgadza podłączone masz dobrze. Ale praktycznie zawór należy obrócić o 90" w lewo oraz podłączyć obieg kotłowy możliwie najprościej redukując ilość kolan do minimum aby grawitacja miała lżej
and2 Opublikowano 31 Marca 2015 Autor #91 Opublikowano 31 Marca 2015 czyli na 2 zdjęciu, które zamieściłem w poście 10 zawór był podłączony prawidłowo?...z Twoich wypowiedzi wynika, iż ma to poważne znaczenie. instalacja tylko pompowa z zabezpieczeniem poprzez przetwornicę
majschi Opublikowano 31 Marca 2015 #92 Opublikowano 31 Marca 2015 Podaję schemat podłączenia zaworu 4d z zależności od strony montażu (prawa lub lewa strona kotła) Sam oceń jak masz
and2 Opublikowano 31 Marca 2015 Autor #93 Opublikowano 31 Marca 2015 masz rację, przeanalizowałem rysunki montażu zaworu, na pierwszy rzut oka wygląda u mnie dobrze, jednak nie jest to zrobione prawidłowo, będę to przerabiał. mam jeszcze pytania (skoro ma być fachowo, to trzeba mieć pewność, że fachowo będzie też i w innym miejscu instalacji), mianowicie niżej przedstawiam 3 warianty wyjścia na naczynie przelewowe: z góry przepraszam za wersje uproszczone (istotą wyjście na naczynie) wariant 1: wyjście na naczynie z samej góry, nad wyjściami na oba obiegi wariant 2: wyjście na naczynie przelewowe nad obiegiem na nagrzewnicę, ale poniżej obiegu na grzejniki (lub odwrotnie) wariant 3: wyjście na naczynie przelewowe poniżej wyjść na oba obiegi Dodam, iż ze względu na brak miejsca i przeszkody, próbuję to rozplanować. Rura na naczynie (22 miedź) idzie 60 cm poziomo, następnie w górę... i mogę to.... tak zostawić, jak zostało zrobione przez fachowca (czyli poniżej obiegu), lub mogę unieść odpowiednio do góry (jak już to przerabiam). W grę nie wchodzi oczywiście bezpośrednie wyjście do góry (musi być ten leżak!) Pytania: czy wyjście na naczynie przelewowe (umiejscowienie) w takim układzie odgrywa rolę?
majschi Opublikowano 31 Marca 2015 #94 Opublikowano 31 Marca 2015 Zdecydowanie wariant 1. Rura do naczynia to stal 1 cal lub miedz 28 Jeśli rura idzie poziomo to warto na rym odcinku dać rozmiar grubszą ze spadkiem do kotła Para wodna idzie do góry i nie zapowietrza Ci instalacji
and2 Opublikowano 31 Marca 2015 Autor #95 Opublikowano 31 Marca 2015 Czy wobec tego mam rozumieć, iż w wersji pierwotnej zrobione to bylo źle? Bo nie dość,że wyjście na naczynie zrobione poniżej obiegu (wtedy pierwotnego na wymiennik płytowy, choć zaraz za pompa przy wejściu do wymiennika był odpowietrznik)to jeszcze rura idzie równo w poziomie i z miedzi fi 22. Raz się kocioł zagotowal i przelew zadziałał :(.
and2 Opublikowano 11 Kwietnia 2015 Autor #96 Opublikowano 11 Kwietnia 2015 Instalacja zakończona. poniżej przykładowe parametry: - temp. kotła: 60 st. / P 57 st. - temp. obiegu nagrzewnicy: Z 70 st. / P 60 st. - temp. mieszacza (obieg grzejnikowy): np. Z 60 st. / P 56 st. Pewnym problemem jest jeszcze sterowanie. Sterowanie sterownikiem IRYD Obieg (CO) nagrzewnicy z termostatem (euroster) wyłączającym po osiągnięciu żądanej temperatury silnik wentylatora i zamykającym zawór dwudrogowy na powrocie nagrzewnicy....i w tym momencie pompa pracuje dalej. Jeżeli podłączę termostat (2 przewody) do sterownika, to po osiągnięciu żądanej temperatury pompa się wyłączy, ale co wtedy z wentylatorem i zaworem? jak to podłączyć? W obiegu grzejnikowym pompa pracuje ciągle, a temperaturę obiegu może regulować siłownik mieszacza (u mnie go nie ma). Warto by było wyłączać pompę po osiągnięciu żądanej temperatury w obiegu grzejnikowm. Termostat pokojowy Pilot G podłączony w obiegu mieszacza steruje albo temperaturą pomieszczenia, albo temperaturą obiegu mieszacza. Pompy natomiast nie wyłącza. dla próby - po przepięciu Pilota G w obieg nagrzewnicy (CO), po osiągnięciu żądanej temperatury pompę wyłącza. Co warto jeszcze dokupić lub ewentualnie jak dobrze podłączyć te elementy, które posiadam.
majschi Opublikowano 11 Kwietnia 2015 #97 Opublikowano 11 Kwietnia 2015 - temp. kotła: 60 st. / P 57 st. - temp. obiegu nagrzewnicy: Z 70 st. / P 60 st. Podpowiedz mi jak osiągnąć temperaturę zasilania nagrzewnicy 70sC przy 60sC na kotle ?
and2 Opublikowano 11 Kwietnia 2015 Autor #98 Opublikowano 11 Kwietnia 2015 cuda się zdarzają ^_^ różnica pomiędzy temp kotła, a wody na wyjściu
majschi Opublikowano 11 Kwietnia 2015 #99 Opublikowano 11 Kwietnia 2015 Niestety cudów nie ma. Czyli masz błędne wskazania termometrów albo źle je interpretujesz
and2 Opublikowano 11 Kwietnia 2015 Autor #100 Opublikowano 11 Kwietnia 2015 Mój poprzedni post tą kwestię tłumaczy, wskazania termometrów też potrafią być błędne, ale w pewnym zakresie.
Rekomendowane odpowiedzi
Zarchiwizowany
Ten temat przebywa obecnie w archiwum. Dodawanie nowych odpowiedzi zostało zablokowane.