wirzba123 Opublikowano 21 Kwietnia 2020 #1 Opublikowano 21 Kwietnia 2020 Witam, zaczynam planować instalacje w nowym domu. Dom w standardzie NF40 100% podłogówka ok 200m2. W kotłowni będzie kocioł na ekogroszek (brak gazu na wiosce) mam 2 letni kocioł Zębiec 19kw więc chcę go wykorzystać. W przyszłości planuję pompę ciepła na razie brak funduszy. Do tego zestawu kominek z płaszczem wodnym w salonie. Czy połączenie jak na przykładzie z buforem ciepła to dobry pomysł ? Chcę uzyskać jakieś porady zanim zacznę rozmowę z instalatorami.
Gość Digitrax Opublikowano 21 Kwietnia 2020 #2 Opublikowano 21 Kwietnia 2020 Kocioł i kominek winny być zabezpieczone zaworami termostatycznymi na powrotach plus pompy. Oba źródła ciepła winny wtłaczać wodę do bufora przez te same króćce. Dolną wężownice zachowaj sobie np do podłączenia solarów. Naczynie przeponowe zbędne przy obiegach grzewczych. Obieg grzejnikowy tak jak i podłogówka musi mieć zawór 3D. No chyba, że chcesz na grzejnikach mieć nawet 80 stopni bez względu na porę roku.
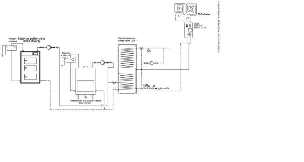
wirzba123 Opublikowano 22 Kwietnia 2020 Autor #3 Opublikowano 22 Kwietnia 2020 Przerobiłem trochę schemat ideowy. Kocioł i kominek podpięte pod jedno wejście wężownicy. Dodany zawór 3D do ochrony powrotów jak się domyślam? Jedna wężownica ma zostać, bo planuję za parę lat pompę ciepła zamiast ekogroszku. Grzejników nie będzie są dwa obiegi podłogówki piętro i parter, zasilane grupą pompową z mieszaczem. Jak sterować podłogówką dodać siłownik zaworu 3D i sterowanie pogodowe ? W ogóle czy taki układ z buforem ciepła jest ok ? Czy może lepiej połączyć to przez sprzęgło hydrauliczne ? Kominkiem będę dogrzewał się wiosna, lato. Więc bufor zmagazynuje naddatki ciepła. W zimie głównie ekogroszek i co 2-3 dni kominek.
sambor Opublikowano 22 Kwietnia 2020 #4 Opublikowano 22 Kwietnia 2020 Popraw to - nie jest potrzebny zaw 3-D przed wężownicą komina/kotła Zasilanie CO z bufora musi być z samej góry, z połowy nic nie da.
wirzba123 Opublikowano 23 Kwietnia 2020 Autor #5 Opublikowano 23 Kwietnia 2020 Ok poprawione. Przy buforze nie musi być ochrony powrotu kotła i kominka ?
Gość Digitrax Opublikowano 23 Kwietnia 2020 #6 Opublikowano 23 Kwietnia 2020 Musi być dlatego napisałem w poście nr 2 że oba źródła ciepła muszą mieć termostatyczne zawory mieszające z pompami na powrocie. Źródeł ciepła nie podłączasz do bufora przez wężownice tylko bezpośrednio do przestrzeni wodnej. Maksymalnie od góry zasilanie i minimalnie od dołu powrót.
wirzba123 Opublikowano 23 Kwietnia 2020 Autor #7 Opublikowano 23 Kwietnia 2020 Zapomniałem o twoich uwagach. Chyba teraz będzie ok. Oczywiście nie ma zaworów zwrotnych itp. chodzi o schemat działania.
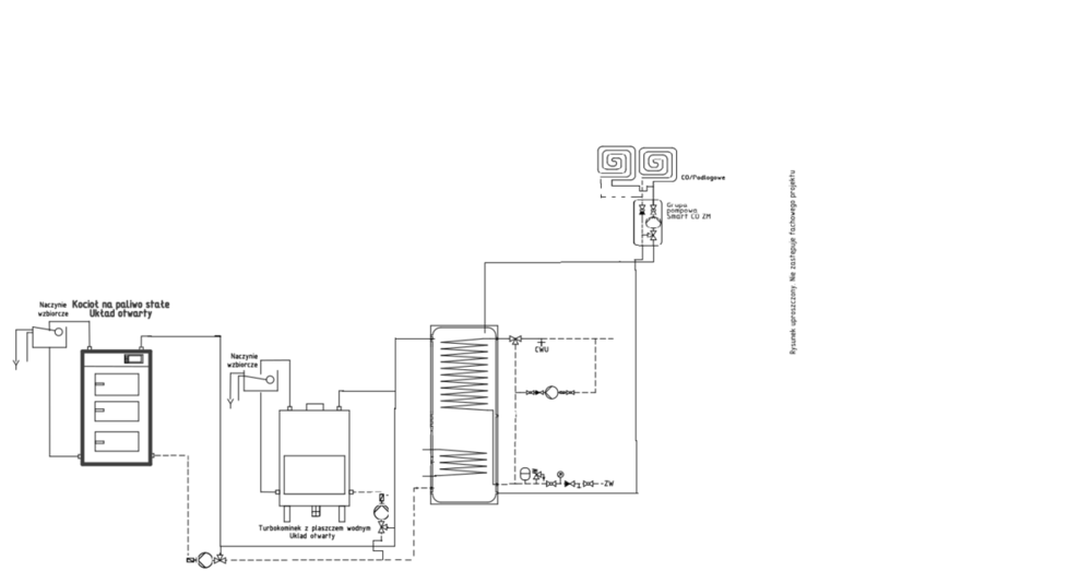
sambor Opublikowano 23 Kwietnia 2020 #8 Opublikowano 23 Kwietnia 2020 W układzie z ostatniego postu naczynia przelewowe muszą mieć pojemności ok 50- 100l każde ( zależnie od wielkości bufora i muszą być umieszczone ok 2-3m nad górną krawędzią bufora, chyba że kocioł jest wyżej.- takie wykonanie to duża kasa i spory kłopot, Wężownice mogą się okazać lepszym i dużo tańszym rozwiązaniem. Ale jest tyle rozwiązań ilu doradców.
Rekomendowane odpowiedzi
Zarchiwizowany
Ten temat przebywa obecnie w archiwum. Dodawanie nowych odpowiedzi zostało zablokowane.