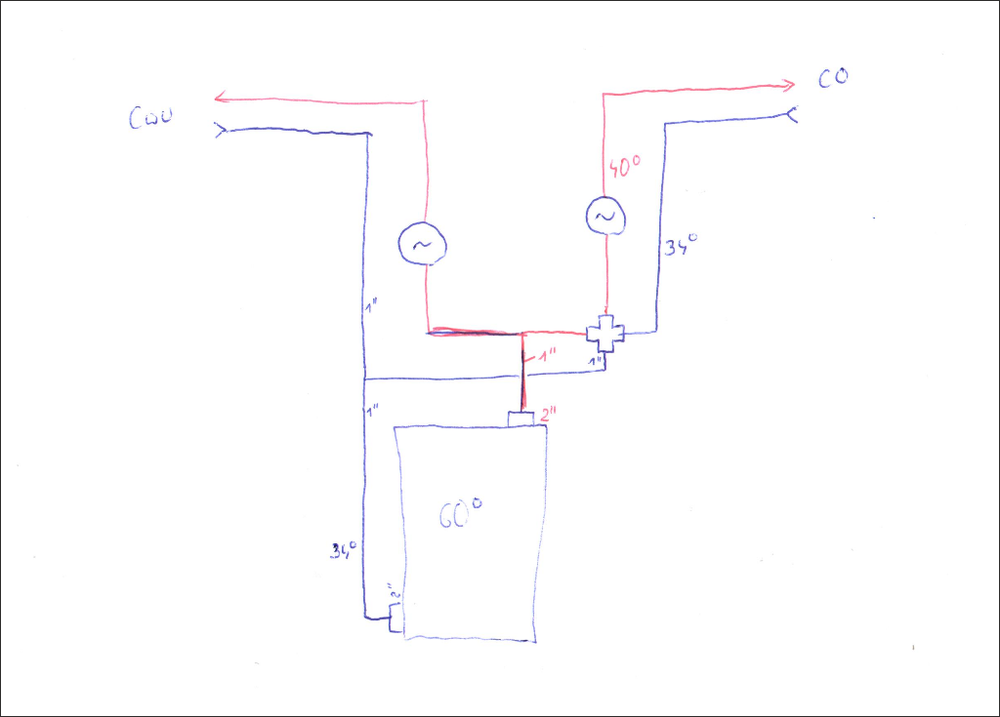
B0lek Opublikowano 21 Stycznia 2020 #1 Opublikowano 21 Stycznia 2020 Dzień dobry. Na wstępie witam wszystkich. Temat już pewnie wałkowany setki razy, ale każdy przypadek jest inny, dlatego założyłem nowy temat. Otóż mam problem z zimnym powrotem mimo zastosowania zaworu 4D. Schemat poniżej. Kocioł ma wyjście/wejście 2" które są zredukowane na 1". Na kotle utrzymuję temperaturę 60 stopni, za zaworem 4D ustawione 40 stopni i to działa prawidłowo. Powrót CO przed zaworem ma w granicach 34-35 stopni, a powrót przy samym piecu, już za zaworem ma taką samą temperaturę 34-35 stopni i za fiksa ta temperatura nie chce wzrosnąć. Kiedy na sterowniku kotła włączę ochronę powrotu, zawór 4D jest w stanie podciągnąć powrót na np. 50 stopni, ale wtedy na grzejniki puszcza tylko 31 stopni. Tak chyba nie powinno być? Zanim zacznę coś przerabiać, chciałbym się Was doradzić, dlatego będę super wdzięczny za wszelką pomoc.
sambor Opublikowano 21 Stycznia 2020 #2 Opublikowano 21 Stycznia 2020 Masz typową chorobę zaworu 4-D, po prostu przez redukcję średnic i wstawienie zaw 4-D 1" masz za mały przepływ w obiegu kotłowym zaw 4-D. Aby to naprawić potrzeba zmiany średnic na min 6/4" łącznie z samym zaw 4-D lub wstawienie pompy na powrocie obiegu kotłowego. PS Jak masz podłączone naczynie przelewowe
B0lek Opublikowano 22 Stycznia 2020 Autor #3 Opublikowano 22 Stycznia 2020 Sambor dziękuję za odpowiedź. Wczoraj zdecydowałem się na założenie pompy na powrocie. Piec ma temperaturę 55 stopni, powrót 48 a zasilanie co w granicach 40. Nie wiem czy to normalne, ale teraz piec pracuje mniej "stabilnie" niż wcześniej i spala więcej paliwa. Sugeruje się wykresami ze sterownika SKZP-02, z którym zresztą też walczę, bo dopiero zaczynam palenie ekogroszkiem. Co do naczynia, to kocioł pracuje w układzie zamkniętym z zastosowaniem wszelkich koniecznych zabezpieczeń, które na rysunku pominąłem.
sambor Opublikowano 22 Stycznia 2020 #4 Opublikowano 22 Stycznia 2020 Trochę za niska temp na kotle -podnieś ją o 2-3C i będzie lepiej Sterownik też wymaga regulacji, ale o nim jest duży temat, więc zacznij go czytać
B0lek Opublikowano 22 Stycznia 2020 Autor #5 Opublikowano 22 Stycznia 2020 Podniesione - będę nadal obserwował :) Te pawie 800 stron na forum trochę mnie przeraża … Jeszcze raz dziękuję za pomoc!
Darekgra Opublikowano 22 Stycznia 2020 #6 Opublikowano 22 Stycznia 2020 3 minuty temu, B0lek napisał: Te pawie 800 stron na forum trochę mnie przeraża … Ale jak przeczytasz to już następna zima będzie idealnie palona :) bo w tą to już raczej nie zdążysz :) powodzenia
Rekomendowane odpowiedzi
Zarchiwizowany
Ten temat przebywa obecnie w archiwum. Dodawanie nowych odpowiedzi zostało zablokowane.