Skocz do zawartości
IGNOROWANY

Kocioł SAS SOLID 19KW sterownik tech st- 555


krist8181

Rekomendowane odpowiedzi

Opublikowano

Witam posiadam kocioł Sas Solid 19KW od października tego roku , na chwilę obecną ogrzewa tylko dom około 130m2. Dom nieocieplony z lat 50.

1. Jeśli na zaworze 4d mam zadaną temp 44 stopnie to czy temp 65 stopni zadana na kotle jest ok.
2. temp spalin waha się pomiędzy 80 a 120 stopni.
3. N chwilę obecną zasobnik 160 kg wystarcz mi na 8 dni przy temp zewnętrznej do -2 do 5 stopni.

Clipboard01.jpg

Opublikowano

Spaliny do tak wysokiej zadanej masz fajne . Co do samej zadanej trudno powiedzieć . Jedni powiedza ok i tak oszczędzić za wiele nie oszczedzisz . Inni powiedza zejdź w dół , w tym ja :) . Spokojnie ale prowadzac przy tym obserwacje zjechal bym ponizej 60. U mnie byla w ubieglym roku zadana 54 ,w tym jest 57 a w sumie też byla . Bo zjechalem sobie stopien wczorajszego wieczoru . Poki co proporcja wyjscie a wejscie wody jest ta sama. Nie wiem jak bedzie z czystością ,to się okaze .  Tez kwestia calej instalacji . Czy masz zbiornik wody użytkowej ,na ile to jest ustawione . I tak dalej . Zjedz sobie do 60 i przekonaj się . Powinno wegla pójść troszkę mniej . Chociaż to tez nie jest takie miarodajne liczenie z racji zmieniającej się co dzień pogody.

Opublikowano

Temp na kotle, różnie jedni piszą 65 nawet 70, inni 50-55. Generalnie im wyżej tym lepiej co do ilości paliwa to bywa różnie. Może być tak że wyzsza zadana a paliwa wcale nie musi iść więcej. Spaliny? Żadną regułą jest jaka ona jest. Zależy gdzie czujnik spalin. U jednych będzie 70 u innych 150. Ok 20 kg na dobę? Też nie wygląda tragicznie, przelicz ile chata potrzebuje kw, i ile wyciągasz z tego opału z 20 kg. Dolicz straty itp. istotnym jest aby kocioł modulował a nie odstawiał się, w kotle czyściej i mniej spali.

Wysłane z mojego Redmi Note 4 przy użyciu Tapatalka

Opublikowano

Minimalna temperatura kotla to 60 podana przez producenta. Jeśli zadaną temperaturę na 4d masz 44°C to reszta ciepłej wody powinna Ci wracać do kotła żeby dogrzac powrót. Wtedy kocioł powinien mniej pali z tego względu że szybciej się dogrzewa. Powiedz jaka masz temperaturę powrotu? 

Opublikowano

45-48 stopni 

Opublikowano

Nawet gdy kocioł ma 60°C? 

Opublikowano

Na kotle teraz mam 65 stopni. 

Opublikowano

Zrób schemat instalacji. Masz pompę kotlowa? 

Opublikowano

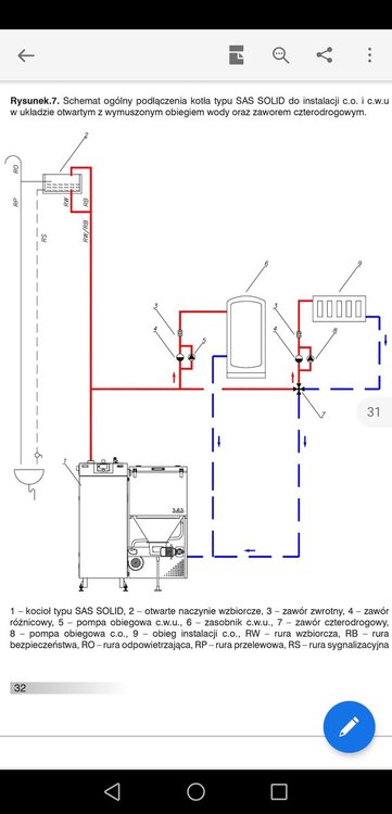
Układ taki jak na zdjęciu bez instalacji CWO jedna pompa bez zaworu roznicowego I zaworu zwrotnego przy zaworze 4d . Na pozostałych zdjęciach popiół I płomień. Zaznaczam że kocioł pracuje na PID. Czujnik temperatury co jest za pompa, a czujnik na powrocie przy samym wejściu do kotła. Screenshot_20191206_100419_com.adobe.reader.thumb.jpg.b39b47928269f73b10f10da1e63e502d.jpg

IMG_20191206_095900.jpg

IMG_20191206_095920.jpg

IMG_20191206_102817.jpg

Opublikowano

Zrób zdj instalacji a zwłaszcza 4d. Dobrze by było gdybyś miał pompę kotlowa na powrocie z 4d do kotła założona. Bo jak widać grawitacyjne to słabo z tym powrotem. 

Opublikowano

Układ taki jak na zdjęciu bez instalacji CWO jedna pompa bez zaworu roznicowego I zaworu zwrotnego przy zaworze 4d . Na pozostałych zdjęciach popiół I płomień. Zaznaczam że kocioł pracuje na PID. Screenshot_20191206_100419_com.adobe.reader.thumb.jpg.b39b47928269f73b10f10da1e63e502d.jpg

Opublikowano

IMG_20191206_111820.jpg

IMG_20191206_111829.jpg

IMG_20191206_111900.jpg

IMG_20191206_102841.jpg

Opublikowano

Ogrzewacz tylko grzejniki / podłogowe bez CWU? 

Opublikowano

Na chwilę obecną tylko CO kaloryfery, bez podlogowki. W przyszłym roku planuje bojler. 

Opublikowano

Rozumiem. Na powrocie z 4d do kotła zamontuj pompę kotlowa. Bo jak na razie masz słaby powrót. 

IMG_20191206_120307.thumb.jpg.fe11c8096b3fe2e3d8cfc55d32e04da9.jpg

Opublikowano

Pomyśle o tym na wiosnę, na chwilę obecną podniosłem minimalną temp powrotu na 48 stopni zobaczymy jaki wykres wyjdzie do rana.

Opublikowano

Dlatego jest słaby powrót 

  • 5 tygodni później...
Opublikowano

NA wiosnę będzie trzeba ogarnąć temat. Dzięki za pomoc. 

Zarchiwizowany

Ten temat przebywa obecnie w archiwum. Dodawanie nowych odpowiedzi zostało zablokowane.

  • Ostatnio przeglądający   0 użytkowników

    • Brak zarejestrowanych użytkowników przeglądających tę stronę.
×
×
  • Dodaj nową pozycję...

Powiadomienie o plikach cookie

Używając tej strony zgadzasz się na Polityka prywatności.