Skocz do zawartości
IGNOROWANY

Piec Ogniwo 5 kl. prawidłowa instalacja, przerobinie zawór trójdrogowy


tomaszeknce

Rekomendowane odpowiedzi

Opublikowano

Witam,

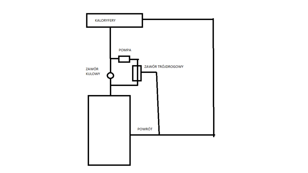
Zakupiłem ostatnio piec Ogniwo DS 18 kw 5 klasy, instalacja zrobiona bez żadnych zaworów jak na rys. numer 1.

Chciałbym ją przerobić aby zainstalować zawór trójdrogowy, propozycje montażu rys. 2 oraz 3.

W przypadku instalacji nr. 2 najmniej przerabiania ponieważ na powrocie mam zawór w który mógł bym się wpiąć.

Czy rozmieszenia zaworów jest prawidłowe względem pompy oraz zaworu kulowego.

Czy jest jakaś różnica miedzy zaworem trójdrogowym mieszającym a rozdzielającym czy tylko w nazewnictwie.

Bak możliwości zainstalowania buforu zbyt mała piwnica.

Instalacja otwarta zbiornik wyrównawczy na strychu otwarty.

Pozdrawiam.

1.png

2.png

3.png

Opublikowano

Zbiornik wyrównawczy otwarty musi być podłączony bezpośrednio z kotła a nie od grzejnika. Po drugie: po co Ci ten zawór różnicowy ( to nie jest zawór kulowy)

Sam sobie odpowiedziałeś na pytanie o zawór 3D mieszający  i rozdzielający, tylko o tym pewnie nie wiesz.

Opcja #2 to 3D mieszający - obniża temperaturę wody na grzejniki - nie chroni powrotu.

Opcja #3  to 3D rozdzielający "chroniący" powrót ale temperatura na grzejnikach taka jak na kotle.

 

Zarchiwizowany

Ten temat przebywa obecnie w archiwum. Dodawanie nowych odpowiedzi zostało zablokowane.

  • Ostatnio przeglądający   0 użytkowników

    • Brak zarejestrowanych użytkowników przeglądających tę stronę.
×
×
  • Dodaj nową pozycję...

Powiadomienie o plikach cookie

Używając tej strony zgadzasz się na Polityka prywatności.