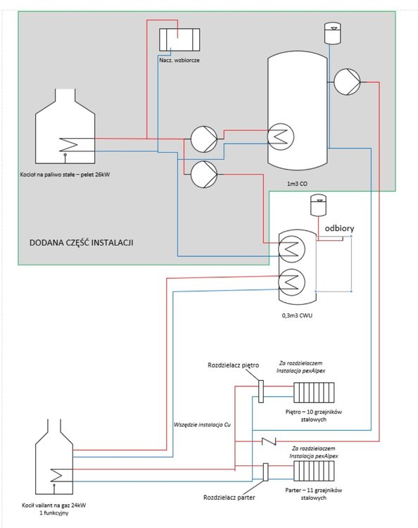
khann Opublikowano 16 Września 2019 #1 Opublikowano 16 Września 2019 Witam, Poczytałem forum i widzę u siebie coraz więcej błędów w instalacji. Po kolei: miałem prostą instalkę w domu z poddaszem ok 220m2 (r. budowy 2007/izo 100mm styropian wełna na dachu 150mm) z zasilaniem kocioł gazowy Vailant 24 kW 1 obieg, zbiornik 300l CWU. Odbiory to grzejniki (policzone do pow. i ocieplenia) buderus stalowe płytowe z termostat. Zasilane poprzez rozdzielacze na piętrze i parterze. Rury miedź do rozdzielczy dalej pexalpex. Działa ok na gazie. Potem przyszedł pomysł dodania pieca na drewno z myślą o dostawianiu go do pelletu kiedyś.Majster mi dorzucił piec w układzie otwartym z nacz wzbiorczym, bufor 1m3, pompy zasilania i przyłącze do CWU (były 2 wężownice) i CO przez zawór zwrotny. Dodatkowo nacz przeponowe na buforze 35l. Pompa na wylocie do CO z bufora. Na drewnie ok - ładownie 3h potem tylko korzystanie z ciepła. Po zmianie w ub roku na pellet (dzięki Wam też zmodernizowana komora spalania) niestety efektywność siadła całkiem(palnik Kipi roto z automatyką + ster bufora). Ładownie trwa długo (energia wiadomo) i o ile CWU się nagrzeje to ładownie bufora to czasss . Wyczytałem że moim błędem jest (1) brak mieszania powrotu i (2) zasilanie bezpośredniego z kotła. Tylko przy otwartym układzie nie da się ich połączyć (trzeb zmienić). No i odcięcie gazu (nie chcę rezygnować na razie) też musi być (chyba!) bardziej 'inteligentne ' niż zawór zwrotny. Na schemacie pominąłem zawory i przepraszam za jakość oznaczeń:) Chcę to zlecić komuś sprytnemu ale muszę wiedzieć w którą stronę iść. Bo majster od pieca na pellet nie widzi problemu....heh nie on płaci za rachunki :) Podpowiecie co można by zadziałać?
sambor Opublikowano 16 Września 2019 #2 Opublikowano 16 Września 2019 Wg mnie schemat jest prawie OK, brak tylko zaw 3-D na wyjściu bufora aby podawać z niego niższą temp na grzejniki. Dodatkowo może być za małe naczynie przeponowe od bufora - ale to trzeba przeliczyć. Ponadto na zasilaniu CO z kotła gazowego też musi być zaw zwrotny PS Do jakich temp grzejesz pelletem bufor?
khann Opublikowano 16 Września 2019 Autor #3 Opublikowano 16 Września 2019 >Do jakich temp grzejesz pelletem bufor? ok 60-70st C góra bufora
sambor Opublikowano 16 Września 2019 #4 Opublikowano 16 Września 2019 To temp grzania bufora jest OK, pewnie są jakieś niewłaściwe nastawienia sterownika np histereza.
khann Opublikowano 16 Września 2019 Autor #5 Opublikowano 16 Września 2019 No tak ale mieszanie a wylocie też powinno pomóc....bo myślałem żeby połączyć bufor ale nie wężownicą tylko bezpośrednio z kotła i instalacją CO. Nie byłoby czekania na ładowanie bufora...ale tu tez problem bo zamykamy całą instalację w 1 obiegu.
sambor Opublikowano 16 Września 2019 #6 Opublikowano 16 Września 2019 A kocioł na pellet pp dopuszczony do pracy w układzie zamkniętym?
khann Opublikowano 16 Września 2019 Autor #7 Opublikowano 16 Września 2019 No jak to zwykły Galmet na drewno i węgiel pewnie nie - tez mi się nie podoba układ zamknięty nie ma prądu i problem mega może być...
Rekomendowane odpowiedzi
Zarchiwizowany
Ten temat przebywa obecnie w archiwum. Dodawanie nowych odpowiedzi zostało zablokowane.