Skocz do zawartości
IGNOROWANY

Jedna pompa obiegowa a 2 rozdzielacze?


Lex737

Rekomendowane odpowiedzi

Opublikowano

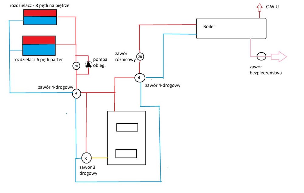
Witam. Jestem na etapie robienia ogrzewania w starym budynku, w związku z tym mam pytanie o poprawność instalacji c.o, c.w.u zaproponowanej przez hydraulika. W instalacji zaproponowano mi abym dał jedną pompę obiegową w układzie zasilania 2 rozdzielaczy podłogowych na piętro i parter ( rys. poniżej). Czy taka pompa da radę zasilić te 2 rozdzielacze? Rozdzielacz parter 6 obiegów mniej więcej równe 80-90 m, rozdzielacz piętro 8 obiegów, obiegi 80-90 m. Dodatkowo użyć bojler jako zbiornik bezpieczeństwa bez używania pompy obiegowej tylko grawitacyjnie. Schemat poglądowy.   Piec na węgiel . 

schemat instalacji co.jpg

Opublikowano

Tego hydraulika to lepiej zmień czym prędzej bo ten to bardziej artysta...  Zawór 4d na obiegu CWU nie wiadomo po co, zawór 3d w obiegu kotłowym z zaworem 4d w dodatku bez pompy też nie wiadomo po co? Zawór różnicowy na podłogówkę? No i najlepszy hit - zasobnik CWU jako zbiornik bezpieczeństwa. Pompa wydoli przy 14 pętlach - to ok 1300-1500 l/g. Kwestia wyreguloania przepływów piętro/parter może być problemowa bo zapotrzebowanie parter/piętro będzie różne

Zarchiwizowany

Ten temat przebywa obecnie w archiwum. Dodawanie nowych odpowiedzi zostało zablokowane.

  • Ostatnio przeglądający   0 użytkowników

    • Brak zarejestrowanych użytkowników przeglądających tę stronę.
×
×
  • Dodaj nową pozycję...

Powiadomienie o plikach cookie

Używając tej strony zgadzasz się na Polityka prywatności.