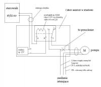
mittek Opublikowano 11 Października 2016 #26 Opublikowano 11 Października 2016 Obiecany schemat, jak coś nie wiadomo to pytaj.
Przemyslaw85 Opublikowano 11 Października 2016 #27 Opublikowano 11 Października 2016 @mittek nie zapomniałeś o zasilaniu regulatora. Który bym nie wziął to wymaga oddzielnego zasilania czyli są to regulatory 4 pinowe z czego 2 piny to zasilanie i 2piny otwarcie/zamknięcie obwodu. Chyba że zainteresowany zamierza kupić urządzenie w 100% anologowe. Regulatory z allegro: http://allegro.pl/listing/listing.php?order=m&string=termostat+pojowy&bmatch=base-relevance-w2-uni-1-2-0812
mittek Opublikowano 11 Października 2016 #28 Opublikowano 11 Października 2016 Pisał o termostacie, tam nic nie potrzeba, jeżeli sterownik np euroster to są baterie, a jeżeli coś innego to jak poda to się wymyśli
vegas99 Opublikowano 11 Października 2016 Autor #29 Opublikowano 11 Października 2016 mittek wielkie dzięki. Wydaje mi się, że już wszystko jest jasne :).
Rekomendowane odpowiedzi
Zarchiwizowany
Ten temat przebywa obecnie w archiwum. Dodawanie nowych odpowiedzi zostało zablokowane.