Skocz do zawartości
IGNOROWANY

Instalacja Zbiornika Lemet Spiro


KubaSko

Rekomendowane odpowiedzi

Opublikowano

Witam 

Mam wykonać instalację do której urządzenia już dawno zostały zakupione, a teraz inwestor szuka kogoś kto mu to poskłada, Więc w instalacji ma być kocioł gazowy kondensacyjny Termet, kominek z płaszczem wodnym oraz zasobnik z wężownicą spiro do przepływowego podgrzewania c.w.u -

https://www.bojlery.pl/zbiornik-higieniczny-spiro-z-wezownica-lemet-300-4.html

Czy jest jakiś sensowny sposób podłączenia tego zestawu? Jak dla mnie to ten zasobnik spiro to poroniony pomysł. Zamieszczam dwa schematy. Jeden z zasobnikiem dwuwężownicowym - to jest schemat który według mnie jest najlepszy

Drugi z zasobnikiem z wężownicą spiro, Nic sensowniejszego nie wymyśliłem. 

Proszę o porady. Pozdrawiam

p.s. zawór trójdrogowy jest też na grzejniki ponieważ podłogówki w garderobach zostały zrobione z powrotu grzejników w pokojach i boję się że jak za duża temp. pójdzie z kominka to może trochę narobić szkód.

post-42382-0-16395400-1446848016_thumb.jpg

post-42382-0-43645800-1446848022_thumb.jpg

Opublikowano

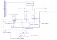
Wpadłem jeszcze na taki pomysł. Jeszcze nie wem czym to wszystko wysteruje, na pewno nie sterownikiem dedykowanym do Termetu bo takowy nie istnieje. Czy mógłby ktoś doradzić co do poprawności schematu? zwłaszcza o wysokość wpięcia króćców bufora. Dałem jak najwyżej rozładowanie bufora na instalację, niżej ładowanie z kotła , niżej powrót z instalacji i najniżej powrót na kocioł.

post-42382-0-09055900-1446904150_thumb.jpg

Opublikowano

On przełącza grzanie kotłem gazowym lub kominkiem z bufora. Chcę to wysterować tym sterownikiem i mniej więcej mój schemat pokrywa się z ich schematem. http://www.plum.pl/index.php/ecomax850i-box#schemat

Teraz zauważyłem że naczynia przeponowego nie dałem, będzie tuż przy kominku na powrocie. Ogólnie ten sposób grzania cwu i instalowania tego "wynalazku" mi się nie podoba no ale klient nasz Pan :) cały czas jestem za schematem z postu pierwszego z zasobnikiem z dwoma wężownicami. pozdrawiam :)

Zarchiwizowany

Ten temat przebywa obecnie w archiwum. Dodawanie nowych odpowiedzi zostało zablokowane.

  • Ostatnio przeglądający   0 użytkowników

    • Brak zarejestrowanych użytkowników przeglądających tę stronę.
×
×
  • Dodaj nową pozycję...

Powiadomienie o plikach cookie

Używając tej strony zgadzasz się na Polityka prywatności.