pellastex2 Opublikowano 18 Kwietnia 2015 #1 Opublikowano 18 Kwietnia 2015 Witam serdecznie. Mam problem z wychładzaniem wody w wymienniku CWU Winkelmann 300L 2W. Do dolnej wężownicy podłączony solar góra kocioł stałopalny. Zamieszczam szkic mojej instalacji CWU. Wymiennik zasialy wodą z sieci miejskiej rurą PE32. Na wyjściu ciepłej wody jest rura PEX 26. Zaraz na wyjściu ciepłej wody z wymiennika zastosowałem zawór mieszający ATM w celu zmniejszenia temp zasilania kranu ustawiony na 43*C Instalacja wyposażona w pompe cyrkulacyjną Wilo Nova Z "C" z zaworem zwrotnym. Pompa sterowana jest sterownikiem tech. Czas pracy pompy 3min co 15 min od godziny 6-23. Problem jaki mam to wychładznie wody w wymienniku. W czasie braku pooru ciepłej wody badz bardzo małego poboru temp w wymienniku spada o ok 5*C na godzine. Nie wiem jak to ugryzc. Dzieki pomocy jednego z kolegów na forum zasugerował że może to zawór mieszający powoduje stałe obniżanie temp wwymienniku. Pomoże ktos?
majschi Opublikowano 18 Kwietnia 2015 #2 Opublikowano 18 Kwietnia 2015 Witam Sprawdź czy nie grzejesz zasobnikiem co lub solarów grawitacyjnie. Wyłącz pompę cyrkulacyjną na jeden dzień i sprawdź czy zasobnik nadal się wychładza. Zawór mieszający nie ma technicznych możliwości aby "kraść" ciepło z zasobnika. Skąd u Ciebie w zasobniku woda o temperaturze 90sC ?
pellastex2 Opublikowano 18 Kwietnia 2015 Autor #3 Opublikowano 18 Kwietnia 2015 Witam i dziękuję za odpowiedz. Kazda pompa ma za soba zz. Temp taka bo wymiennik zasila kociol rownolegle do buforow ciepla.
majschi Opublikowano 18 Kwietnia 2015 #4 Opublikowano 18 Kwietnia 2015 Zawór zwrotny mógł się zawiesić, sprężynka pęknąć, plastik zdeformować. Rozumiem, że to sprawdziłeś. Pozostaje pompa cyrkulacyjna, izolacja rur ciepłej wody, cyrkulacji oraz izolacja samego zasobnika.
sambor Opublikowano 18 Kwietnia 2015 #5 Opublikowano 18 Kwietnia 2015 Na doprowadzeniu zimnej wody do zaw 3-D powinien być zawór zwrotny. Czas pracy cyrkulacji daj 3-4min co 1/2h .
pellastex2 Opublikowano 19 Kwietnia 2015 Autor #6 Opublikowano 19 Kwietnia 2015 Witam raz jeszcze i dziekuje za odpowiedzi. ZZ jest ok. Nie mam zz na doprowadzeniu zimnej wody do zaworu termostatycznego. Mialem ustawiona prace pompy 3min i przerwa 15min spróbuję dac przerwe na 1 godzine. Dziekuje
rumunn9r Opublikowano 20 Kwietnia 2015 #7 Opublikowano 20 Kwietnia 2015 z moich doswiadczen wynika ze cyrkulacja powinna chodzic non stop ,u mnie pomiedzy praca ciagla a przerywana (5minut pracy ,20 przerwy) po nocy byla roznica 10-15stopni mniej na niekozysc pracy przerywanej. Drugim powodem jest to ze w rocznej pompie grundfos UP15-14B zajechalem kondensator przez ta przerywana prace tak mysle i moge sie mylic;) https://forum.info-ogrzewanie.pl/topic/19099-czy-to-koniec-cyrkulacji/
Gość Digitrax Opublikowano 20 Kwietnia 2015 #8 Opublikowano 20 Kwietnia 2015 Przy instalacji z TZM cyrkulacja winna być inaczej podłączona.
sambor Opublikowano 20 Kwietnia 2015 #9 Opublikowano 20 Kwietnia 2015 Cyrkulacja powinna wracać do zasobnika w połowie wysokości, jedynym wyjątkiem jest brak króćca cyrkulacji w zasobniku. Poniżej przykłady z materiałów firmowych Wolfa
Gość Digitrax Opublikowano 20 Kwietnia 2015 #10 Opublikowano 20 Kwietnia 2015 Producenci TZM do CWU zalecają w swoich DTR inne niż normalnie układ połączeń. Jestem w pracy i jak wrócę do domu to odszukam źródła. W przypadku gdy nie ma TZM na wyjściu zbiornika CWU to jest tak jak mówisz, cyrkulacja do połowy zbiornika ale gdy pojawia się TZM to wygląda to jak wyżej podałem. Ciepła woda "krąży" po obiegu odbiorów ale już zmieszana o właściwej temperaturze i jedynie tylko jej część wraca do zbiornika a większość trafia powrotem do TZM gdzie jest lekko mieszana z gorącą wodą ze zbiornika. Dzięki temu ze zbiornika następuje mały pobór ciepłej wody do utrzymania właściwej temperatury za TZM. Nie następuje, więc szybkie wystudzenie zbiornika.
pellastex2 Opublikowano 20 Kwietnia 2015 Autor #11 Opublikowano 20 Kwietnia 2015 Może jednak serio tak ma być? Jest t logiczne. Dzięki jak będziesz mógł wrzuć info jakie masz od producenta.
Gość Digitrax Opublikowano 20 Kwietnia 2015 #12 Opublikowano 20 Kwietnia 2015 Strona 9 rys. 4 Katalog - Termostatyczne Zawory Mieszajace.pdf
pellastex2 Opublikowano 20 Kwietnia 2015 Autor #13 Opublikowano 20 Kwietnia 2015 Ja mam atm 363 i rzeczywiście jest jak piszesz. https://www.google.pl/url?sa=t&source=web&rct=j&ei=Mzg1Va3hLYP2au2egcgI&url=http://www.afriso.pl/manuals/Instrukcja%2520rozszerzona%2520termostatyczne%2520zawory%2520mieszaj%25C4%2585ce%2520ATM%25209540110009.pdf&ved=0CBsQFjAA&usg=AFQjCNHOEBZjJA7m_wLd7DE3esa9QspGqg&sig2=D1L-lpRj8NwnS8yKl9LP8Q Chyba to zmienię jutro. Między zasilaniem od strony zimnej wody a tym wpieciem z cyrulacji dac zz?
Gość Digitrax Opublikowano 20 Kwietnia 2015 #14 Opublikowano 20 Kwietnia 2015 ZZ musi być na głównej rurze zimnej wody zasilającej zbiornik. On jest na wypadek aby woda ze zbiornika nie cofnęła się w przypadku braku np wody z sieci miejskiej lub hydrofora. Dopiero za nim daj trójnik do którego podepniesz zawór mieszający i po drodze jeszcze powrót cyrkulacji z pompą. Za pompą musi także być ZZ aby zimna woda przez cyrkulacje nie popłynęła do baterii. Zasada jest prosta; przed pompą filtr a za pompą ZZ i całość najlepiej ochronić zaworami kulowymi.
sambor Opublikowano 20 Kwietnia 2015 #15 Opublikowano 20 Kwietnia 2015 Rozwiązanie referencyjne Esbe ma wadę, gdyż przy działającej pompie cyrkulacji i braku poboru CWU powracająca rurą cyrkulacji ciepła woda jest podawana na sam dół bojlera , przez zmniejsza się ilość wody zdatnej od razu do użycia - potrzebne jest podgrzewanie. W schematach które przestawiłem , jak nie ma poboru wody strumień z cyrkulacji trafia do króćca w połowie wysokości zasobnika. Oba układy Wolfa i Esbe różnią się tylko dodatkowym zaworem zwrotnym - u mnie na Biawarze 300l 2W, to się sprawdza. Pozdr. PS Rozwiązanie Esbe jest dobre jak nie ma króćca cyrkulacji w bojlerze.
pellastex2 Opublikowano 21 Kwietnia 2015 Autor #16 Opublikowano 21 Kwietnia 2015 Kolego sambor. W schemacie przez Ciebie dołączonym jeśli dobrze czytam są zastosowane dwa rozwiązania z możliwością przełączania?
sambor Opublikowano 21 Kwietnia 2015 #17 Opublikowano 21 Kwietnia 2015 To jest wszystko połączone na stałe, wg twoich oznaczeń - zaw nr2 jest wstawiony jak referencyjny schemat Esbe a dodatkowy zaw nr 1 kieruje nadmiar wody do króćca cyrkulacji, a nie na dół zasobnika jak w schemacie referencyjnym.
sambor Opublikowano 21 Kwietnia 2015 #19 Opublikowano 21 Kwietnia 2015 I co ? Będziesz zaworami przełączał? To lepiej zrób to co ja proponuję z dodatkowym zaw odłączającym króciec cyrkulacji i zobacz które podłączenie jest lepsze, ja nie twierdzę że moje jest lepsze ale warto sprawdzić oba, Jak przedstawisz wnioski to może ja się przekonam do referencyjnego Esbe.
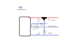
pellastex2 Opublikowano 21 Kwietnia 2015 Autor #20 Opublikowano 21 Kwietnia 2015 Zle odczytałem schematy z Wolfa - pomyliłem ZZ z kulowymi. Czy tak by mogło byc?? Pompe mam z zintegrowanym zaworem zwrotnym.
sambor Opublikowano 21 Kwietnia 2015 #21 Opublikowano 21 Kwietnia 2015 Może być tak , U siebie masz 2 zawory zwrotne w szeregu.
pellastex2 Opublikowano 21 Kwietnia 2015 Autor #22 Opublikowano 21 Kwietnia 2015 Mogl bys opisac zasade dzialania takiego rozwiazania? Czy bedzie to tak ze w czasie braku poboru wody woda krazyc bedzie pomiedzy kranem a bojlerem poprzez rure wpieta w srodkowy krucoec cyrkulacji a w czasie poboru wody pomiedzy kranem a zaworem 3d termostatycznym?
pellastex2 Opublikowano 21 Kwietnia 2015 Autor #24 Opublikowano 21 Kwietnia 2015 Da sie jakos zminimalizowac zaburzenie uwarstwienia wody w bojlerze ze wzgledu na cyrkulacje?
sambor Opublikowano 21 Kwietnia 2015 #25 Opublikowano 21 Kwietnia 2015 Tego to dokładnie nie wiem, ale pewnie zależy od tego jak jest wprowadzona rurka cyrkulacji do bojlera - czy na wprost czy w dół .
Rekomendowane odpowiedzi
Zarchiwizowany
Ten temat przebywa obecnie w archiwum. Dodawanie nowych odpowiedzi zostało zablokowane.