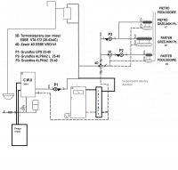
dudi43 Opublikowano 12 Lutego 2015 #1 Opublikowano 12 Lutego 2015 Proszę o ocenę schematu podłączenia kotłowni. Wykorzystałem schemat poglądowy kolegi Sambor, za co mu bardzo dziękuję. Podaje szczególy CO. Dom 250 m2, pierwszy rozdzielacz kotłownia: przepływomierze + elektrozawory 8 obwodów podłogówki w tym dodatkowy obwód łazienki piętro , 6 stref do sterowania drugi rozdzielacz kotłownia: parter 6 grzejników trzeci rozdzielacz piętro 8 grzejników kocioł 35kw. Kotrem podajnik szufladowy miałowy pompa ciepła pow/woda zasobnik 300l dwie wężownice Potrzebuje to wszystko podłączyć z logicznym sterowaniem. Dziękuję za każdą sugestię, pozdrawiam dudi43
majschi Opublikowano 12 Lutego 2015 #2 Opublikowano 12 Lutego 2015 witam Naczynie wzbiorcze musi być podłączone do kotła a nie do sprzęgła Brakuje pompy i zaworu 3d pomiędzy kotłem a sprzęgłem Trochę przekombinowałeś z zaworem 4d jest tam zbędny Jak chcesz sterować temperaturą w pomieszczeniach z grzejnikami ? Termostaty na grzejnikach czy sterowanie pogodowe temperaturą ?
sambor Opublikowano 13 Lutego 2015 #3 Opublikowano 13 Lutego 2015 Albo sprzęgło , albo zawór 4-D, Dla ciebie lepiej jest z zaw 4-D, nie potrzeba wtedy dodatkowego zaw -3D,i pompy i oczywiście sprzęgła
Gość mak Opublikowano 13 Lutego 2015 #4 Opublikowano 13 Lutego 2015 Albo Sprzęgło albo zawór 4D. Jeden z elementów jest zbędny. Jak ma być sprzęgło to musi być pompa za kotłem. I ta moc kotła na 250m2 35 kW to nawet jak dom stary jest przesadą nie wspominająć o nowym gdzie zapotrzebowanie na ciepło wynosi może 50W/m2, a jak dobrze ocieplony dom to pewnie i mniej. Czyli kocioł może być zdecydowanie za duży. Kompletnie nie przekonuje mnie ta PC na cwu. Jak już decydujesz się na taki wydatek to to co masz wydać na kocioł wydaj na pompę ciepła i wykonaj w całym domu ogrzewanie płaszczyznowe. Jak dom jest nowy to proponuję zastosować w praktyce motto jakie w stopce ma jeden z forumowiczów: "Nie pakuj śmieciucha do nowego domu".
dudi43 Opublikowano 13 Lutego 2015 Autor #5 Opublikowano 13 Lutego 2015 Witam. Na to forum wpadłem wczoraj,i myślę że jest to właściwy adres. Jestem zwolennikiem prostych dobrze działających rozwiązań, tutaj mi sie podoba. Schemat zapożyczyłem z tego forum. Naczynie wzbiorcze musi być podłączone do kotła a nie do sprzęgła,---- moje przeoczenie ,oczywiście zgadza się . Brakuje pompy i zaworu 3d pomiędzy kotłem a sprzęgłem --- byłem przekonany, że sprzęgło chodzi grawitacyjnie, i tak naprawdę to nie wiem po co tam pompa i 3d. Trochę przekombinowałeś z zaworem 4d jest tam zbędny --- też tak pomyślałem , nie byłem do konca pewien. Jak chcesz sterować temperaturą w pomieszczeniach z grzejnikami ? Termostaty na grzejnikach czy sterowanie pogodowe temperaturą ?--- tutaj do końca jeszcze nie wiem, układ mieszany; grzejniki termostaty, podłogówka pogodowe, wydaję mi się jednak nie ma sensu taka kombinacja, W tym przypadku liczę na Waszą pomoc.Podłogówkę mam podciągnięte kable, do grzejników musiałbym dorobić. Prosze o sugestie. Albo sprzęgło , albo zawór 4-D, Dla ciebie lepiej jest z zaw 4-D, nie potrzeba wtedy dodatkowego zaw -3D,i pompy i oczywiście sprzęgła Wybieram pocję bez sprzęgła. moc kotła na 250m2 35 kW to nawet jak dom stary jest przesadą Kocioł już zakupiony więc tutaj musi zostać, i tak nie osiągnie katalogowej mocy, zbyt dużo czynników zmiennych, opał, zanieczyszczenia, będzie zapas mocy, trudno. Kompletnie nie przekonuje mnie ta PC na cwu. Jak już decydujesz się na taki wydatek to to co masz wydać na kocioł wydaj na pompę ciepła i wykonaj w całym domu ogrzewanie płaszczyznowe. Jak dom jest nowy to proponuję zastosować w praktyce motto jakie w stopce ma jeden z forumowiczów: "Nie pakuj śmieciucha do nowego domu". Pompa pwiietrze/woda komplet z zasobnikiem 300l, nierdzewka 2x wężownica., mam w dobrej cenie, dom nowy instalacje są już wykonane , zmiana nie wchodzi w rachubę ,pompa ciepła do takiej instalacji to rzeczywiście kosmiczny wydatek. Wieczorem przedstawię poprawiony schemat. Prosze o sugestie jakie macie sprawdzone systemy do sterowania tym wszystkim, bo tutaj jestem zielony. Pozdrawiam
Gość mak Opublikowano 13 Lutego 2015 #6 Opublikowano 13 Lutego 2015 Decyzja zawsze jest inwestora, bo to no trzyma kasę i płaci rachunki. Ale niestety nie porachowałeś wszystkiego jak potrzeba i zamiast najpierw poprosić o radę to "poszedłeś na zakupy". I to twój bląd podstawowy. Niestety jakiś "chory" doradził Ci zakup kotła 35kW do nowego dobrze ocieplonego domu. Myślę że za jakiś czas przeklniesz ten kocioł i tego doradcę. Za cenę kotła i pompy którą kupiłeś miał bys pompę do CO i cwu. Ale jak napisałem twoja decyzja , pieniądze, i...... kłopoty z eksploatacja tego "węglowego potwora".
dudi43 Opublikowano 13 Lutego 2015 Autor #7 Opublikowano 13 Lutego 2015 "chory" doradził Ci zakup kotła 35kW do nowego dobrze ocieplonego domu. Jakiej mocy powinien być według Ciebie kocioł na paliwo stałe do tej wielkości domu. Za cenę kotła i pompy którą kupiłeś miał bys pompę do CO i cwu. Podaj proszę namiary na kompletny system pompy ciepła do CO i cwu, który obsłuży dom 250m2. i będzie kosztował ok 12000zł., bo kocioł kosztował 6000, pompy jeszcze nie ma, jest oferta za 6000 komplet z zasobnikiem KO. 300l dwie wężownice. Nie biorę pod uwagę żadnych urzadzeń z demontażu. Pozdrawiam
majschi Opublikowano 13 Lutego 2015 #8 Opublikowano 13 Lutego 2015 Obecnie budowane domy ze standardowym ociepleniem potrzebują około 50Wm2 przy mrozie minus 20sC czyli Twój dom potrzebuje około 12,5KW przy mrozie minus 20sC do tego mależy doliczyć 3KW na ciepłą wodę i mamy moc kotła
dudi43 Opublikowano 13 Lutego 2015 Autor #9 Opublikowano 13 Lutego 2015 Mam pytanie, czy przy zaworze 4d zaistnieje konieczność równoważenia hydraulicznego instalacji.
sambor Opublikowano 13 Lutego 2015 #10 Opublikowano 13 Lutego 2015 Jeżeli idzie o pompy na wtórnym obiegu to nie.
Gość mak Opublikowano 16 Lutego 2015 #11 Opublikowano 16 Lutego 2015 Jakiej mocy powinien być według Ciebie kocioł na paliwo stałe do tej wielkości domu. Podaj proszę namiary na kompletny system pompy ciepła do CO i cwu, który obsłuży dom 250m2. i będzie kosztował ok 12000zł., bo kocioł kosztował 6000, pompy jeszcze nie ma, jest oferta za 6000 komplet z zasobnikiem KO. 300l dwie wężownice. Nie biorę pod uwagę żadnych urzadzeń z demontażu. Pozdrawiam Za 12 tyś rzeczywiście trudno znaleźć PC na 250 m2. Pisząć swój komentarz miałem na myśli trochę wyższą półkę cenową kotlów na węgiel o mocy 35 kW, czyli te 12-14 tyś zł co razem z twoją ofertą na PC na cwu mogło by dać kwotę zbliżoną do kosztu PC na CO i cwu. Przy kotle za 6 tyś kwota jest za mała.
Rekomendowane odpowiedzi
Zarchiwizowany
Ten temat przebywa obecnie w archiwum. Dodawanie nowych odpowiedzi zostało zablokowane.