wiesiulek Opublikowano 11 Października 2014 #1 Opublikowano 11 Października 2014 Witam! Chcę wstawić do instalacji zawór 4D z siłownikiem (dla ochrony kotła). Mam układ zamknięty, kocioł z podajnikiem, jak na razie zawór 3D ręcznie sterowany i dwa obiegi co (oddzielne mieszkania) obsługiwane oddzielnymi pompami, załączanymi przez termostaty pokojowe. Jeśli wstawię zawór 4D to pompę będę musiał wstawić między kotłem a zaworem. Wymyśliłem, żeby zasilanie rozdzielić na moje dwa obiegi przez zawór 3D z siłownikiem. Ale nie wiem co miałoby sterować siłownikiem ( nie znam się na automatyce). Nie wiem też, jak sterowany jest siłownik zaworu 4D, który ma zapewnić np. 50 st na powrocie. Mam regulator IRYD RTZ. Może ktoś mnie oświeci? Jeszcze jedno pytanie: czy można wstawić powrót z zasobnika CWU przed zaworem 3D (tzn. powrót, zawór 3D, kocioł) jeśli zsilanie wychodzi między kotłem a zaworem 3D?Liczę na pomoc fachowców.
kiminero Opublikowano 11 Października 2014 #2 Opublikowano 11 Października 2014 @wiesiulek, jak ty tego nie narysujesz, to ci nikt nie pomoże. Dla ciebie to co piszesz jest jasne, ale uwierz mi, schemat będzie czytelniejszy.
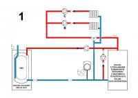
wiesiulek Opublikowano 12 Października 2014 Autor #3 Opublikowano 12 Października 2014 Załączam schemat instalacji. Jak dotąd mam tak jak na rysunku 1. Ale muszę to wyjaśnić. Dwa lata temu, po trzynastu latach, musiałem skończyć z olejem (oczywiście ze względów finansowych - ostatni sezon grzewczy na oleju to było ponad 14 tys.) Wybrałem kocioł Witkowski z ekoenergią, bo się naczytałem, że spala gorsze paliwa itd. Teraz po dwóch sezonach grzewczych i pewnych doświadczeniach wolałbym jednak zwykłą retortę (widziałem, jak się w niej pali u znajomych-kocioł Defro Komfort- piękny, równy płomień,a u mnie oczywiście nie dopala na końcu palnika), ale mam to co mam. Ponieważ miałem kocioł olejowy Delta ACV ze zbiornikiem CWU zanurzonym w kotle CO, zrobiłem instalację jak na rysunku 1. Dzięki temu mogę używać albo samej Delty (grzeję w niej CWU w lato - wychodzi ok 400l oleju, na to mnie jeszcze stać, dzięki temu mam wody ciepłej ile chcę i nie muszę wędzić kotła eko na ciągłym podtrzymaniu. Tak na marginesie - Delta to jest super kocioł - przez 13 lat ż a d n e j awarii, raz na dwa lata serwis i tylko lałem olej), albo samego kotła eko, albo tak jak to robię, używać obu naraz. Ja to nazywam ogrzewaniem hybrydowym. W Delcie mam założony dodatkowy termostat, który uruchamia pompę A poniżej 60°, na kotle eko mam 65°. Kiedy wszystko jest podgrzane i włącza się któraś z pomp obiegowych (dwa osobne obiegi, pompy zalączane termostatami pokojowymi ) to najpierw ciągną z Delty, a jak tam spadnie poniżej zadanej to uruchamia się pompa A. Wtedy wszystko idzie na grzejniki, a kocioł eko rusza i chodzi dotąd, aż wyłączy się pompa z obiegu grzejników i pompa A dogrzeje Deltę do 60°. Może to nie jest za mądre (np. przez jakiś czas pracują dwie pompy w jednym obiegu) ale to działa jak dotąd przez dwa sezony. To ma też tę zaletę, że powrót podgrzewa mi się w Delcie (tak to wygląda, bo jak kilka razy eksperymentowałem z odciętą Deltą, tylko na kotle eko, to zawsze powrót był o 5-7° niżej). Ostatnio zacząłem się jednak zastanawiać, czy to dobry pomysł grzać dwa kotły jednocześnie (w delcie w płaszczu jest 75 l , w kotle eko 85) i czy nie będzie ekonomiczniej zrobić z delty zwykłego płaszczowego podgrzewacza CWU a obiegi CO grzać z kotła EKO, tak jak na schemacie 2. Zawór 4D miałby za zadanie dogrzać powrót. Nie znam się niestety nic a nic na automatyce i proszę o radę jak sterować tymi siłownikami na zaworach 3D i 4D (czy np. taki siłownik może być załączany przez termostat pokojowy razem z pompą). Czekam również na komentarz co do pomysłu przeróbki instalacji 1 na 2.Czy w wariancie 2 mogę liczyć na oszczędności w opale? Ostatni sezon (ciepły) to 4200 ekogroszku - dom średnio ocieplony, wg norm z lat 90-tych, 220 m kw, kocioł EKO 25 kW.
kiminero Opublikowano 12 Października 2014 #4 Opublikowano 12 Października 2014 Jeśli już to, ta tak jak niżej: Zostaw 3D tak jak jest i załóż mu siłownik. W zależności od sterownika kotła, będziesz nim regulował temperaturę na grzejnikach stałotemperaturowo lub pogodowo, a termostaty pokojowe doregulują te twoje dwie strefy. Pojemności układu nie zmienisz. Dalej nagrzanie CWU to konieczność podgrzewu zewnętrznego płaszcza olejaka. 4D nie jest moim zdaniem najlepszym rozwiązaniem zarówno kosztowo, jak i co do jakości efektu ochrony powrotu. Jest też dużo większym nakładem pracy. Lepiej zostawić tak jak jest i dla ochrony powrotu dodać pompę kotłową sterowaną regulatorem kotła lub własnym termostatem. Jeśli pytasz jak steruje się siłownikiem 3D/4D, to odpowiadam: służy do tego sterownik kotła. Oczywiście musi mieć tą funkcję, a jeśli nie ma to można dostawić osobny ster do zaworu. Taki zawór ma własny czujnik mocowany zaraz za zaworem, po stronie wody zmieszanej. Twoim zadaniem jest tylko ustawić żądaną temp w tym miejscu i siłownik tak będzie kręcił zaworem, aż temp tą uzyska i utrzyma. Mozna też powierzyć to ustawieniom pogodowym, które na podstawie odczytu temp zewnętrznej, dostosowują temp wody posyłanej na grzejniki. Im cieplej na dworze, tym chłodniejsza woda zasilająca grzejniki i na odwrót.
wiesiulek Opublikowano 12 Października 2014 Autor #5 Opublikowano 12 Października 2014 Dzięki za podpowiedź. Z tą przeróbką delty na podgrzewacz chodziło mi o to, że w moim obecnym układzie jest ona schładzana przy każdym uruchomieniu pomp obiegowych a schładzanie przez korzystanie z cwu nie byłoby tak częste. Ale skoro twierdzisz,że to niewiele da to nie ma co przerabiać. W moim sterowniku są jakieś wyjścia do obsługi mieszacza muszę to przestudiować. Jest tylko jedno wyjście do pompy CO, więc tę pompę kotłową będę musiał podłączyć inaczej.
kiminero Opublikowano 12 Października 2014 #6 Opublikowano 12 Października 2014 Jeśli masz zamiar korzystać z obecnego 3D do zmniejszania temperatury na grzejniki, to pompę CWU musisz przepiąć przed tym zaworem. Inaczej jak ustawisz temp za zaworem na 40 st, to nigdy nie dogrzejesz wody użytkowej powyżej tego progu i będzie to bardzo powolne. Zasobnik należy grzać temperaturą kotła.
wiesiulek Opublikowano 12 Października 2014 Autor #7 Opublikowano 12 Października 2014 OK.Dzięki za informacje.
Rekomendowane odpowiedzi
Zarchiwizowany
Ten temat przebywa obecnie w archiwum. Dodawanie nowych odpowiedzi zostało zablokowane.