Skocz do zawartości
IGNOROWANY

Niegrzejący Pion


ekopalacz71

Rekomendowane odpowiedzi

Opublikowano

Witam wszystkich .

Mój problem polega na tym iż przerobiłem instalację CO wyrzucając wymiennik płytowy z instalacji i instalację wykonano jako zamkniętą . Po tej zmianie na kotle retortowym CHT 21kw  ustawiam 60 stopni i nie grzeje mi jeden pion najdalej oddalony od kotła (instalacja odpowietrzona ,kryzowanie nic nie daje,pompka  I ,II , III  bieg bez zmian, grzejniki na maksa otwarte ,pompa 25/60 ) . Problem znika gdy włączę gazówkę  i tam pompka 15/40 radzi sobie na II bez problemu .  Nie wiem w czym jest problem czy pompa CO powinna być na powrocie przed zaworem ESBE 55 st. Czy zawór esbe coś nie tak funkcjonuje i może go trzeba usunąć ?  Może ktoś miał podobny problem ? Proszęo podpowiedź . 

 

post-58322-0-04894800-1394878895_thumb.png

Opublikowano

To oczywiste , że pompa musi być za zaworem 3-d ESBE.

Zaworu 3-D nie usuwaj to zabezpieczenie temp powrotu na kocioł.

Natomiast zawór zwrotny powinien być za zaw.3-D a przed wpięciem kotła gazowego.

Opublikowano

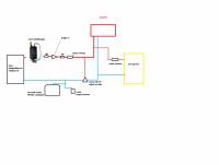
Jak dobrze rozumuje to zawór esbe otworzy się przy 55 st to kocioł musi być ustawiony na 60 st. tak ?

Czyli powinno to wyglądać jak na dołączonym poprawionym  schemacie ?

? Czy jest coś jeszcze co pominąłem ? 

post-58322-0-24835100-1395074220_thumb.png

Opublikowano

Coś w tym stylu, tylko zawór ESBE odwrotnie połączony - strzałka przepływu zmieszanego  (1) ma być skierowana w stronę pompy, niebieski dopływ w stronę grzejników.

Brak zaworów zwrotnych za pompami.

Co to znaczy kocioł ustawiony na 60C? - start pompy?

Start pompy może być nawet przy 55 lub mniej np 53C.

Ja mam zawór VTC 60C a pompa startuje od 56C.

Opublikowano

-Z ESBE tak oczywiście   1 w stronę pompy ,2  z grzejników , 3 z kotła  . (takie zdjecie znalazłem )

-Zawory zwrotne są zapomniałem narysować .

-60 st to temp.  zadana na kotle , histereza  4 st

-temp załaczenia pompy 55 st tak mam ustawione  

-kocioł podpięty do pokojowego sterownika temperatury bo robiło się za gorąco w domu 

 

Zabieram sie do przeróbki

Zarchiwizowany

Ten temat przebywa obecnie w archiwum. Dodawanie nowych odpowiedzi zostało zablokowane.

  • Ostatnio przeglądający   0 użytkowników

    • Brak zarejestrowanych użytkowników przeglądających tę stronę.
×
×
  • Dodaj nową pozycję...

Powiadomienie o plikach cookie

Używając tej strony zgadzasz się na Polityka prywatności.