staran Opublikowano 15 Grudnia 2013 #26 Opublikowano 15 Grudnia 2013 Coś nie wyszło, co do ostatniego cytatu to przy paleniu ciągłym problem z wychładzaniem cwu nie występuje.
djnero Opublikowano 15 Grudnia 2013 Autor #27 Opublikowano 15 Grudnia 2013 Co do baypasa to wspomniałem o nim jako o dodatkowym zabezpieczeniu,i wymagałby kręcenia zaworami. O i o to mi chodziło. Czyli nie dając baypasa odejdzie mi latem (albo i zimą w przypadku nie palenia ciągłego) ciągłe odkręcanie i zakręcanie zaworów przy bojlerze gdyż pompa zablokuje wodę w obiegu grawitacyjnym układu kocioł-bojler w tym schemacie. Odchodzi mi przez to jedno zabezpieczenie, ale z drugiej strony orpócz mnie piec będzie obsługiwać pewnie więcej osób i oni mogą zapominać o kręceniu tymi zaworami. Czy w narsowanym przeze mnie schemacie musze dołożyć gdzieś zawór bezpieczeństwa? Czy zwężenie przekroju rury z Cu28 (od kotła i piony) na Cu15 przy bojlerze nie będzie zbyt dużym przeskokiem średnicy?
Gość Digitrax Opublikowano 15 Grudnia 2013 #28 Opublikowano 15 Grudnia 2013 W obrębie kotła to ja bym pompę zainstalował na jego powrocie, do zbiornika CWU dał np rurę Cu18 i dodatkowo zawór termostatyczny z kapilarą 1/2", który odłączałby przepływ przez wężownicę gdy zbiornik się nagrzeje. Gdy pompa jest na powrocie to rurę bezpieczeństwa można wykorzystać jako pion zasilający robiąc od niego odejście i zawór bezpośrednio przed rozdzielaczem. Na lato zamykasz rozdzielacz i grzejesz tylko CWU ;) Piony pozostaw jako Cu28.
majschi Opublikowano 15 Grudnia 2013 #29 Opublikowano 15 Grudnia 2013 Warto dać zawór bezpieczeństwa 1,5bar wkręcony w kocioł. Oraz obowiązkowo zawór 6bar na zasilaniu zimnej wody do bojlera Co do przekroju rury zasilającej bojler to 15 wystarczy zimą gdy pracuje cała instalacja ale latem większy przekrój rury pozwoli szybciej zagrzać wodę Proponuje dać rurę 22 ale na zasilaniu obowiązkowo musi być zawór grzybkowy do zdławienia przepływu zimą
staran Opublikowano 15 Grudnia 2013 #30 Opublikowano 15 Grudnia 2013 Zawór bezpieczeństwa najlepiej na kotle.Co do cwu to zakładasz że będziesz stale palił w kotle co w okresach przejściowych może być trudne przy tak prostej instalacji.Ustawiając wyłączenie pompy na 50C zatrzymasz ciepłą wode ,ale z tą temp.instalacja mogłaby śmiało grzać mieszkanie.Rozważyłbym osobny obieg cwu lub zawór termostatyczny, jest jeszcze zawór odwrotny .
djnero Opublikowano 16 Grudnia 2013 Autor #31 Opublikowano 16 Grudnia 2013 Dziękuję Panowie za cenne rady i uwagi. Popatrzcie proszę teraz na poprawiony schemat.
majschi Opublikowano 16 Grudnia 2013 #32 Opublikowano 16 Grudnia 2013 Teraz schemat jest poprawny W jaki sposób bedziesz regulował temperaturę w ponieszczeniach ? Czy grzejniki będo miały głowice termostatyczne ? Rozumiem że rezygnujesz z oddzielnej rury wznośnej do naczynia
djnero Opublikowano 16 Grudnia 2013 Autor #33 Opublikowano 16 Grudnia 2013 Za radą Digitraxa usunąłem dodatkową rurę wznośną do naczynia, co mi się zresztą dosyć podoba bo mniejszy koszt, mniej miejsca, mniej roboty, itd, ale za to jakie minusy ? Temperatura w pomieszczeniach, tak jak piszesz, będzie regulowana w każdym pokoju głowicami przy grzejnikach - tanio, prosto, bezproblemowo a jak komuś zimno to podkręca sobie i jest dobrze :) Jak dla mnie im mniej elektorniki tym lepiej - w każdej dziedzinie sukces tkwi w prostocie. Cz puszczenie rozdzielaczy pod stropem w piwnicy - poniżej grzejników i rur poziomych PEX16/Cu15 ma jakieś negatywne skutki - czy nie będzie się zapowietrzać ?
majschi Opublikowano 16 Grudnia 2013 #34 Opublikowano 16 Grudnia 2013 Za radą Digitraxa usunąłem dodatkową rurę wznośną do naczynia, co mi się zresztą dosyć podoba bo mniejszy koszt, mniej miejsca, mniej roboty, itd, ale za to jakie minusy ? ? Jeśli bedziesz kiedykolwiek chciał unowocześnić swoją kotłownie to czeka Cię rycie pionu na naczynie Oczywiście łatwiej jest ułożyć rury w wylewce na parterze ( odpowietrzy się to przez grzejniki bez względu na to czy położysz rurki w piwnicy czy na wylewce w partrze
Gość Digitrax Opublikowano 17 Grudnia 2013 #35 Opublikowano 17 Grudnia 2013 Masz jedną pompę obiegową, więc zawór zwrotny za nią jest zbędny.Na zasilaniu zbiornika CWU zainstaluj zawór zwrotny by go nie wychładzało jak pompa się wyłączy. Zawór termostatyczny z kolei przenieś na powrót wężownicy. Na dole przy kotle planujesz wężyk do uzupełniania wody w obiegu, więc w jakim celu do naczynia także uzupełnianie chcesz podłączyć ? Przed zbiornikiem CWU na zasilaniu zimnej wody potrzebny przed zaworem 6 bar zawór zwrotny a za nim naczynie przeponowe do wody użytkowej.
djnero Opublikowano 17 Grudnia 2013 Autor #36 Opublikowano 17 Grudnia 2013 Jeśli bedziesz kiedykolwiek chciał unowocześnić swoją kotłownie to czeka Cię rycie pionu na naczynie Jeżeli pomyślę, że miałbym kuć cokolwiek kiedyś to lepiej dołożyć te 10m rury i spokój :) Przed zbiornikiem CWU na zasilaniu zimnej wody potrzebny przed zaworem 6 bar zawór zwrotny a za nim naczynie przeponowe do wody użytkowej. Czy teraz będzie ok? Czyli jeżeli będzie większe ciśnienie w sieci wodociągowej to najpierw wyreguluje to naczynie przeponowe, a w przypadku przekroczenia 6bar to zawór zwrotny wywali nadmiar wody na zewnątrz, czyli do piwnicy, ale za to nie uszkodzi się bojer. Czy dobrze to rozumie? Czy na górze pionu trzeba założyć odpowietrzniki automatyczne, lub na rozdzielaczach? Czy lepiej może pozakładać automatyczne odpowietrzniki na grzejnikach?
sybiga Opublikowano 17 Grudnia 2013 #37 Opublikowano 17 Grudnia 2013 Ciśnienie w sieci wodociągowej powinien regulować reduktor ciśnienia... Naczynie przeponowe ma tutaj spełnić rolę bufora dla wody w bojlerze . Tak prosto mówiąc Ciepła woda ma większą objętość niż zimna, więc nadmiar tej objętości wody po podgrzaniu przejmuje właśnie naczynie przeponowe. Zawór 6 Bar: jest na wypadek gdyby naczynie nie było już w stanie pomieścić nadmiaru ciepłej wody. Odpowietrzniki powinny być i na grzejnikach ina rozdzielaczach (tak na zasilającym jak i na powrotnym) Na grzejnikach wystarczą ręczne odpowietrzniki. na rozdzielaczach (jeżeli Masz miejsce w szafce) to ja dał bym automaty na zasilaniu.
Gość Digitrax Opublikowano 17 Grudnia 2013 #38 Opublikowano 17 Grudnia 2013 Do postu wyżej dodam jedynie iż rozdzielacz w piwnicy zainstalowałbym odwrotnie czyli wyjściami do grzejników do góry dzięki czemu sam by się odpowietrzał przez grzejniki ;) Jeżeli chcesz mieć spokój na zawsze z odpowietrzaniem to zainstaluj odpowietrzniki kątowe w grzejnikach i w górnym rozdzielaczu na obu belkach. Pamiętaj by zainstalować także odpowietrzniki na powrocie podłogówek np instalując go na trójniku przed zaworem RTL.
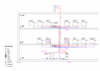
djnero Opublikowano 11 Marca 2014 Autor #39 Opublikowano 11 Marca 2014 Witam, po dość długiej nieobecności dodaje znowu uzupełniony schemat :)
Gość Digitrax Opublikowano 12 Marca 2014 #40 Opublikowano 12 Marca 2014 Wszystko jest OK. Możesz wdrożyć projekt do realizacji :)
majschi Opublikowano 12 Marca 2014 #41 Opublikowano 12 Marca 2014 Prosty a zarazem dobry schemat Warto jeszcze dodać termostat, np taki http://allegro.pl/przylgowy-sterownik-nowy-termostat-na-rure-i4028155607.html który wyłączy pompę CO gdy na piecu będzie więcej niż 90sC ochroni to rury pex przed wrzącą wodą gdyby w kotle się gotowało Powodzenia w wykonywaniu instalacji
staran Opublikowano 12 Marca 2014 #42 Opublikowano 12 Marca 2014 dodałbym jeszcze odpowietrznik na zasiłaniu bojlera,gdzieś w najwyższym punkcie i odpowietrzniki na dolnej belce.Po napełnieniu i odpowietrzeniu instalacji odpowietrzniki na powrotach radze pozamykać.
djnero Opublikowano 13 Marca 2014 Autor #43 Opublikowano 13 Marca 2014 Warto jeszcze dodać termostat, np taki http://allegro.pl/przylgowy-sterownik-nowy-termostat-na-rure-i4028155607.html który wyłączy pompę CO gdy na piecu będzie więcej niż 90sC ochroni to rury pex przed wrzącą wodą gdyby w kotle się gotowało Na schemacie narysowałem sterownik pompy co. Czy nie będzie ten sterownik sełniał tego samego zadania? Czyli miarownik ciągu steruje temperaturą na piecu przez przymykanie drzwiczek, natomiast ten sterownik włącza/wyłącza pompę c.o. przy zadanych temperaturach? dodałbym jeszcze odpowietrznik na zasiłaniu bojlera,gdzieś w najwyższym punkcie i odpowietrzniki na dolnej belce.Po napełnieniu i odpowietrzeniu instalacji odpowietrzniki na powrotach radze pozamykać. Dodać odpowietrznik automatyczny na zasilaniu bojlera? Natomiast na rozdzielaczach na belce zasilającej może dać automatyczny a na belce powrotnej zwykły odpowietrznik zamykany ręcznie?
majschi Opublikowano 13 Marca 2014 #44 Opublikowano 13 Marca 2014 Sterowniki kotłów CO zazwyczaj nie mają funkcji wyłączenia pompy przy zbyt wysokiej temperaturze dla ochrony rur pex Co do odpowietrzników na rozdzielaczach możesz dać automaty lub ręczne ale z uwagi na pompę na powrocie myślę że lepiej dać ręczne
staran Opublikowano 13 Marca 2014 #45 Opublikowano 13 Marca 2014 Nitka na bojler to jakby osobny pion i odpowietrznik byłby wskazany.Co do zakręcania odpowietrzników na powrocie ,to zjawisko zaciągania powietrza może ,ale nie musi wystąpić ,u mnie ujawniło się po 3 sezonach.To tak na przyszłośc jakby ci zaczeło nagle bulgotać w instalacji.
Gość Digitrax Opublikowano 14 Marca 2014 #46 Opublikowano 14 Marca 2014 Na zasilaniu wężownicy ja bym nie instalował automatycznego odpowietrznika aby nie zaciągał on powietrza do instalacji bo przeciez mamy pompę na powrocie. Zainstalowałbym natomiast odpowietrznik ręczny. Ciśnienie statyczne instalacji będzie i tak wysokie ze względu na wysokość budynku. Odpowietrzyć ten obieg raz podczas zalewania instalacji i to wszystko.
marekd Opublikowano 14 Marca 2014 #47 Opublikowano 14 Marca 2014 Tez dozuce od sibie zamiast takigo przylgowego termostatu lepiej dac taki do zabudowy podejsciem na 1/2 cala - termostat do bojlera :rolleyes: co bedzie mierzyl wode od razu .Z przylgowym mamy duza bezwladnosc temp.
djnero Opublikowano 14 Marca 2014 Autor #48 Opublikowano 14 Marca 2014 Hydraulik z którym dziś rozmawiałem i który będzie prawdopodobnie robił mi instalację chce ją zrobić wg schamatu jaki poniżej zamieszczam. Mówi, że nie powinno być żadnych problemów z zaworem różnicowym zamontowanym w ten sposób. Dodatkowo mówi, że może mi zrobić główne piony od pieca aż do naczynia wzbiorczego ze stalowych rur 1 1/4" (które w sumie posiadam). Co o tym sądzicie? Wiem, że się cofam i wracam.
Gość Digitrax Opublikowano 14 Marca 2014 #49 Opublikowano 14 Marca 2014 Nie cofaj się bo zaczynasz błądzić. A ten "spec" co ma to robić niechaj zapozna się z obowiązującym prawem budowlanym. On zrobi po najmniejszej linii oporu a Ty będziesz się latami bujać z taką instalacją a nie daj Boże coś się stanie to nie otrzymasz żadnego odszkodowania ze względu na wadliwe (sprzeczne z prawem i zdrowym rozsądkiem) podłączenie kotła do instalacji.
djnero Opublikowano 14 Marca 2014 Autor #50 Opublikowano 14 Marca 2014 Ok, tak właśnie myślałem żeby zrobić to tak jak w schemacie wcześniej zatwierdzonym przez Was :) Pozostaje teraz pytanie odnośnie pionów z rur stalowych 1 1/4". Co o tym myślicie? Nurtuje mnie wciąż również położenie popmpy c.o. - co daje położenie pompy na zasilaniu układu w baypasie, a jakie korzyści wynikają z położenia na powrocie jak na schemacie narysowanym? Lektura tego forum dalej mi nie rozwiała wątpliwości odnośnie tego tematu dlatego proszę Was o jakieś sugestie.
Rekomendowane odpowiedzi
Zarchiwizowany
Ten temat przebywa obecnie w archiwum. Dodawanie nowych odpowiedzi zostało zablokowane.