marsiko Opublikowano 13 Października 2013 #1 Opublikowano 13 Października 2013 Witam Proszę o ocenę instalacji 1. Mam problem z rozpalaniem w piecu węglowym ponieważ pompka znajdująca się przy wymienniku i sterowana przez piec gazowy dusi zawór zwrotny pieca węglowego 2. woda nagrzana w zasobniku szybko się studzi 3. Jak rozwiązać problem sterowania dwoma piecami (przekaźnik) ? Pozdrawiam
automatyk Opublikowano 13 Października 2013 #2 Opublikowano 13 Października 2013 a w jakim celu ten wymiennik jak masz zbiornik układu otwartego w najwyższym punkcie ,poco to komplikować
sambor Opublikowano 13 Października 2013 #3 Opublikowano 13 Października 2013 Dwie pompy w szereg - do poprawy.
Gość mak Opublikowano 13 Października 2013 #4 Opublikowano 13 Października 2013 Po pierwsze jak kocioł gazowy będzie sterowany pogodowo to jest małe prawdopodobieństwo że będzie miał ochotę współpracować ze sterownikiem kotła na paliwo stałe ( będzie to możliwe przy sterowniku stałotemperaturowym), Z zastosowania gazowego kotła sterowanego pogodowo wynikną kolejne problemy, brak możliwości sterowania podłogówką przy pracy kotła gazowego ( patrz strona producenta o ogrzewaniu podłogowym) za błąd uważam również zastosowanie kotła gazowego w wersji dwufunkcyjnej (przepływowy podgrzew cwu) jeżeli już to raczej kocioł jednofunkcyjny + zasobnik z dwoma wężownicami. Brak jest również podłączenia zimnej wody do kotła gazowego I sprawa najważniejsza to błędne założenie że to kocioł gazowy ma pracować przez wymiennik a nie węglowy.
marsiko Opublikowano 14 Października 2013 Autor #5 Opublikowano 14 Października 2013 a w jakim celu ten wymiennik jak masz zbiornik układu otwartego w najwyższym punkcie ,poco to komplikować jakoś nic innego instalarorowi nie przyszło do głowy(uważał to za najbezpieczniejsze rozwiązanie).Ale ja chętnie nauczę się czegoś nowego ;)
Gość Digitrax Opublikowano 14 Października 2013 #6 Opublikowano 14 Października 2013 Pozbądź się tego "instalatora"...
marsiko Opublikowano 14 Października 2013 Autor #7 Opublikowano 14 Października 2013 Dwie pompy w szereg - do poprawy. czyli coś takiego?
marsiko Opublikowano 14 Października 2013 Autor #8 Opublikowano 14 Października 2013 Pozbądź się tego "instalatora"... i tak już s...knocił swoje.
marsiko Opublikowano 14 Października 2013 Autor #9 Opublikowano 14 Października 2013 ...Brak jest również podłączenia zimnej wody do kotła gazowego ... jest
dako1970 Opublikowano 15 Października 2013 #10 Opublikowano 15 Października 2013 panowie trzeba biedakowi pomóc, zaduzo zostalo władowane i trzeba jakos to uporzadkować aby jakos to działało, nie mówmy co by bylo gdyby to wymienić ....trzeba zrobic z tego co mamy
dako1970 Opublikowano 15 Października 2013 #11 Opublikowano 15 Października 2013 marsiko pytanie ktory kocioł ma byc głowny ,a który pomocniczY? pytanie to zadalem pod katem uzyskiwania c.w.u.
Gość mak Opublikowano 16 Października 2013 #12 Opublikowano 16 Października 2013 jest Jak przyjmiemy że ten schemat z przymrużeniem oka to masz rację. W rzeczywistości w kotle jest to całkiem inaczej podłączone. Poza tym , zamieszczasz schemat i to o nim mamy dyskutować ale zdjęcia są już z całkiem innego układu co do połączenia zasobnika z podgrzewem przepływowym to proponuję przeczytać post jednego z kolegów o śmierdzącym cwu i wyciągnąć wnioski.
dako1970 Opublikowano 16 Października 2013 #13 Opublikowano 16 Października 2013 moim skromnym zdaniem skoro załozony został piec na paliwo stale to zakladam ze to on bedzie głownym piecem a gazowy jako pomocniczy dlatego (tutaj odnosze sie do uzyskiwania c.w.u.)dlatego zasobnik podłaczyc tylko do pieca na paliwo stale na zasilaniu z kotła zamontowac druga pompe ładująca c.w.u.i osprzet ( standard czyli zaworki odcinajace ,zwrotne i filtr) pompa ta powinna byc wysterowana ze sterownika kotla ( oile sterownik ma opcje podpiecia pompy cwu) lub osobny sterownik np euroster 1100b. pompa ładujaca c.w.u .spowoduje ze nie bedzie wychladzał sie zasobnik piec gazowy jako pomocniczy ustawic tylko jako kocioł grzewczy( wyłaczyc opcje grzania wody cwu),jednakze nie zrezygnowac z podłaczenia ciepłej wody z tego kotla( w razie "W" odetniesz zasobnik na zaworach i właczysz grzanie wody w kotle gazowym) nalezy pamietac jedno woda w zasobniku cwu powinna ciagle pracowac ,dłuzszy przestój moze zakonczyc sie czyszczeniem zbiornika (Tak jak kolega Mak napisał " przeczytaj post o Smrodzie w zasobniku cwu i wyciagnij wnioski) jesli chodzi o obiegi c.o.to troche spatolone sa rózne warianty podłaczen mnie sie wydaje: kocioł na stałe paliwo przez wymiennik(jedna pompa kotłowa sterowana przez sterownik kotła i druga po drugiej stronie wymiennika równiez sterowana tym samym wyjsciem) ) i obieg otwarty instalacja grzewcza i kocioł gazowy obieg zamkniety przy wykorzystaniu na paliwo stale podłogówka powinna pójsc.... tak przy pracy kotła gazowego ze sterownikiem pogodowym to praca bardzo słaba lub żadna tak jak wczesniej napisał kolega Mak praca kotła gazowego ze stała temp polepszylaby prace podłogówki
tsa7 Opublikowano 16 Października 2013 #14 Opublikowano 16 Października 2013 Witam Proszę o ocenę instalacji 1. Mam problem z rozpalaniem w piecu węglowym ponieważ pompka znajdująca się przy wymienniku i sterowana przez piec gazowy dusi zawór zwrotny pieca węglowego 2. woda nagrzana w zasobniku szybko się studzi 3. Jak rozwiązać problem sterowania dwoma piecami (przekaźnik) ? Pozdrawiam ad 1. Ona chodzić powinna tylko gdy działa kocioł gazowy, poza tym dusi bo widocznie jest mocniejsza lub działa na wyższym "biegu" ad 2. no tak bo jeśli wychładza się woda w instalacji to i w zasobniku też będzie wychładzać dlatego, że pompa obiegowa C.O. odbiera ciepło zakumulowane wcześniej. ad 3. sugeruję nie używać na raz obydwóch kotłów pozbędziesz się pierwszego problemu. - jakie temperatury panują w Twojej instalacji ? - te prostokąty przekreślone to zawory zwrotne?
marsiko Opublikowano 17 Października 2013 Autor #15 Opublikowano 17 Października 2013 panowie trzeba biedakowi pomóc... DZIĘKI :rolleyes: ...skoro załozony został piec na paliwo stale to zakladam ze to on bedzie głownym piecem a gazowy jako pomocniczy... Takie było założenie. przy wykorzystaniu na paliwo stale podłogówka powinna pójsc.... tak przy pracy kotła gazowego ze sterownikiem pogodowym to praca bardzo słaba lub żadnatak jak wcześniej napisał kolega Mak praca kotła gazowego ze stała temp polepszylaby prace podłogówki Zaczynam poważnie myśleć o zamianie na kocioł kondensacyjny jednofunkcyjny z wbudowanym zaworem trójdrogowym i sterownik pokojowy(odpięcie czujnika zew.) nalezy pamietac jedno woda w zasobniku cwu powinna ciagle pracowac ,dłuzszy przestój moze zakonczyc sie czyszczeniem zbiornika (Tak jak kolega Mak napisał " przeczytaj post o Smrodzie w zasobniku cwu i wyciagnij wnioski) przerabiałem ten temat kiedyś na termie elektrycznej i pomny tego używam na zmianę zasobnika cwu lub podgrzewacza gazowego. jesli chodzi o obiegi c.o.to troche spatolone wiem :( dzięki za cierpliwość zerknij proszę jeszcze na to To jest moje aktualne rozmieszczenie rur od zasilania jak to sensownie ogarnąć. Czy to obejście grawitacyjne z pompką jest potrzebne? Całość kotłowni łącznie z gazówką znajduje się w piwnicy, na strychu naczynie wzbiorcze. Na parterze głównie podłogówka na górze tylko w łazience. Jak coś to mogę wstawić fotki poglądowe na kotłownię.
marsiko Opublikowano 17 Października 2013 Autor #16 Opublikowano 17 Października 2013 - jakie temperatury panują w Twojej instalacji ? 50-60 - te prostokąty przekreślone to zawory zwrotne? tak
Gość mak Opublikowano 18 Października 2013 #17 Opublikowano 18 Października 2013 DZIĘKI :rolleyes: Takie było założenie. Zaczynam poważnie myśleć o zamianie na kocioł kondensacyjny jednofunkcyjny z wbudowanym zaworem trójdrogowym i sterownik pokojowy(odpięcie czujnika zew.) przerabiałem ten temat kiedyś na termie elektrycznej i pomny tego używam na zmianę zasobnika cwu lub podgrzewacza gazowego. wiem :( dzięki za cierpliwość zerknij proszę jeszcze na to To jest moje aktualne rozmieszczenie rur od zasilania jak to sensownie ogarnąć. Czy to obejście grawitacyjne z pompką jest potrzebne? Całość kotłowni łącznie z gazówką znajduje się w piwnicy, na strychu naczynie wzbiorcze. Na parterze głównie podłogówka na górze tylko w łazience. Jak coś to mogę wstawić fotki poglądowe na kotłownię. Powielasz błędy o których pisałem ( znowu podłączenie gazówki przez wymiennik) i popełniasz nowe np sposób podłączenia naczynia
marsiko Opublikowano 19 Października 2013 Autor #18 Opublikowano 19 Października 2013 instalacje robił mi hydraulik z wieloletnim doświadczeniem w zawodzie i posiadający autoryzację od Junkersa Mam bardzo mało miejsca w kotłowni i próbował upchnąć to wszystko w jednym miejscu.
automatyk Opublikowano 19 Października 2013 #19 Opublikowano 19 Października 2013 kolego o jakim ty doświadczeniu piszesz ,rozumiem pierwsze luty z kotła na twardo ale po kiego grzyba pozostała część instalacji jest ugoblona na twardo? przecież to skraca żywotność miedzi jeśli tam płynie woda ,no chyba ze spawał w osłonie azotu
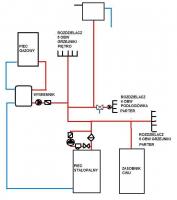
dako1970 Opublikowano 19 Października 2013 #20 Opublikowano 19 Października 2013 kociol na paliwo stale układ otwarty ,naczynie pod sufitem w kotłowni ,rura do naczynia pion bez zadnych zaworow,trójnik z odejsciem na: pompę kotlowa + wymiennik,pompę ładującą c.w.u. kociol gazowy i cała instalacja układ zamknięty oba układy łączy wymiennik płytowy instalacja w skrócie
Gość mak Opublikowano 20 Października 2013 #21 Opublikowano 20 Października 2013 instalacje robił mi hydraulik z wieloletnim doświadczeniem w zawodzie i posiadający autoryzację od Junkersa Mam bardzo mało miejsca w kotłowni i próbował upchnąć to wszystko w jednym miejscu. Kocioł gazowy wcale nie musi być zamontowany w kotłowni. Podejrzewam że kotłownie masz zaprojektowaną pod kocioł gazowy a na siłę chcesz upchnąć dwa kotły co może zakończyć się porażką (patrz wymagania dla pomieszczenia kotłowni) i będziesz płakał że kominiarz nie chce odebrać kotłowni
Rekomendowane odpowiedzi
Zarchiwizowany
Ten temat przebywa obecnie w archiwum. Dodawanie nowych odpowiedzi zostało zablokowane.