mpendzik
Stały forumowicz-
Postów
256 -
Dołączył
-
Ostatnia wizyta
Typ zawartości
Forum
Wydarzenia
Blogi
Artykuły
Treść opublikowana przez mpendzik
- Poprzednia
- 4
- 5
- 6
- 7
- 8
- 9
- 10
- Dalej
-
Strona 9 z 10
-
Rury są z plastiku i nie są izolowane, ale dotykając je ręką czuje się tylko lekkie ciepło.... jak pracuje pompa to wtedy są cieplejsze. Dziwi mnie fakt że ta cyrkulacja działa nawet bez pompy... powinno tak być ?? Pozdrawiam
- 23 odpowiedzi
-
- Instalacja co cwu
- Bojler
-
(i 1 więcej)
Oznaczone tagami:
-
Zawory bezpieczeństwa i zawory zwrotne...
-
Fizycznie temp. spada w zasobniku - dosłownie po 5 minutach z 55st. robi się 54 a później to w ciągu 20 minut spada o 3 stopnie. Gdy zakręciłem zawór temp. utrzymuje się przez 3 godz. a jak się nie korzysta z wody to i dłużej.... PozDr.
- 23 odpowiedzi
-
- Instalacja co cwu
- Bojler
-
(i 1 więcej)
Oznaczone tagami:
-
Witam serdecznie. Mój problem z bojlerem który krótko trzyma temp. się w sumie rozwiązał :-) Zakręciłem zawór przed pompą cyrkulacyjną i teraz jak temp. wody dojdzie do zadanej to co 1 godz. spada o 1 stopień - czyli chyba w normie... Ale mam pytanie odnośnie tej cyrkulacji - co trzeba zrobić żeby ona tak nie wychładzała bojlera ?? Nawet jak wyłączyłem pompę z kontaktu to i tak woda w bojlerze stygła bardzo szybko - dopiero fizyczne zakręcenie zaworu dało efekt... Czy można przed pompą cyrkulacyjną dać jakiś zawór zwrotny ?? - obok pompy CO i CWU zauważyłem że są zawory - jak myślicie ??
- 23 odpowiedzi
-
- Instalacja co cwu
- Bojler
-
(i 1 więcej)
Oznaczone tagami:
-
Nie wiem co mam za Palnik, kocioł to PER EKO KSR 17Kw a podajnik ze ślimakiem to pancerpol... Cykl podtrzymania mam co 20 minut - co 20 minut ustawione podawanie paliwa na 5s.+ opóźnienie nadmuchu 15s. Nie wiem jak to powinno być - zauważyłem że zanim temp spadnie poniżej zadanej, piec trzy razy zadziała podczas podtrzymania żeby sobie przedmuch zrobić... W ogóle to czy w tym całym przedmuchu chodzi o to żeby jak najdłużej był piec w podtrzymaniu i nie spadał poniżej temp. zadanej ?? Czy tylko chodzi żeby utrzymać żar maxymalnie długo jak się da... ? A u Was jak piec robi co jakiś czas przedmuch - to czy po tym przedmuchu temp rośnie czy stoi w miejscu ?? No i jeszcze jedno :-) Węgiel mi się nie dopala z jednej strony retorty i teraz mam pytanie - czy trzeba uszczelnić ?? Bo jak piec pracuje normalnie to żar jest wszędzie... Sam już nie wiem. Dziękuje z góry za podpowiedź. Pozdrawiam serdecznie.
-
No ale to chyba trochę nielogiczne.... No bo jak teraz mam zadaną 57 to długi czas temp będzie poniżej tej zadanej - zanim spadnie do 52 to trochę zejdzie a w między czasie grzeje się praktycznie cały czas CWU.. więc to grzanie cwu wtedy nic nie daje, bo temp zadana w tym sterowniku (ST-37) w trybie letnim = temp zadanej wody w bojlerze....
-
Witam serdecznie Walczę cały czas z ustawieniami i chyba poległem :-) Mianowicie kocioł jeżeli jest w trybie pracy to spala paliwo, ale jak jest w podtrzymaniu to z jednej strony retorty zostaje niespalony węgiel i później spada do popielnika... Myślałem że może trzeba doszczelnić retortę, ale przecież w trybie pracy wszystko jest ładnie - pali się wszędzie z każdej strony... Co mogę zrobić żeby ten węgiel się spalał w podtrzymaniu ? - zwiększyć czas podtrzymania - mam teraz 20 minut... I jeszcze jedno - kiedy powinien nastąpić krótki przedmuch w podtrzymaniu ?? Wtedy gdy temp. na piecu zaczyna spadać do zadanej - bo zawsze mam tak że jak dojdzie do temp. zadanej to rośnie o 2 - 3 stopnie a później spada - przedmuch włącza się mniej więcej jak temp jest większa o 1st. od zadanej ... ale po przedmuchu temp. nie rośnie - nawet jak nie pracuje pompa CWU... Proszę o jakieś wskazówki. Z góry dziękuję. P.S. Może trochę głupie pytanie. Histerezę kotła mam ustawioną na 2st. - można ją zmienić na 1 st. - da to coś ? :-)
-
Wielkie dzięki za obszerne wytłumaczenie. Widzę, że czeka mnie jeszcze daleka droga do osiągnięcia jakiegoś zadowalającego wyniku. Do tej pory myślałem że w podtrzymaniu chodzi o to żeby kocioł jak najrzadziej pracował - tzn żeby temp nie spadała poniżej zadanej... teraz trochę więcej rozumiem więc na pewno jakieś wnioski wyciągnę. Jeszcze raz bardzo dziękuję i pozdrawiam serdecznie.
-
No to trochę się uspokoiłem. Zmniejszyłem wczoraj czas podtrzymania z 15 na 11 minut i w sumie w ciągu dnia temp. spadła dwa razy poniżej zadanej o jeden stopień, ale po paru minutach powracała na właściwy poziom. Zauważyłem tylko to że temp w czasie podtrzymania jest wyższa o 3 -4 stopnie od zadanej, ale dzieje się to w chwili kiedy pompa CWU przestaje pracować... Więcej niż 6 stopni nie przekroczyło... Dziękuje i pozdrawiam.
-
No właśnie - ja nie mam stożka - próbowałem kiedyś zwiększać paliwo ale wtedy nie spalało się całe - i teraz pali mi się na płasko. Z tego co Kolega mówi wynika że muszę skrócić czas podtrzymania - tylko dziwi mnie to że nie którzy mają ustawiony ten czas nawet na 60 min. Od czego to zależy ?? P.S. Czy można rozszczelnić np. drzwiczki od popielnika ?? w celu lepszego dopływu powietrza ??
-
To dlaczego u mnie nie żarzy się cały mocno tylko tak miejscami ledwo co widać jakby pod spodem??
-
Witam serdecznie Jak u Was wygląda proces spalania w "podtrzymaniu" i jak długo u Was wytrzymuje piec w tym stanie grzejąc np. tylko CWU ?? U mnie jest tak że podtrzymanie mam ustawione na 15 minut - w tym czasie jeżeli pracuje pompa CWU to trwa trzy cykle - za czwartym już temp spada i piec chodzi około 5 minut normalnie aż osiągnie temp. zadaną - później znowu to samo... Podczas pracy w podtrzymaniu widać na retorcie żar - ale nie wygląda on tak jak podczas palenia z dmuchawą - tzn nie "świeci:" się na całej retorcie, tylko gdzieś tam zboku widać żar, albo z tyłu - nieraz też widzę nie dopalone kawałki groszku po jednej stronie retorty... nie wspomne już o większym dymieniu wewnątrz paleniska w podtrzymaniu... Zastanawiam się czy nie rozszczelnić drzwiczek od popielnika na dole (podobno nie wskazane w piecach na eko groszek) - zrobiłem tak na próbę i dymienie znacznie zmalało... Wiem że to teoretycznie przez brak powietrza, ale przecież piec nie zassie powietrza przez wyłączoną dmuchawę - więc co wtedy ?? Liczyć na ciąg kominowy ?? Jak to u Was wygląda??. Normalnie jak piec pracuje to płomień żółty i nie dymi... a jak chodzi w podtrzymaniu to jak otworzę drzwiczki od paleniska to wylatuje trochę dymu - no chyba że to zrobię powolutku, to wtedy widać jak chce wylecieć, ale zaraz go zasysa do pieca.... Mój piec to Per Eko 17KW czas podawania 9, przerwa w podawaniu 24, podtrzymanie 15min, praca w podtrzymaniu 10 sek, opóźnienie nadmuchu w podtrzymaniu 4 s. Pozdrawiam
-
To spróbuję ją wyłączyć i zobacze jak wtedy będzie.... Pozdrawiam i dziękuję za odpowiedź.
-
P.S A czy jeżeli mam pompę cyrkulacyjną i włącza się ona 5 razy dziennie to czy to powoduje takie wystudzanie bojlera ?
-
Tak też mi doradził fachowiec do którego dzwoniłem wczoraj - ma zajrzeć do mnie w sobotę i zobaczyć o co chodzi... Może wreszcie wszystko się wyjaśni.. Dzięki i pozdrawiam.
-
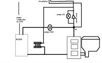
Rozumiem... A więc muszę wezwać fachowca, bo zaworu zwrotnego jako tako nie widzę - jest chyba zawór bezpieczeństwa który pełni rolę tego zaworu. Taki zielony zawór ze strzałką w jedną stronę mam tylko przed pompą CO - a przed pompą CWU nie mam takie czegoś... Dzięki i pozdrawiam
-
To ciśnienie aż tak może wzrosnąć ?? Myślałem że raczej nic się nie powinno stać - bo w sumie dużo ludzi tak robi... zakręcają na rozdzielaczu albo po prostu wyłączają pompę CO i mają "tryb letni" :-) A jakby na kablu od pieca do pompy CO wstawić wyłącznik i ją poprostu z palca wyłączyć ?? Sterownik i tak ją włączy bo chyba nie będzie wiedział nic o tym wyłączniku... Pozdr.
-
czyli zacznę od wymiany tego zaworka i zobaczę co się będzie działo... A chciałem się zapytać jeszcze o jedną rzecz. Co by się stało gdybym przełączył sterownik z trybu letniego na zwykły i po prostu pozamykał rozdzielacze ?? Mógłbym wtedy ustawić wodę na 50 a temp na piecu na 60st... Czy coś by się mogło stać ?? Pozdrawiam i dziękuję serdecznie za odpowiedź.
-
No właśnie - woda tak jakby sama z siebie stygnie - czy to oznacza że bojler może być uszkodzony ?? Bojler firmy Galmet 200l. - a czy uszkodzony zawór bezpieczeństwa może to powodować ?? PozDrawiam.
-
Witam serdecznie Chciałem się Was zapytać o jedną rzecz która nie daje mi spokoju... Podczas gdy odkręcam ciepłą wodę w kranie to przy bojlerze słychać takie "terkotanie" - wydaje mi się że to w okolicy zaworu bezpieczeństwa... a sam bojler zachowuje się raczej dziwnie - nie wiem - może mi się tylko tak wydaje ale opisze co i jak. Piec mam Per eko 17KW ze sterownikiem Tech st-37. Piec działa w trybie letnim. Ustawiona temp. zadana jest jednocześnie temp. do jakiej ma się podgrzać ciepła woda w bojlerze 200l. Ustawioną ,mam temp. 52st. Woda dochodzi do tej temp. dwa razy dziennie - tzn. w nocy i do południa kiedy wszyscy są w pracy. Niepokoi mnie to, że zaraz po osiągnięciu przez bojler temp. zadanej temp szybko spada - tzn. po 10 minutach o jeden stopień w dół, a później w ciągu 1godz. spada o 3-4 stopnie mimo że nie korzysta się z wody ciepłej. Histeraze mam ustawioną na 4 stopnie. a temp. załączenia pomp na 50st. Czy coś jest nie tak ?? Czy może tak powinno być ?. Wcześniej jak piec działał normalnie - tzn w trybie priorytet bojlera to ustawiałem sobie temp. na piecu 60st a wody 45 i szybko woda się zagrzała.... no i jak nie paliłem w piecu to woda przez 2 dni była ciepła. Teraz raz w tygodniu z zaworu bezpieczeństwa sączy się woda - ale tylko z niedzieli na poniedziałek :-) W pozostałe dni tygodnia jest raczej spokój - ciśnienie z wodociągów to 3 bar także chyba w normie - może z wodociągów zwiększają wtedy ciśnienie ?? Proszę o jakieś opinie P.S. Jeszcze jedna dziwna rzecz - piec w ciągu 9 dni grzejąc tylko samą wodę spalił 90kg eko - groszku - to chyba za dużo ?? jak Wam się wydaję Pozdrawiam serdecznie i czekam niecierpliwie na odpowiedzi.
-
Kapie Z Zaworu Bezpieczeństwa Bojlera
mpendzik odpowiedział(a) na mpendzik temat w Instalacje CO i CWU
No właśnie mam na początku instalacji z zimną wodą zawór zwrotny a przy bojlerze tam gdzie woda zimna wchodzi znajduje się ten zawór bezpieczeństwa który raz kapie a raz nie... i nie wiem od czego to jest uzależnione.... Hydraulik był i wkręcił manometr i wyszło że ciśnienie w instalacji wody wynosi trochę ponad 3 bar więc nie montował reduktora... Pozostało więc chyba to naczynie zamontować. A jeszcze zauważyłem że nieraz jak się odkręci na górze ciepłą wodę to w bojlerze coś tak buczy / skrzeczy.... czy to normalne ?? P.S. Wiem że to nie na temat, ale czy u was w kotłach też tworzy się na ściankach wewnętrznych paleniska taki czarny baranek - nie wiem czy to pył czy sadza... i za bardzo nie znam przyczyny - może ktoś mi podpowie od czego to się tak brudzi. Pozdrawiam serdecznie. -
Kapie Z Zaworu Bezpieczeństwa Bojlera
mpendzik odpowiedział(a) na mpendzik temat w Instalacje CO i CWU
No bo instalator nic mi nie mówił o naczyniu przeponowym, tylko o tym że wstawi reduktor ciśnienia i będzie dobrze... Nie zauważyłem żeby ciśnienie było jakoś duże - woda z kranów leci normalnie... nawet powiedziałbym mogła by mocniej lecieć. Jak podgrzewam wodę i odkręcę głowicę termostatyczną na którym kolwiek grzejniku na dole to nic nie kapie - tylko zakręcam bo po co ma mi grzać w domu :-) i to jeszcze latem... Jak zakręcę grzejniki lub rozdzielacz na powrocie -bo podgrzewa mi powrót ... - ( tzn woda która wraca z bojlera do pieca zahacza o rurkę która łączy powrót z rozdzielacza i tą rurką, n o i ta woda ciepła powoli pnie się tą rurką do góry do rozdzielacza - a później do grzejników które są na dole - aczkolwiek wyżej niż poziom kotłowni o jakiś metr.... ) to zaczyna powolutku kapać. Dlatego wydaje mi się że może ten reduktor ciśnienia to wstawić przed zaworem bezpieczeństwa ???? Można tak zrobić ? -
Kapie Z Zaworu Bezpieczeństwa Bojlera
mpendzik odpowiedział(a) na mpendzik temat w Instalacje CO i CWU
A czy no naczynie przeponowe to trzeba zainstalować przy bojlerze za zaworem bezpieczeństwa , czy przed ?? Czy może w dowolnym miejscu na rurze gdzie doprowadzona jest woda z sieci wodociągowej ? Pozdrawiam -
Witam serdecznie Zauważyłem ostatnio kapanie z zaworu bezpieczeństwa, który zamontowany jest na dole w miejscu gdzie dopływa do niego zimna woda.... Dotychczas wszystko było dobrze, ale w związku z tym że podgrzewając wodę grawitacyjnie szło mi na grzejniki , to postanowiłem zakręcić rozdzielacz ( dokładnie powrót rozdzielacza) i wtedy zaczęło kapać... Czy to znaczy że potrzebuje reduktor ciśnienia zamontować gdzieś za wodomierzem i zaworem anty skażeniowym ? Czy może muszę zamontować naczynie przeponowe?... Wyczytałem gdzieś żeby się tym nie martwić bo podobno to ciśnienie które się zwiększa pod wpływem temp. musi gdzieś się wyrównać i za pomocą tego zaworu właśnie zachodzi to zjawisko... Jak byście poradzili ??? Pozdrawiam
-
Grzeje Wodę I Przy Okazji Grzejniki
mpendzik odpowiedział(a) na mpendzik temat w Instalacje CO i CWU
Wszystko jasne. Dziękuje serdecznie za odpowiedź.
- Poprzednia
- 4
- 5
- 6
- 7
- 8
- 9
- 10
- Dalej
-
Strona 9 z 10
