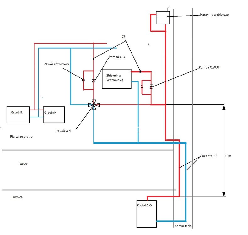
Robson88 Opublikowano 20 Października 2019 #1 Opublikowano 20 Października 2019 Witam Jako że muszę sam zmodernizować instalację C.O bo jak może niektórzy czytający forum wiedza że fachowcy którzy byli poprzednio delikatnie mówiąc spartolili to jeszcze raz proszę was o pomoc. Jako że mieszkam na pierwszy piętrze a kocioł jest w piwnicy muszę doprowadzić rurki do mieszkania przez komin tech, ze względu na trudności w przeprowadzeniu rur i już zamontowany Zbiornik CWU w mieszkaniu Czy coś stoi na przeszkodzie aby podłączyć układ w sposób jak na rys odległość między zaworem 4d a kotłem to ok 10 m rury. Czy przewody łączące sterownik z pompami oraz czujnikami temp. można wydłużyć? Czy raczej cały osprzęt zawory i zbiornik powinien być jak najbliżej kotła? Dodam że kocioł ma dodatkowe otwory na osobne podłączenie C.W.U i chyba naczynie przelewowego. Kocioł to Malina premium 15 kw a sterownik to skzp-02 Proszę o poradę i ewentualne poprawki schematu
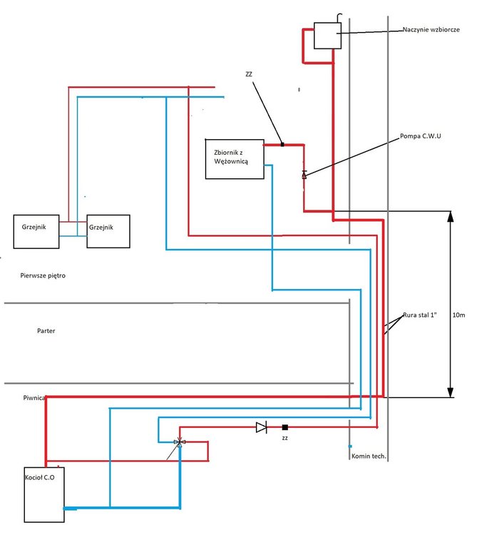
sambor Opublikowano 20 Października 2019 #2 Opublikowano 20 Października 2019 Zaw 4-D musi być przy kotle, ew może być tam gdzie chcesz dać, tylko trzeba zastosować pompę kotłową na powrocie z zaw 4-D. Tu musisz przemyśleć i przekalkulować co się bardziej opłaca, wg mnie pompa kotlowa jest bardziej optymalna. Zaw różnicowe nie są potrzebne.
Robson88 Opublikowano 20 Października 2019 Autor #3 Opublikowano 20 Października 2019 Ok czyli dodatkowa pompa rozwiązała by sprawę? A jakiej mocy mniej więcej powinny być pompy? oraz czy nie ma przeciwskazań aby wydłużyć przewody sterujące pompami i czujniki temp. Mogę tez przenieść wszystko do piwnicy zrobię w układzie zamkniętym z zaworem regulus dbv 1 (4 rurki w Kominie)tylko boję się że zanim woda dopłytnie ze zbiornika cwu do kranu to już się wystudzi. Trzeci opcja do przenieść zawór 4d i pompę c.o do piwnicy a zbiornik zostawić w mieszkaniu też 4 przewody w kominie ale instalacja wtedy w PP poza rurą do naczynie wzbiorczego. Coś ja na schemacie Czy dobrze kombinuję? Pozdrawiam
sambor Opublikowano 20 Października 2019 #4 Opublikowano 20 Października 2019 Jak pójdziesz w to pierwsze rozwiązanie z pompą kotłową na powrocie z 4-D ,i zaw 4-D w mieszkaniu to powinno być OK. Przewody od czujników można przedłużyć przewodem 2x0,5mm2 - 2x0,75mm2 o 20-50m bez problemów, jak dalej to już 2x1mm2.
Robson88 Opublikowano 20 Października 2019 Autor #5 Opublikowano 20 Października 2019 Ok w tym kierunku bedę kombinował :) A co zrobić z dodatkowymi króćcami? wystarczy zaślepić ?
sambor Opublikowano 20 Października 2019 #6 Opublikowano 20 Października 2019 W jeden króciec na pewno daj zaw bezpieczeństwa 1,5 bar, a drugi zaślep
Robson88 Opublikowano 21 Października 2019 Autor #7 Opublikowano 21 Października 2019 Witam Potrzebuję porady mam na kotle 4 wyjścia 2x1" ; 1i1/2 " i 3/4 cala W jeden tak jak mówił sambor dam zawór bezpieczeństwa a ten duży zredukuję na 1" i poprowadzę rurę wzbiorczą i doprowadzenie do instalacji reszte zaślepię. czy tak będzie bezpiecznie? w instrukcji kotłą pisze aby nie redukować wyjść i się zastanawiam jak to ugryżć Pozdrawiam
Rekomendowane odpowiedzi
Zarchiwizowany
Ten temat przebywa obecnie w archiwum. Dodawanie nowych odpowiedzi zostało zablokowane.