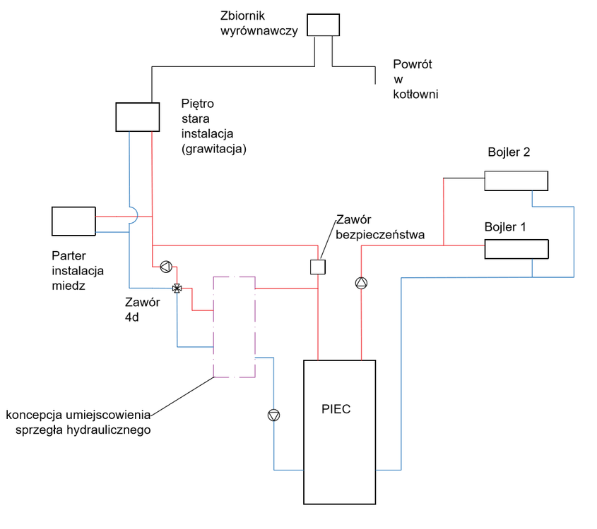
Bulix Opublikowano 9 Grudnia 2018 #1 Opublikowano 9 Grudnia 2018 Witam posiadam instalacje w domu jak poniżej . Instalacja jest połączona z dwóch instalacji, które były w domu ( 2 piece). Na piętro sa stare grube rury na zasadzie grawitacji, natomiast na parter miedź, bez grawitacji. Aktualnie wszystko działa i śmiga. Chciałbym osiągnąć większą temperaturę na powrocie w piecu. Dlatego też, na dniach będę instalował pompę na powrocie CO. Na chwilę obecną pompa CWU chodzi cały czas, ze względu na brak pompy kotłowej. Przechodząc do sedna. Jeżeli w przyszłości zainstalował bym sprzęgło hydrauliczne ( kolor fioletowy) tak jak na rysunku to będzie wszystko działać? Musiałbym zmieniać zawór 4d na 3d czy może pozostać? Jedna pompa na dwie instalacje jest dobrym wyborem przy sprzęgle czy to rozbić na dwa obiegi i dodać pompę? Instalacje bojlerów mogę zostawić, czy coś modernizować? Instalacja jest nowa, taka zaproponował mi hydraulik i tak zrobił. Wyjścia z pieca i powroty w piecu są połączone.
TOMA1 Opublikowano 9 Grudnia 2018 #2 Opublikowano 9 Grudnia 2018 A zbiornik wyrównawczy gdzie jest wpięty? Dlaczego chcesz zakładać sprzęgło?
Bulix Opublikowano 9 Grudnia 2018 Autor #3 Opublikowano 9 Grudnia 2018 Zbiornik jest wpięty juz za instalacja pietra jako najwyższy punkt. 42 minuty temu, TOMA1 napisał: Dlaczego chcesz zakładać sprzęgło? Pozwala zróżnicować natężenia przepływu wody grzewczej i złagodzić wpływ pracy odbiorników ciepła na źródło ciepła. Dodatkowo podwyższa temperaturę powrotu wody grzewczej , dzięki czemu dbamy o żywotność pieca. Przykład nr1: Przykład nr2: Przykład nr3: Przykład nr4:
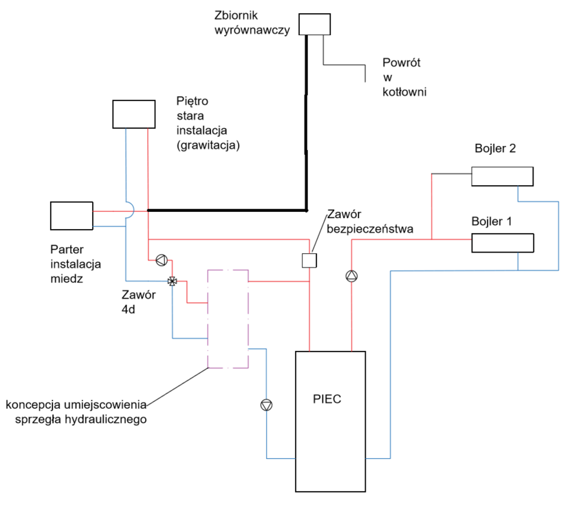
pięknyroman Opublikowano 9 Grudnia 2018 #4 Opublikowano 9 Grudnia 2018 52 minuty temu, Bulix napisał: Zbiornik jest wpięty juz za instalacja pietra jako najwyższy punkt. a czy twój instalator już wie że bierze odpowiedzialność na niebezpieczną instalację czy dopiero raczy go poinformować prokuratura albo INB? zbiornik wyrownawczy powinien być bezpośrednio połączony z zasilaniem i powrotem kotła z pominięciem zaworów a ty masz po prostu spięty go z pionem
Bulix Opublikowano 9 Grudnia 2018 Autor #5 Opublikowano 9 Grudnia 2018 Przeprzwszam wprowadzilem w blad. A odnosnie reszty zadan ktos cos wie?
TOMA1 Opublikowano 9 Grudnia 2018 #6 Opublikowano 9 Grudnia 2018 Na tym schemacie zbiornik wyrównawczy dalej zle wpięty .W twojej instalacji nie potrzebujesz sprzęgła, do ochrony powrotu będziesz miał pompę kotłową .Napisz jaki masz kocioł.
Gość Digitrax Opublikowano 9 Grudnia 2018 #7 Opublikowano 9 Grudnia 2018 W tej instalacji nie potrzeba też zaworu 4D. Jak będzie pompa kotłowa to wystarczy zawór 3D z siłownikiem który będzie sterowany pogodowo. Naczynie otwarte MUSI być połączone bezpośrednio do wyjścia kotła z pominięciem wszystkiego co zmniejsza średnicę wewnętrzna rury poniżej 25 mm.
Bulix Opublikowano 9 Grudnia 2018 Autor #8 Opublikowano 9 Grudnia 2018 Na tym schemacie zbiornik wyrównawczy dalej zle wpięty .W twojej instalacji nie potrzebujesz sprzęgła, do ochrony powrotu będziesz miał pompę kotłową .Napisz jaki masz kocioł.Kocioł 20 kW z retorta do 25Wysłane z mojego MI 5s Plus przy użyciu Tapatalka
Bulix Opublikowano 9 Grudnia 2018 Autor #9 Opublikowano 9 Grudnia 2018 W tej instalacji nie potrzeba też zaworu 4D. Jak będzie pompa kotłowa to wystarczy zawór 3D z siłownikiem który będzie sterowany pogodowo. Naczynie otwarte MUSI być połączone bezpośrednio do wyjścia kotła z pominięciem wszystkiego co zmniejsza średnicę wewnętrzna rury poniżej 25 mm. Aktualnie jest zawor 4D z silownikiem. Steruje nim Skzp-02 w wersji full, łącznie z pogodowka i czujnikiem pokojowymWysłane z mojego MI 5s Plus przy użyciu Tapatalka
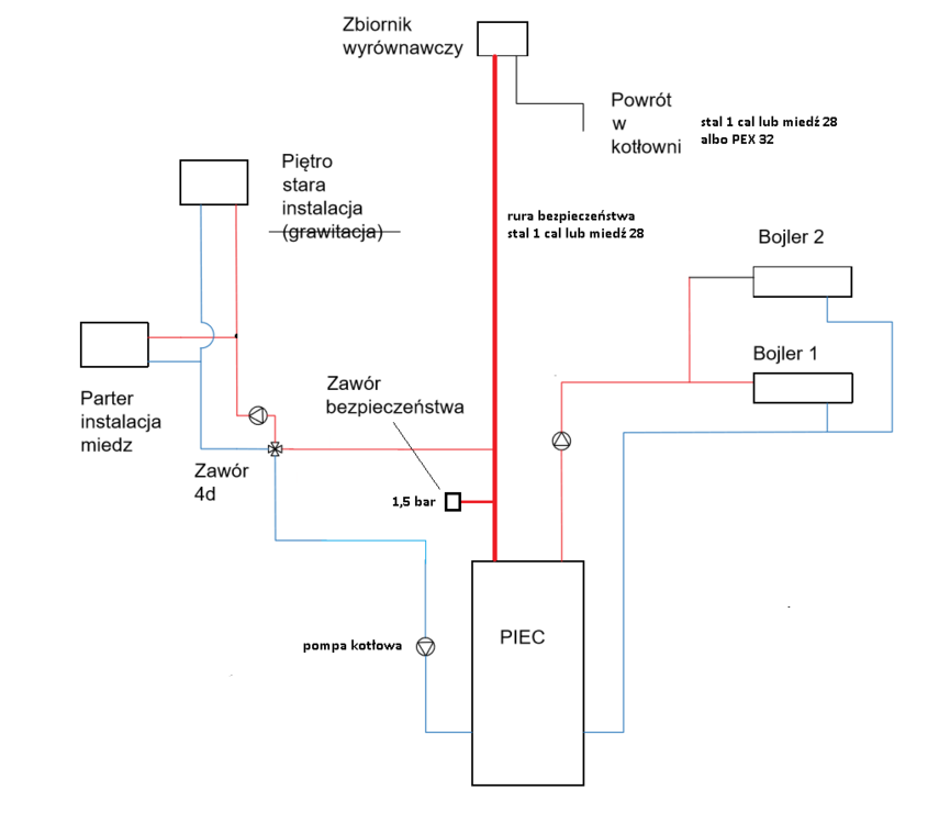
Gość Digitrax Opublikowano 9 Grudnia 2018 #10 Opublikowano 9 Grudnia 2018 To jak masz już zawór 4D to najtańszym kosztem będzie modyfikacja zgodna z załączonym rysunkiem.
Bulix Opublikowano 9 Grudnia 2018 Autor #11 Opublikowano 9 Grudnia 2018 Czyli rozumiem Panowie, że po za zbiornikiem wyrównawczym instalacja jest dobrze w miarę wykonana i odradzacie instalację sprzęgła w moim przypadku tak?W każdym bądź razie, dziękuję za cenę uwagi. Wysłane z mojego MI 5s Plus przy użyciu Tapatalka
Gość Digitrax Opublikowano 9 Grudnia 2018 #12 Opublikowano 9 Grudnia 2018 Tak. Pamiętaj by przed każdą pompą był filtr skierowany sitkiem do dołu a za pompą zawór zwrotny. Nic więcej przerabiać wtedy nie musisz.
Rekomendowane odpowiedzi
Zarchiwizowany
Ten temat przebywa obecnie w archiwum. Dodawanie nowych odpowiedzi zostało zablokowane.