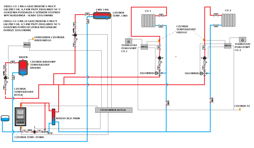
VirtualKris Opublikowano 22 Listopada 2018 #1 Opublikowano 22 Listopada 2018 Witam wszystkich forumowiczów. To jest mój pierwszy post na tym forum. Przez ostatnie dwa tygodnie zgłębiam temat wykonania (przerobienia) kotłowni i sterowania automatycznego dla instalacji ogrzewającej dom (CO i CWU) oraz grzejącej basen w okresie letnim. Źródłem ciepła jest kocioł Cichewicz COMPACT 20 (pellet), instalacja jest teraz wykonana w obiegu zamkniętym, wszystkie pomieszczenia są ogrzewane grzejnikami aluminiowymi, ostatnio dołożyłem wymiennik do ogrzewania basenu i to jest powód do przerobienia instalacji w kotłowni. Zależy mi na: 1. priorytetowej ochronie powrotu kotła z możliwie stabilną temperaturą powrotu na poziomie nie niższym niż 55 C 2. niezależnym automatycznym sterowaniu grzejnikowymi obiegami CO1 i CO2 z wykorzystaniem termostatów pokojowych i czujnika temperatury zewnętrznej (jeden obieg wychładza się dużo szybciej od drugiego i muszą pracować niezależnie) Opis obiegów jest w załączonym schemacie. 3. ładowaniu wymiennika CWU do zadanej temperatury wody użytkowej 4. grzaniu basenu do zadanej temperatury wody basenowej (podobna zasada działania jak przy CWU) – basen jest grzany tylko latem Aktualnie dysponuję już (w mojej obecnej kotłowni) zaworem 4-drogowym 5/4 z siłownikiem, pompami obiegowymi (5 szt.) i chciałbym te elementy wykorzystać w czasie przeróbki. Jeśli to możliwe, nie chciałbym wykonywać tej instalacji na sprzęgle. Nie załączam aktualnego schematu, ponieważ dopuszczam całkowite przerobienie kotłowni. Po analizie informacji jakie wyczytałem na różnych forach, narysowałem załączony schemat wykorzystujący zawory mieszające z siłownikami. To jest schemat uproszczony. Pominąłem w nim odpowietrzanie, zawory spustowe i dopuszczające wodę, manometry itp. Chciałbym Was zapytać czy nie popełniłem w nim błędów w instalacji hydraulicznej. Czy co do zasady takie wykonanie będzie miało szansę na zadziałanie? Na temat podłączenia i doboru sterowników i modułów elektronicznych porozmawiam z producentem sterownika kotła. Chciałbym skupić się bardziej na przepływach czynnika grzewczego. Bardzo proszę o Wasze uwagi i pytania. Z góry dziękuję za pomoc.
sambor Opublikowano 22 Listopada 2018 #2 Opublikowano 22 Listopada 2018 Schemat jest zły, poszukaj układu ze sprzęgłem,
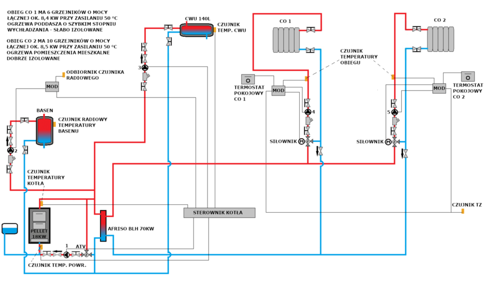
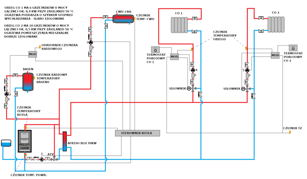
VirtualKris Opublikowano 24 Listopada 2018 Autor #3 Opublikowano 24 Listopada 2018 Zrobiłem inny schemat z wykorzystaniem sprzęgła hydraulicznego. Pompy: nr. 1 to Weberman 25-40-180, ustawiona na 3 bieg, praca ciągła nr. 2 to Weberman 25-40-180, ustawiona na 3 bieg, praca tylko latem nr. 3 to Weberman 25-40-180, ustawiona na 3 bieg, praca latem i zimą nr. 4 to Halm HUPA-Solar 25-4,0 U 180, ustawione na 2 bieg, praca zimą nr. 5 to Halm HUPA-Solar 25-4,0 U 180, ustawione na 1 bieg, praca zimą Sprzęgło rozważam to, które wpisałem w schemacie lub inne mocy 40KW z kolektorem x4. Czy teraz jest poprawnie?
sambor Opublikowano 24 Listopada 2018 #4 Opublikowano 24 Listopada 2018 Można i tak, ale lepiej będzie jak grzanie CW i basenu dasz wprost z kotła - tego nie poprawiłem Są też potrzebne zaw zwrotne na powrocie każdego obiegu z zaw 3D- to masz poprawione na rys Z biegami pomp to dojdziesz do ładu w praktyce, ale wg mnie te webermany to na 2 bieg , to max.
VirtualKris Opublikowano 25 Listopada 2018 Autor #5 Opublikowano 25 Listopada 2018 Poprawiłem schemat. Pozostają pytania: 1. czy dobrze go poprawiłem ? 2. jeśli odejścia zasilenia do basenu i CWU będą przed sprzęgłem to jak będzie wyglądał przepływ kiedy ATV zamknie lub przymknie powrót bo będzie za niski, a pompy 2 lub 3 lub obie naraz będą pracowały ? 3. czy pompa obiegowa kotła 1 powinna mieć wydajność przepływu większą od sumarycznego przepływu pomp obiegowych 2,3,4 i 5 ? Ewentualnie o ile powinna mieć wydajność przepływu większą aby zapewnić ochronę powrotu ? 4. w związku z tym, że pozostał mi zawór 4D z siłownikiem z obecnej instalacji, to czy jestem go w stanie w tym nowym schemacie gdzieś wykorzystać? Np. sterownik kotła może obsłużyć zawór 4D w trybie tylko ochrony powrotu, czy można ten schemat przerobić tak użyć zaworu 4D zamiast ATV i czy to rozwiązanie, jeśli możliwe, było by nie gorsze od tego z ATV ?
sambor Opublikowano 25 Listopada 2018 #6 Opublikowano 25 Listopada 2018 Źle! Miałeś dać powrót pomp 1 i 2 wprost do kotła a nie przez zawór ATV!!!
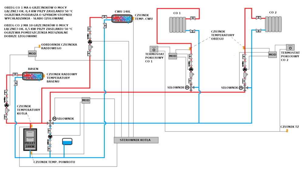
VirtualKris Opublikowano 26 Listopada 2018 Autor #7 Opublikowano 26 Listopada 2018 Poprawiłem schemat. Źle zrozumiałem "wprost do kotła" myślałem, że masz na myśli przed sprzęgłem. 1. czy teraz jest dobrze ? 2. czy pompa obiegowa kotła 1 powinna mieć wydajność przepływu większą od sumarycznego przepływu pomp obiegowych 4 i 5 ? Ewentualnie o ile powinna mieć wydajność przepływu większą aby zapewnić ochronę powrotu ? 3. w związku z tym, że pozostał mi zawór 4D z siłownikiem z obecnej instalacji, to czy jestem go w stanie w tym nowym schemacie gdzieś wykorzystać? Np. sterownik kotła może obsłużyć zawór 4D w trybie tylko ochrony powrotu, czy można ten schemat przerobić tak aby użyć zaworu 4D zamiast ATV i czy to rozwiązanie, jeśli możliwe, było by nie gorsze od tego z ATV ?
sambor Opublikowano 26 Listopada 2018 #8 Opublikowano 26 Listopada 2018 ad 1 - tak, dobrze ad 2 pompa 1 powinna mieć przepływ większy od sumy przepływów pomp 4 i 5 o jakieś 10-20% ale to mniej istotne. ad3 - zaw 4-d na półkę lub na allegro, może tu ktoś go nabędzie - jest dział ogłoszeń na forum.
VirtualKris Opublikowano 26 Listopada 2018 Autor #9 Opublikowano 26 Listopada 2018 Dziękuję bardzo za pomoc. Przystępuję do realizacji :) Zamykam temat.
VirtualKris Opublikowano 3 Grudnia 2018 Autor #10 Opublikowano 3 Grudnia 2018 To jeszcze muszę odkopać ten temat. Czy pompa obiegu kotła nr.1 powinna być sterowana przez sterownik i uruchamiana tylko przy odczycie niskiej temperatury na czujniku powrotu, czy może pracować non-stop. Pytam, bo jeśli ma być koniecznie sterowana, to będę musiał dokupić kolejny moduł do sterownika.
sambor Opublikowano 3 Grudnia 2018 #11 Opublikowano 3 Grudnia 2018 Ta pompa powinna chodzić praktycznie przez cały czas grzania CO zarówno grzejniki i podlogowka . Czyli na dobrą sprawę możesz ją podłączyć wprost do gniazdka.
Rekomendowane odpowiedzi
Zarchiwizowany
Ten temat przebywa obecnie w archiwum. Dodawanie nowych odpowiedzi zostało zablokowane.