Skocz do zawartości
IGNOROWANY

Straty Energii Na Instalacji Co


granata

Rekomendowane odpowiedzi

Opublikowano

Witam,

 

Czy ktoś z Was mierzył lub chociaż obliczał jakie straty pojawiają się na instalacji centralnego ogrzewania? Chodzi mi o straty przesyłowe, a nie sprawność kotła.

 

Moja sytuacja:

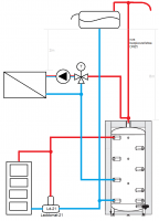
Bufor o pojemności użytkowej ~860L (znamionowo 1000) ogrzewany kopciuchem węglowym przez laddomat. Ocieplenie standard fabryczne (galmet). Instalacja grzejnikowa pex: 4 duże (12-16 elementowe) grzejniki aluminiowe, 2 10 elementowe, jeden 6 elementowy na dole, u góry 3 grzejniki stalowe 2-płytowe 60x120cm, jeden grzejnik 60x60cm i jedna drabinka 50x170cm. Do tego nieocieplony stalowy rozdzielacz DIY.

 

I sytuacja wygląda tak.

1. Bufor nagrzany do 75°C (na górnym, środkowym i dolnym termometrze), przy zamkniętym zaworze wyjściowym na grzejniki, po 24h jego temperatura spada do ok. 60°C. *

2. Bufor nagrzany do 85°C (tak samo góra środek dół), z otwartym zaworem na grzejniki i pracującą pompą, ustawioną temperaturą za pomocą zaworu trójdrogowego na 35°C, wszystkie grzejniki zakręcone na gwiazdkę, zimne. Po 24h temperatura na zbiorniku wygląda z grubsza tak: góra 50, środek niecałe 40, dół niecałe 30°C, czyli uśredniając wychodzi jakieś niespełna 40°C.

 

* - przy tej objętości bufora, zmiana jego temperatury o 1°C odpowiada mniej więcej energii o 1kWh.

 

Straty w sytuacji 1 - 15kWh / doba

Straty w sytuacji 2 - 45kWh / doba

 

To chyba trochę dużo?

 

post-73499-0-58251100-1512743032_thumb.png

 

Pozdrawiam.

Zarchiwizowany

Ten temat przebywa obecnie w archiwum. Dodawanie nowych odpowiedzi zostało zablokowane.

  • Ostatnio przeglądający   0 użytkowników

    • Brak zarejestrowanych użytkowników przeglądających tę stronę.
×
×
  • Dodaj nową pozycję...

Powiadomienie o plikach cookie

Używając tej strony zgadzasz się na Polityka prywatności.