kre Opublikowano 2 Stycznia 2017 #1 Opublikowano 2 Stycznia 2017 Witam! Staram się naprawić / przerobić kotłownię. Niestety została zaprojektowana i wykonana tak, że nie działa zgodnie z oczekiwaniami Zaopatruje ona w ciepło dom, w którym są 3 mieszkania.W kotłowni znajdują się - bufor 800 l, - piec gazowy De Dietrich MCR2 24t (główne źródło ciepła), - piec węglowy (uzupełniająco - wpięty do bufora), - panele solarne (wpięte do CWU i bufora), - zasobnik CWU, - obecnie 1 obieg grzewczy, wszystkie pomieszczenia schodzą się skrzynce rozdzielczej,- wszystko kontroluje jeden indywidualnie programowany sterownik. Piec węglowy jest wykorzystywany okazjonalnie (goście, duże mrozy, etc), głównie działają piec gazowy i solary. W związku z tym, iż korzystanie z bufora wydawało się nieekonomicznym przy korzystanie tylko z kondensacyjnego pieca gazowego i powodowało bardzo dużą bezwładność, zostały dorobione zawory odcinające bufor manualnie. To jednak nie jest optymalne i wygodne rozwiązanie.Chciałbym przerobić instalację tak, by nie było konieczności zmiany nastaw manualnie, podzielić na strefy ogrzewania i zastanawiałem się jak to zrobić minimalizując koszty przeróbki. Narysowałem schemat instalacji obecnie (nie ma na nim naczyń wzbiorczych - ale są zainstalowane). Widać na nim obejście bufora z dorobionymi zaworami kulowymi. Nie do końca rozumiem w jakim celu została zainstalowana dodatkowa pompa dla zbiornika CWU (na schemacie u góry), gdyż tę samą funkcję realizuje pierwsza pompa za zaworem 3D... Narysowałem też schemat z modyfikacjami, które wymyśliłem. Przenosząc jeden zawór 3D na powrót z obiegu CWU/CO i dokładając zawory zwrotne można zrealizować automatyczne odłączanie bufora (automatyka na podstawie ilości zgromadzonego ciepła w buforze i pracy pieca węglowego/solarów). Pozostaje dalej pompa z dołożonym zaworem zwrotnym, zatem funkcja przełączania źródła: bufor/gaz, która była realizowana przez zawór 3D dalej jest realizowana przez pompy. W takim układzie dalej mam możliwość korzystania z bufora w połączeniu z piecem gazowym (np. gdy w buforze jest jakieś ciepło, lecz za mało do grzania samodzielnego). Mam nadzieję, że zmiana wysokości powrotu do bufora tych instalacji (przez ich połączenie) nie wpłynie bardzo na korzystanie z bufora. Obecnie do pompowania wody w obiegu CO wykorzystywana jest pompa w piecu De Dietrich MCR2 24t. Niestety nie jest wystarczająca dla całego domu (3 poziomy). Jednak nie jest to chyba problem, gdyż i tak chcę podzielić instalację na 3 lub 4 niezależne obiegi wykorzystując elektrozawory strefowe 2D (wszystkie kaloryfery schodzą niezależnie do jednej rozdzielni w kotłowni), więc można zaprogramować to tak, by nie działały wszystkie równocześnie, a wówczas pompa powinna dać radę. Można dołączyć sprzęgło i mocniejszą pompę, ale nie wiem czy to jest konieczne, a podnosi koszty. Jeśli jest tu jakiś oczywisty błąd to proszę o sugestie:) Czy jest jakiś konkretny powód dla którego zawór zwrotny instalowany jest za pompą a nie przed i czy faktycznie nie powinien pracować w pionie, tylko w poziomie? W moim przypadku wygodniej byłoby zainstalować jeden przed (mniej przeróbek).Mam też przy okazji pytanie o elektrozawory strefowe: czy ktoś może polecić jakieś przyzwoite i w dobrej cenie? 1/2 lub 3/4 cala. Znalazłem niedrogie z mosiądzu niklowanego (instalacja jest miedziana).Przy tych założeniach przeróbki nie są duże (przełożenie zaworu 3D, dołożeniezwrotnego, likwidacja pompy i dołożenie zaworów strefowych), oczywiście do tego sterowanie, ale to zamierzam wykonać i zaprogramować sam, więc nie ma większego problemu z niestandardowymi rozwiązaniami. Dziękuję z góry za wszelkie sugestie i pozdrawiam, szymon
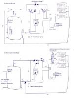
sambor Opublikowano 2 Stycznia 2017 #2 Opublikowano 2 Stycznia 2017 Teoretycznie schemat powinien być inny np wg rys poniżej
kre Opublikowano 2 Stycznia 2017 Autor #3 Opublikowano 2 Stycznia 2017 Dziękuję za schemat! Do czegoś takiego w sumie dążę. Choć zastanawia mnie na tym schemacie to, że ciepła woda z bufora pobierana jest przez piec gazowy - nie ma strat? Czy jest tam jakieś sprytne obejście wężownicy? U mnie niestety piec nie ma osobnego wyjścia na CWU - dlatego zostaje zawór 3D. Czyli obiegi ogrzewania lepiej obsłużyć osobnymi pompami? Jak rozumiem połączenie powrotu z zasilaniem każdej strefy CO jest sprzęgłem? Ale elektrozawór widzę też jest wtedy potrzebny - bo przy wyłączonej pompie powrót będzie się niepotrzebnie podgrzewał przez sprzęgło w nieaktywnej strefie... Czy da się to załatwić zaworami zwrotnymi? Zwrotny w sprzęgle powinien chyba załatwić sprawę zasysania ciepłej wody przez powrót, a działające pompy w pozostałych obiegach CO powinny sprawić, że pompa z pieca raczej nie przepcha wody przez nieaktywny obieg CO? Wolałbym uniknąć dodatkowego 1000zł na zawory z siłownikami, gdy nie są niezbędne... Na schemacie widzę też laddomat na wyjściu z pieca węglowego - faktycznie warto dołożyć tego typu urządzenie? Bufor nagrzewa się dość szybko, więc to nie jest duży problem. Warstwowe ułożenie gorącej wody u góry kusi, ale jak wykorzystać ciepło zgromadzone u góry bufora bez jego mieszania? Słyszałem, że można robić sterowane drabinki powrotne do bufora, które w zależności od temperatury kierują wodę na odpowiedni poziom. Są jakieś prostsze rozwiązania? pozdrawiam, szymon
sambor Opublikowano 2 Stycznia 2017 #4 Opublikowano 2 Stycznia 2017 U mnie niestety piec nie ma osobnego wyjścia na CWU - dlatego zostaje zawór 3D. Kocioł MCR II/24T ma osobne wyjście na grzanie CW i wbudowany zawór 3D przełączający to grzanie. Jak masz jednak tylko 1 wyjście z kotła to poniżej schemat ze sprzęgłem
kre Opublikowano 2 Stycznia 2017 Autor #5 Opublikowano 2 Stycznia 2017 Hmm, może faktycznie ma zawór 3D, choć instrukcja nie jest do końca jasna - muszę zerknąć do środka, zawór zawsze się przyda;) Nie zostało to chyba wykorzystane, ze względu na trudniejsze sterowanie piecem (teraz sterownik działa na zasadzie włącz-wyłącz z jedną wspólną temperaturą dla CWU i CO. Teraz zamierzam sterować nim przez OpenTherm. Tak czy siak zawór 3D na zewnątrz do przełączania CWU/CO też już jest, więc pierwszy schemat jest aktualny. Sprzęgła typowego nie chciałbym instalować - przy tylko jednym uruchomionym obiegu CO pompa w piecu będzie miała większą wydajność i sprzęgło będzie wtedy podnosiło temperaturę powrotu, a tego chciałbym uniknąć przy kondensacie. Zastanawiam się jeszcze tylko, czy przy tym pierwszym schemacie można zrezygnować z elektrozaworów w poszczególnych obiegach CO dokładając zawory zwrotne?
Gość mak Opublikowano 3 Stycznia 2017 #6 Opublikowano 3 Stycznia 2017 Po pierwsze to twój schemat jest do niczego to na pewno działać nie będzie a i sterować tym się nie da. Zawór do przełączania CO/cwu nie jest Ci potrzebny. Zresztą nim zaczniesz wydawać pieniądze odpowiedz sobie na pytanie: Co będzie podstawowym źródłem ciepła? I pod źródło podstawowe buduj instalację. Radzę nie tworzyć...... "cudów na kiju" tylko wykorzystać schematy producentów, szczególnie jak podstawowym źródłem będzie kocioł gazowy. Osobiście część z buforem i kotłem na paliwo stałe bym sobie odpuścił. Instalacja była by prosta i łatwa do sterowania
sambor Opublikowano 3 Stycznia 2017 #7 Opublikowano 3 Stycznia 2017 Ale oprócz firmowych schematów były też na forum działające układy z buforem, kominkiem i kotłem gazowym. A rozwiązanie z grzaniem CWU przez zawór 3-D zewnętrzny jest w kotłach większej mocy np powyżej 35kW, a wtedy musi być sprzęgło i całkiem inna automatyka sterująca. Wiem z doświadczenia, że największym problemem w takim układzie jest sterowanie , a to musi być firmowe danego producenta.
Gość mak Opublikowano 3 Stycznia 2017 #8 Opublikowano 3 Stycznia 2017 .... grzanie cwu przez zewnętrzny zawór 3D jest też w niektórych kotłach Termet. czyli typowy 3D w funkcji rozdzielającej i raczej nie stosowane w kotłach kondensacyjnych . Sambor ale przyznasz że grzanie 800 litrowego bufora kotłem gazowym jest co najmniej wątpliwe jeśli chodzi o ekonomikę. Zresztą tak właśnie jest w schemacie który zamieściłeś, kocioł gazowy nie grzeje bufora (!!!). Ja jestem przeciwnikiem budowania instalacyjnych "dziwolągów" które są bardzo trudne do wykonania jeżeli chodzi o sterowanie. Prawie zawsze odradzam budowania instalacji z kilkoma źródłami ciepła (szczególnie gdy instalacja jest typu mieszanego albo gdy kocioł gazowy jest sterowany pogodowo), bo to drogie i baaaardzo trudne do realizacji i niestety rzadko się udaje. Tak jest i w przypadku autora tematu Decyzja jak zawsze, należy do inwestora. I to on musi wybrać co chce i na co na pieniądze.
kre Opublikowano 3 Stycznia 2017 Autor #9 Opublikowano 3 Stycznia 2017 Dziękuję za zainteresowanie tematem:) Trochę się rozpiszę wyjaśniając. Niestety, albo na szczęście, nie jestem autorem projektu - taką kotłownię zastałem (1 rysunek na moim schemacie), 2 rysunek przedstawia minimalne zmiany, które mają sprawić, że to będzie działać (mam nadzieję) z minimalnymi kosztami przeróbek. Kocioł węglowy, bufor są, mogę je jakoś wykorzystać, albo wywalić ;) Solary są przewymiarowane - potrafią nagrzać w słoneczne dni bufor do 90 stopni - więc zawsze jest jakiś magazyn na pochmurne dni;) Pomagam rodzinie w ogarnięciu tej kotłowni, którą obsługują obecnie 2 panie, jedna z nich 80 letnia. Ze względów ekonomicznych czasem korzystają z węgla. Chcę też zminimalizować konieczność regulacji i manualnych nastaw. Zgadzam się w 100% z mak'iem, że grzanie 800l bufora kondensatem jest zdecydowanie porażką ekonomiczną ;) Do tego pierwotnie podłączone to było tak, że ciepła woda z góry bufora trafiała do kotła gazowego, a poźniej do CO lub CWU i znów do bufora(!!), można więc zapomnieć o kondensacji przy wysokiej temp powrotu na kotle:/ Do tego duża bezwładność i straty na samym buforze, który ma tylko standardową ocieplinę - czyli niewiele... Dlatego też po jakimś czasie ten sam instalator dorobił manualne obejście bufora... 3D z pieca DeDietrich nie został wykorzystany, bo instalator założył zasobnik CWU z 2 wężownicami - 1 na solary, 2ga wspólna dla bufora i kotła gazowego - tu napotkał najwyraźniej problem ze sterowaniem piecem i obecnie działa to tak, że sterownik całości obsługuje kocioł DeDietrich w trybie CO na zasadzie grzej/nie grzej - udając termostat pokojowy, z jedną temperaturą zasilania ustawioną dla CO i CWU (65 stopni - powrót 50), żadnej krzywej, bo by CWU nie dogrzało itp, itd. Ergh... Podpis w stopce Sambora pasuje tu idealnie :D W każdym razie dolny obrazek na schemacie z 1 postu pokazuje to co wymyśliłem, żeby przeróbki były minimalne, a działało ok. Na razie koszty są niewielkie - przełożenie zaworu 3D, dołożenie zaworów zwrotnych. Zostaje mi nawet 1 pompa z obiegu, który nie wiem czemu do końca służył... Tak, sterowanie jest tu kluczowe, ale sterownik akurat robię sam, więc jeśli hydraulicznie będzie to funkcjonować, to mam nadzieję, że będzie ok. Sterownik testowo gada już z kotłem DeDietrich przez protokół OpenTherm - zatem mogę sterować dowolnie zadaną temperaturą dla obiegów CO i osobno temperaturą dla CWU. Zewnętrzny 3D CWU/CO spełni tę samą funkcję co wbudowany w piec, choć to marnotrawstwo dobrego zaworu w piecu :angry: Czy jest on zbędny? Wolałbym go zostawić, bo nie chciałbym np wychładzać CWU przy niskiej temp zasilania CO. 3D na powrocie steruje tylko tym, czy powrót idzie do kotła gazowego czy bufora. Chyba, że coś przeoczyłem? Sterownik gadając z piecem będzie znał też ewentualne kody usterek, ciśnienie w instalacji, poziom modulacji płomienia itp. Da mi to też możliwość kontroli pracy instalacji zdalnie, przez internet. Jeszcze nie zdecydowałem się jak ustalać temperaturę dla obiegów CO - czy przez kompensację czujnikiem zewnętrznym, czy mierząc pobór/zapotrzebowanie na ciepło porównując temperaturę zasilania i powrotu. Raczej wybiorę kompensację temperaturą zewnętrzną. Przez zawór 3D na powrocie z obiegów CWU/CO (tak samo jak w 1 schemacie od Sambora) mogę sterować czy korzystam z bufora, czy tylko z kotła gazowego. Pozostałe ciepło w buforze, gdy już nie korzysta się z kotła węglowego od jakiegoś czasu, za niskie do wykorzystania samodzielnego, chcę wykorzystać do grzania pomieszczeń niską temperaturą, aż się wychłodzi bufor i zużyje całe zmagazynowane ciepło. W "czasie wolnym" niech sobie kaloryfery grzeją nawet niską temp 25-30 stopni, przegrzewając pomieszczenia o np 0,5 stopnia ponad histerezę zadanej przez termostat pokojowy. W ten sposób ta reszta ciepła nie zostanie zamknięta w buforze. Taki zabieg nie jest oczywiście potrzebny jeśli korzysta się ciągle z kotła węglowego, ale tutaj akurat grzanie kotłem nie jest regularne. Tego pomysłu nie mam popartego żadnymi obliczeniami i nie wiem ile się rzeczywiście da odzyskać ciepła w ten sposób, ale myślę, że chyba nic się nie straci. :rolleyes: Pierwszy schemat od Sambora jest bardzo podobny do mojego po modyfikacji - inaczej rozdziela obiegi CO (każdy ma swoją pompę ze sprzęgłem i elektrozaworem). Sprytnie też redukuje ilość komponentów wykorzystując kocioł gazowy i wbudowany w niego zawór 3D do rozdziału ciepła z bufora. Tu mnie tylko zastanawiają ewentualne straty gdy kieruje się gorącą wodę przez nagrzewnicę kotła gazowego? Choć przy wyłączonym wentylatorze może nie jest to żaden problem? pozdrawiam! Podpis w stopce Sambora pasuje tu idealnie :D
sambor Opublikowano 3 Stycznia 2017 #10 Opublikowano 3 Stycznia 2017 W pierwszym schemacie Wolfa nie ma sprzęgła, jest tylko kolektor rozdzielający. W obu tych schematach kocioł gazowy / kondensacyjny nie grzeje bufora, natomiast jak w buforze jest temp wyższa niż temp wody powracającej na kocioł gazowy to droga wody z CO jest przełączana tak aby ciepło było pobierane z bufora. Bufor ma dwa źródła ciepła - solary i kocioł na paliwo stałe.
kre Opublikowano 3 Stycznia 2017 Autor #11 Opublikowano 3 Stycznia 2017 Faktycznie źle napisałem - w schemacie WOLFa nie ma sprzęgła na obwodach CO, jest tylko połączenie powrotu z zasilaniem - uzgadniające chyba przepływy przy dodatkowych pompach? Mój schemat kotłowni po modyfikacji był delikatnie mówiąc do... kiepski;) Skorzystałem ze schematu WOLFa i przerysowałem jeszcze raz mój, trochę uproszczony, po modyfikacji. U mnie dodatkowa pompa omija kocioł gazowy przy pobieraniu ciepła z bufora. Jest już zainstalowana, więc chyba ją zostawię. Choć można by, jak w oryginale WOLFa, skorzystać z pompy i zaworu w kotle gazowym. Nie ma też u mnie, jak w oryginale, zaworu termostatycznego - laddomatu przy kotle węglowym. Ale to już chyba odpuszczę. Dzisiaj sprawdziłem i okazało się, że instalator ustawił pompę w piecu DeDietrich na minimum (?!?). Przestawiłem na max i problem niedogrzewania niektórych pomieszczeń zniknął. Dlatego też chyba zrezygnuję z pomp dla każdego obiegu CO i zostanę tylko przy elektrozaworach. Pompa w MCR/II 24T w zupełności powinna wystarczyć. Dokładam zawory zwrotne i tu jeszcze mam wątpliwości - założyć zwykły calowy grzybkowy ze sprężyną, a może klapowy, czy potrzeba czegoś większego by nie przydławić przepływu,? Nie wiem jak się dobiera te zawory, a słyszałem, że potrafią go znacznie ograniczyć... Studiuję jeszcze rozmieszczenie czujników na schemacie WOLFa, dzięki za niego jeszcze raz! :) pozdrawiam
Rekomendowane odpowiedzi
Zarchiwizowany
Ten temat przebywa obecnie w archiwum. Dodawanie nowych odpowiedzi zostało zablokowane.