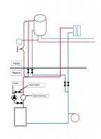
kurkylaib Opublikowano 3 Maja 2016 #1 Opublikowano 3 Maja 2016 Witam wszystkich na forum Posiadam zwykły piec węglowy do którego podpięty jest bojler z wężownicą. Całość jest w obiegu zamkniętym jedna pompka. Jest to prosta instalacja. Moje pytanie co zrobić by obieg c.o. nie wychładzał wody w bojlerze w załączeniu schemat c.o. Proszę o jakieś proste rozwiązanie bym mógł sam to zainstalować.
kiminero Opublikowano 3 Maja 2016 #2 Opublikowano 3 Maja 2016 Grawitacyjnie bojlera nie powinno rozładowywać jeśli szkic odpowiada rzeczywistości. Podejrzewam, że piszesz o sytuacji gdy pompa pracuje na etapie wygaszania kotła. Wtedy temperatura na kotle spada i razem z nią wychładza się bojler. 1. Domontować drugą pompę do CWU i wymienić sterownik na różnicowy. Wtedy przy temperaturze na kotle niższej od tej w bojlerze, sterownik pompy bojlera nie załącza. 2. Spróbuj ustawić wyższy próg załączenia pompy, którą masz. Niech startuje przy 55 st na kotle i wyłącza się przy 50. Problemem może być niestety ten zawór różnicowy, bo może hałasować. To rozwiązanie nic nie kosztuje, więc warto wypróbować.
kurkylaib Opublikowano 3 Maja 2016 Autor #3 Opublikowano 3 Maja 2016 Dzięki za szybką odpowiedz co do pierwszej podpowiedzi to mam pytanie jakiej mocy zainstalować pompę? I jeszcze jedno czy zawór różnicowy mam wywalić?
konopka Opublikowano 3 Maja 2016 #4 Opublikowano 3 Maja 2016 Różnicowego nie ruszaj,co będzie przy braku prądu?Zawsze coś pójdzie grawitacyjnie,co do drugiej pompki to daj typową albo elektrozawór,tylko sterownik musi obsługiwać dwie pompy.
kurkylaib Opublikowano 3 Maja 2016 Autor #5 Opublikowano 3 Maja 2016 Czyli zamiast pompki wystarczy elektrozawór podłączony zamiast pompki do sterownika pieca? Możesz podać jaki to ma być model?
konopka Opublikowano 3 Maja 2016 #6 Opublikowano 3 Maja 2016 Masz na myśli elektrozawór czy sterownik?
kurkylaib Opublikowano 3 Maja 2016 Autor #7 Opublikowano 3 Maja 2016 Pytam o Elektrozawór bo rozumie sterownik który mam przy piecu ma sterować dwoma pompkami
konopka Opublikowano 3 Maja 2016 #8 Opublikowano 3 Maja 2016 http://www.insbud.org/PL/produkty-7656412802260800512-1/Zawory-z-silownikiem.html wystarczy IB7320 to 3/4" otwieranie działa po podaniu napięcia a zamykanie po zaniku napięcia samoczynnie.Podłączasz zamiast pompki cwu jeśli twój sterownik obsługuje ,ja nie wiem.
Rekomendowane odpowiedzi
Zarchiwizowany
Ten temat przebywa obecnie w archiwum. Dodawanie nowych odpowiedzi zostało zablokowane.