Skocz do zawartości
IGNOROWANY

Prośba O Weryfikację Instalacji C.o. I C.w.u. Po Wymianie Kotła I Kilku Modyfikacjach.


camillos

Rekomendowane odpowiedzi

Opublikowano

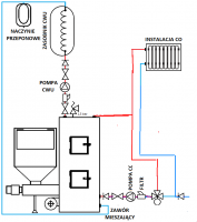
Witam. Proszę o weryfikację przebudowanej instalacji CO i CWU, która powstała po wymianie kotła i modyfikacji jej pod ten właśnie kocioł (dane pieca, domu i instalacji w moim profilu). Moje wątpliwości:

1. Instalator twierdzi, że zawór mieszający rozdziela ciepłą wodę z pieca na C.O. i krótki obieg, już tutaj ciężko mi się z tym zgodzić, bo sama nazwa zaworu to zawór mieszający, ale może się mylę i ma on także możliwość rozdzielania?

2. Zawór mieszający ustawiany jest w dostępnej na nim skali przeważnie w pozycji 0, ponieważ wg mnie wtedy możliwie cała ciepła woda idzie na grzejniki, a w innych pozycjach jest ona mieszana z zimnym powrotem. Tutaj pojawia się druga wątpliwość dotycząca zaworu, ponieważ wg mnie woda wcale nie płynie z niego na powrót pieca, a z powrotu na zawór, co jest dodatkowo wymuszane przez pompkę C.O. w momencie kiedy ona pracuje.

3. Piec przy obecnych temperaturach zewnętrznych (-6 do -8) jest praktycznie bez przerwy w stanie pracy, od wczoraj od około godziny 10 i temperaturze w mieszkaniu 18 stopni, do dzisiaj podniósł temperaturę do trochę ponad 21 stopni w mieszkaniu. Jest to wg mnie spowodowane brakiem ochrony temperatury powrotu, przez co piec wciąż musi ogrzewać wracającą wodę o dużym spadku temperatury w stosunku do wody wypływającej z pieca. Czy mam tutaj rację i taka ochrona powrotu wniosłaby tutaj jakąś poprawę, piec szybciej by się dogrzewał i mniej paliwa potrzebował na osiągnięcie zadanej temperatury w pomieszczeniach?

4. Czy w instalacji, której schemat przesłałem w załączniku powinny znaleźć się jakieś zawory zwrotne?

5. Co należałoby zmienić w tej instalacji, aby uzyskać ochronę temperatury powrotu i uruchomić ten krótki obieg pieca (czy dzięki temu sterownik lepiej/szybciej reagowałby na zmiany temperatury wody w piecu)? Czy np konieczna jest wymiana owego zaworu mieszającego na jakiś rozdzielający i instalacja dodatkowej pompki w krótkim obiegu pieca albo przesunięcie pompki C.O. przed zawór mieszający/rozdzielający?

6. Czy może należałoby wstawić tutaj jakiś zawór 4D? Wg mnie instalacja takiego zaworu jest tutaj zbędna, ponieważ zakładam, że sterownik po dogrzaniu domu do zadanej temperatury na regulatorze pokojowym przejdzie w stan podtrzymania i co pewien ustalony czas będzie przetłaczał ciepłą wodę przez grzejniki, aby te zupełnie nie wystygły, a w razie potrzeby i spadku temperatury w mieszkaniu znowu przejdzie w tryb pracy by ją podnieść, więc nie ma tutaj potrzeby instalacji zaworu kontrolującego/obniżającego temperaturę zasilania C.O.

 

Z góry dziękuję za zainteresowanie moim tematem i udzielenie ewentualnych opinii i podpowiedzi.

post-61239-0-15824200-1419771330_thumb.png

post-61239-0-00842200-1419773135_thumb.jpg

Opublikowano

Witam     

ad 1 i 2 - ten zawór jest zamontowany w funkcji mieszacza, miesza gorącą wodę z kotła z zimną z powrotu  i obniża temp wody podawanej na grzejniki 

ew naparwa problemu i jednocześnie odpo na pyt 3 i 5  to przeniesienie zaw na powrót i montaż pompy przed samym kotłem - wtedy temp powrotu ustawisz pokrętłem na zaw 3-D

ad 4 - za każdą pompą powinien być zawór zwrotny

ad 6 zaw 4-d nie jest potrzebny 

Pozdr.

 

PS

Jak duże jest naczynie przeponowe?

Opublikowano

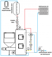
1. Czyli jeśli dobrze rozumiem to wg Twoich wskazówek instalacja powinna zostać zmodyfikowana do takiej postaci jak na schemacie w załączniku?

2. W takim razie nasunęło mi się jeszcze jedno pytanie, czy od razu za wyjściem ciepłej wody z kotła nie powinien zostać zamontowany bajpas w kierunku zaworu 3D z zaworem zwrotnym, aby woda mogła grawitacyjnie krążyć w obiegu kotłowym podczas postoju pompy C.O. i utrzymywania przez sterownik stałej temperatury kotła? Na schemacie to miejsce zaznaczyłem liniami przerywanymi.

3. Tym samym chyba musiałby zostać zamontowany jeszcze jeden zawór zwrotny między trójnikiem, a zaworem 3D (również zaznaczony liniami przerywanymi), aby woda grawitacyjnie nie płynęła na grzejniki podczas postoju pompy, prawda?

4. Tylko czy nie za dużo tych zaworów zwrotnych i jakie ewentualnie zastosować, aby jak najmniej ograniczały przepływy?

5. Nie wiem dokładnie jak duże jest naczynie przeponowe, ponieważ nigdzie nie widzę na nim takiej informacji, a jest ono zainstalowane od początku istnienia instalacji C.O.. Jego kształt jest zbliżony do kuli, a średnica wynosi około 35cm, więc licząc objętość zewnętrzną to około 18 litrów. Załączam zdjęcie jedynej tabliczki jaką na nim znalazłem. Jakie ciśnienie powinno być w tym naczyniu? Hydraulik, który zakładał nowy piec mówił, że w instalacji przy zimnym piecu powinno być 0,8 bara i w naczyniu tak samo, to się zgadza?

post-61239-0-18566700-1419803230_thumb.png

Opublikowano

1. Czyli jeśli dobrze rozumiem to wg Twoich wskazówek instalacja powinna zostać zmodyfikowana do takiej postaci jak na schemacie w załączniku?

2. W takim razie nasunęło mi się jeszcze jedno pytanie, czy od razu za wyjściem ciepłej wody z kotła nie powinien zostać zamontowany bajpas w kierunku zaworu 3D z zaworem zwrotnym, aby woda mogła grawitacyjnie krążyć w obiegu kotłowym podczas postoju pompy C.O. i utrzymywania przez sterownik stałej temperatury kotła? Na schemacie to miejsce zaznaczyłem liniami przerywanymi.

3. Tym samym chyba musiałby zostać zamontowany jeszcze jeden zawór zwrotny między trójnikiem, a zaworem 3D (również zaznaczony liniami przerywanymi), aby woda grawitacyjnie nie płynęła na grzejniki podczas postoju pompy, prawda?

4. Tylko czy nie za dużo tych zaworów zwrotnych i jakie ewentualnie zastosować, aby jak najmniej ograniczały przepływy?

 

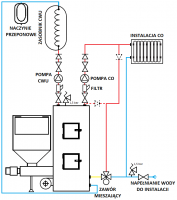
ad 1- 4:

 

Po pierwsze twój schemat jest zły, prawidłowy jest poniżej - tam potrzeba tylko 3 zaw zwrotne - z tego 1 jest potrzebny na napełnianiu, aby woda z instalacji CO się nie cofnęła do wody pitnej- to ważne.

Jak będzie odpowiednia temp i warunki ku temu to woda będzie krążyć w krótkim obiegu przez zaw 3-D i wyłączoną pompę.

 

Pozdr.

post-18578-0-55530000-1419805030_thumb.png

Opublikowano

Dzięki za odpowiedź i rysunek. Zawór zwrotny na napełnianiu jest, tylko zapomniałem go narysować na schemacie. Co do naczynia przeponowego to edytowałem swój wcześniejszy post, a tutaj wrzucam fotkę tej tabliczki, bo tam coś mi nie wyszło. Co masz na myśli jeśli chodzi o te odpowiednie warunki, ponieważ chciałbym żeby wszystko zostało tym razem przerobione tak jak należy i nie było kolejnych rozczarowań? Dodam jeszcze tylko, że pompka C.O. to pompa wykorzystana ze starej instalacji, która pracowała z poprzednim piecem (LFP Grundfos 25POr40A). Nie znam się na tym, ale czy ona tez będzie umożliwiała obieg wody przy wyłączonej pompie?

post-61239-0-46041700-1419808650_thumb.jpg

Opublikowano

Na zdjęciu nie niestety pojemności naczynia, ale to naczynie do CO.

Powinna być na nim podana pojemność - ew podaj wymiary to się sprawdzi w katalogach

 

Co do odpowiednich warunków to trzeba odpowiedni grube rury , i oczywiście otwarty zaw 3-D, zawór zwrotny na powrocie do kotła musi być klapkowy, a nie sprężynowy  oraz taka różnica temp aby mógł powstać obieg grawitacyjny - dla samego kotła będzie to raczej za mało, więc sobie odpuść takie zabawy.

Dodatkowo krążenie wody szybciej ją wystudza, czyli będą straty ciepła.

Jak woda stoi w kotle to temp się powoli sama wyrównuje.

Opublikowano

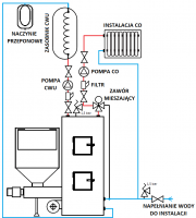
1. Naczynie przeponowe ma wymiary: około 38cm średnicy i 38 cm wysokości (czyli jakieś 28l). W załączniku przesyłam zdjęcie oznaczenia jakie na nim jeszcze znalazłem, jest ono trochę nieczytelne, ale może znawcom tematu coś powie.

2. Instalacja, którą obecnie posiadam ma zawory zwrotne za pompkami (mój błąd, ukryły się one pod piankami izolacyjnymi).

3. W takim razie rozumiem, że na krótki obieg grawitacyjny nie mam co liczyć, a przerobienie instalacji w sposób jaki narysowałeś da mi kontrolę nad temperaturą powrotu?

4. Czy takie umiejscowienie elementów instalacji jak na rysunku (chodzi mi tu o część zaznaczoną prostokątem, która jest w przybliżeniu narysowana proporcjonalnie do tego co wychodzi w rzeczywistości, zawór 3D będzie mniej więcej na wysokości 100cm od podłogi (2/3 wysokości kotła), a powrót C.O. jest około 20cm od podłogi, przyłącze w piecu 30cm od podłogi, pominąłem też rysunek zaworu zwrotnego) może jakoś negatywnie wpłynąć na jej działanie? Szczególnie chodzi mi tutaj o te zakręty i te zmiany poziomu na powrocie wody z instalacji C.O. w celu podłączenia tego powrotu do zaworu 3D.

post-61239-0-70572200-1419890607_thumb.jpg

post-61239-0-02706700-1419890620_thumb.png

Opublikowano

ad 1 - pojemność to 35l

ad 3 - tak, da pełną, pod warunkiem,  że prawidłowo podłączysz zaw 3-D i inne elementy

ad 4 - zaw 3-D nie może być tak połączony, jak ma pracować jako mieszający to podłączyć go trzeba wg rys poniżej, chyba że masz inny schemat w dokumentacji

post-18578-0-16202900-1419894448_thumb.jpg

Opublikowano

Niestety nie dostałem żadnej dokumentacji od osoby, która zakładała zawór. Mam zawór dokładnie taki jak na zdjęciu w załączniku (HERZ DN25 kvs 10, skala regulacji w tym samym miejscu jak na zdjęciu). Rozumiem, że wg tego co napisałeś powinien on być podłączony w sposób jak na rysunku po lewej, a nie po prawej? Czyli wlotów ciepłej i zimnej wody nie można zamieniać?

post-61239-0-70932700-1419935511_thumb.jpg

Opublikowano

Po kilku przemyśleniach jednak skłaniam się ku ciągłej pracy pompy C.O. i takiemu przerobieniu instalacji, aby mieć kontrolę nad temperaturą wody podawaną na grzejniki, a także ochronę powrotu pieca. Na podstawie mojej niewielkiej wiedzy w tym temacie zaczerpniętej głównie z tego forum, a także innych stron powstały dwie koncepcje.

1. Zastosowanie zaworu 4D ze sterowaniem automatycznym. Schemat tego połączenia przedstawiam w załączniku. Jaki zawór i "osprzęt" do niego byście polecali?

2. Zastosowanie dwóch zaworów 3D. Jeden do ochrony powrotu i tutaj zastanawiam się nad zaworem termostatycznym, który będzie można ustawić powiedzmy w zakresie 50-70st albo zawór 3D z siłownikiem. Drugi zawór 3D mieszający na zasilaniu grzejników i tutaj też pytanie w jakim kierunku iść, czy siłownik i automatyka czy jakiś zawór z głowicą termostatyczną (termostatyczny chyba odpada chociażby ze względu na brak automatycznego obniżenia temperatury wody w grzejnikach po zadziałaniu regulatora pokojowego)? Czy w ogóle nie brać pod uwagę zaworów termostatycznych ze względu na duże ograniczenie przepływu?

Z ewentualną automatyką współpracowałby regulator pokojowy i może czujnik pogodowy, co o tym sądzicie? Która koncepcja lepsza? Wg mnie nr 2, ponieważ będę posiadał niezależną kontrolę powrotu, ale może będzie to przekombinowane? Na schematach nie narysowałem zaworów zwrotnych za pompami i przy napełnianiu instalacji, które są i będą.

post-61239-0-38066300-1420197088_thumb.png

post-61239-0-88757000-1420197088_thumb.png

Opublikowano

A co jest w nich nie tak, pompka w złym miejscu, może jest potrzebna jeszcze jedna pompka za zaworem w stronę grzejników albo generalnie wszystko jest źle?

Opublikowano

Tu się oczywiście zgadzam, że konfigurację z postu #7 miałem prawie dobrze i dzięki niej uzyskam ochronę temp. powrotu. Jednak doczytałem, że wg producenta kotła temperatura na powrocie powinna wynosić 60st, więc co mogę zrobić, aby utrzymać taką temperaturę powrotu, a jednocześnie po dogrzaniu domu nie puszczać jej na C.O.? Chciałem to osiągnąć właśnie poprzez współpracę regulatora pokojowego ze sterownikiem i napędem na zaworze 3D, który miałby mieszać optymalną temperaturę podawaną na grzejniki (wyższą podczas dogrzewania i niższą podczas podtrzymywania plus jeszcze ewentualna współpraca z pogodówką). Cykliczne załączanie pompy z tak wysoką temperaturą wydaje mi się mniej optymalne jeśli chodzi u utrzymanie stałej komfortowej temperatury w mieszkaniu, ale może się mylę. Z nowymi konfiguracjami "wydziwiam", ponieważ chciałbym to już zrobić możliwie porządnie, aby później nie żałować, że za jednym zamachem nie zrobiłem czegoś jeszcze  :)

Opublikowano

Jeżeli na powrocie ma być 60C to na zasilaniu musi być co najmniej tyle samo.

Jak chcesz mieć na grzejniki np 40-50C a na powrocie kotła zawsze 60C to trzeba: zaw 3-D stałotemperaturowy 60C i pompę na powrocie + sprzęgło hydrauliczne + zaw 3-D regulowany i pompę na odbiory ( grzejniki)

Inaczej nie da rady.

Opublikowano

Na sprzęgło hydrauliczne się nie skuszę, a ze stałej temp. nie niższej niż 60C zrezygnuję z powodu przekonań osoby, która będzie przez większość czasu zarządzać tą kotłownią. Chcę mieć ochronę temp. powrotu, aby kocioł szybciej się dogrzewał i było to dla niego zdrowsze oraz kontrolę nad temperaturą wody podawanej na grzejniki. Chciałbym także mieć stały obieg wody w C.O. i możliwość obniżenia temp. tej wody jeżeli w domu zostanie osiągnięta pożądana temperatura, w celu jej podtrzymania. Zaczerpnąłem jeszcze wiedzy z forum i powstały dwie nowe propozycje. Jedna z zaworem 3D i bajpasem z pompą kotłową, a druga z zaworem 4D i dwiema pompami. Do tego chcę dorzucić siłownik HERZ i sterownik TECH ST430 albo 431n. Proszę tutaj o sprawdzenie poprawności tych układów i podpowiedź jakie pompki zainstalować? Chyba, że znowu wszystko jest źle to prosiłbym podpowiedź co konkretnie. Jeżeli chodzi o pompki to ja myślałem o Wilo Yonos Pico 25/1-4. Czy umiejscowienie zaworów zwrotnych jest prawidłowe? Może polecacie jakiś inny sterownik do zarządzania siłownikami na zaworach?

post-61239-0-58589500-1420275975_thumb.png

post-61239-0-67369600-1420276490_thumb.png

Zarchiwizowany

Ten temat przebywa obecnie w archiwum. Dodawanie nowych odpowiedzi zostało zablokowane.

  • Ostatnio przeglądający   0 użytkowników

    • Brak zarejestrowanych użytkowników przeglądających tę stronę.
×
×
  • Dodaj nową pozycję...

Powiadomienie o plikach cookie

Używając tej strony zgadzasz się na Polityka prywatności.