michasio Opublikowano 6 Kwietnia 2013 #1 Opublikowano 6 Kwietnia 2013 witam Was, krótko opiszę i wtedy zadam pytania, mam nadzieję że mi pomożecie... Mam 2 kotły w instalacji, gazowy oraz na paliwo stałe. Będę wymieniał instalację, grzejniki i teraz chcę piec na węgiel był podłaczony do wymiennika ciepła. Wymiennik do dalszej instalcji grzewczej, do której będzie wpięta "gazówka"... Kotłownia jest poniżej pomieszczeń w domu, o około 25 cm, a sam piec o kolejne 25 cm. Wymiennik był by nad piecem, na ścianie, a naczynie wyrównawcze będzie wisiało pod sufitem w kotłowni, okolo 120 cm, nad piecem (jego górną obudową). Naczynie będzie samo uzupełniające. Do tego pompy Grundfos'a. Wymiennik Sunsolar do 30kW. Powierzchnia do ogrzania ro 180 - 200 m2. Kocioł gazowy to Buderus 24kW. Co myślicie o takim rozwiązaniu... Czy takowy wymiennik starczy i czy ta firma jest OK? Buderus poniżej 3 stopni C włącza pompę aby zapobiec zamarznięciu wody w układzie , oczywiście po uprzednim wylaczeniu funkcji grzania w domu... Czy obie pompy tzn. od gazówki i od wymiennika ciepła mogą chodzić w tym samym momencie (do grzania w domu wykorzystay kocioł węglowy). No i ostatnia, kwestia czy wymiennik jest w stanie odebrać ciepło z wody, jeżeli na piecu węglowym będzie no. 60 st. C pozdrawiam i dzięki michal
kiminero Opublikowano 6 Kwietnia 2013 #2 Opublikowano 6 Kwietnia 2013 Byłoby lepiej pracować na schemacie. Jak możesz to wrzuć poglądowo jak to chcesz pospinać. Wymiennik jak to wymiennik. Piszą, że 30 kW to 30 kW. Ty się lepiej dopytaj przy jakich warunkach. Może to maxymalna wydajność przekazania ciepła przy zasilaniu 90 sC. Dla parametru o 30 sC mniejszego może nie być już tak wesoło. Jeśli ma być użyty wymiennik, to nie powinieneś na nim oszczędzać i lepiej go przewymiarować. Według mnie najlepiej całość zamknąć. Kupić kociołek z wew wężownicą schładzającą i razem z kotłem gazowym spiąć z resztą układu sprzęgłem. Mniej pomp, łatwiejsze sterowanie. Nie znam planów reszty układu, ale jeśli po stronie "wtórnej" będzie więcej obiegów (np. grzejniki, podłoga, CWU), to zastosowanie sprzęgła może być konieczne. "Współpalenie" jest nieracjonalne i nie widzę korzyści jakie miałoby to przynieść. Tego typu współpraca kotłów przebiega na zasadzie hierarchii źródeł. Kocioł gazowy byłby podrzędny, ponieważ jego ON/OFF jest w pełni automatyczny (podrzędny ale pełnowartościowy). Innymi słowy wykonawczo pierwszeństwo ma kocioł węglowy. Gdy grzeje kocioł węglowy, gazówka musi się wyłączyć.
michasio Opublikowano 6 Kwietnia 2013 Autor #3 Opublikowano 6 Kwietnia 2013 witam, jak grzeje "węglowy" gazówka jest wyłączona na grzanie grzejników. Grzanie tym i tym jest bezsensowne. CWO grzeje gazówka, jest zasobnik na 120l. W układzie nie ma podłogówki. Zostaje obecny piec weglowy jak i gazowy. Spiąć sprzęgłem??? Co to znaczy... pozdr.
kiminero Opublikowano 6 Kwietnia 2013 #4 Opublikowano 6 Kwietnia 2013 To ten układ istnieje, czy będziesz go dopiero budował? Sprzęgło hydrauliczne niweluje problem różnych przepływów na poszczególnych obiegach. Jeśli np kocioł gazowy ma małą pompę wewnętrzną, to w przypadku większej ilości pomp na układzie może się okazać, że mają one sumarycznie większy przepływ niż ta pompa główna kotła. Przy sprzęgle nie ma to znaczenia. Sprzęgło posiada również stronę pierwotną, do której można podpinać więcej niż jedno źródło ciepła. Ty najlepiej naszkicuj co tam teraz masz i co chcesz przerobić.
michasio Opublikowano 6 Kwietnia 2013 Autor #5 Opublikowano 6 Kwietnia 2013 dodałem schemat. Układ poza wymiennikem istnieje.... kończymy instalacje grzejników w domu. Wcześniej nie było gazówki i układ był otwarty... A przy kotłach na paliwo stale układnie może być zamkniety. Dlatego tez pomysł w wymiennikiem...
amber36 Opublikowano 7 Kwietnia 2013 #6 Opublikowano 7 Kwietnia 2013 Witam Jeżeli masz jakiegoś śmieciucha to bezpieczniej będzie spiąć to wszystko przez wymiennik , ja mam taki sam układ ale kocioł może pracować w układzie zamkniętym i pominąłem wymiennik ale ciągle zastanawiam się nad zamontowaniem sprzęgła .
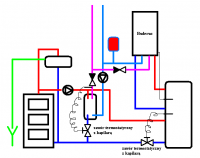
Gość Digitrax Opublikowano 7 Kwietnia 2013 #7 Opublikowano 7 Kwietnia 2013 Sprzęgło lub wymiennik w połączeniu z kotłem na paliwo stałe to dobre rozwiązanie, ponieważ skutecznie podwyższa temperaturę powrotu do kotła a co za tym idzie poprawia warunki spalania. Poniżej prosty przykładowy układ połączeń na minimalnej ilości pomp.
kiminero Opublikowano 7 Kwietnia 2013 #8 Opublikowano 7 Kwietnia 2013 Poniżej prosty przykładowy układ połączeń na minimalnej ilości pomp. Propozycja zakłada "ręczne" przełączanie źródła ciepła. Można i tak. Zastanawia mnie praktyczne funkcjonowanie układu. Wg mnie zawór pod wymiennikiem ma w założeniu utrzymywać stałą temperaturę na wyjściu na układ poprzez regulację przepływu przez stronę pierwotną wymiennika. No nie wiem... Teoretycznie po dojściu do zadanej na głowicy temperatury, zawór się zamknie. Pytanie czy to wogóle nastąpi, ponieważ bezwładność cieplna wymiennika jest żadna, a marne szanse na zrównanie temperatur zasilania i powrotu z układu. Poza tym jest to szkodliwe ograniczanie ochrony powrotu kotła (im mniejszy przepływ strony pierwotnej, tym mniejsza ochrona powrotu). Lepiej już ten zawór wykorzystać do regulacji temp po stronie wtórnej (przed pompą CO, w roli mieszania). Wtedy pompa na zasilaniu. Drugi zawór z kapilarą też trochę kombinowany. Rozumiem chęć ograniczania liczby pomp, ale wg mnie nie jest to "za darmo". Kosztem tego rozwiązania będzie skazanie się na priorytet CWU włączony "na sztywno" bez możliwości rezygnacji z niego. Jedna pompa pierwotna musi swój wydatek dzielić na dwa obiegi: wymiennika i boilera. Gdy boiler jest dogrzany to i zawór z kapilarą na powrocie boilera jest zamknięty. Wtedy cały przepływ idzie na wymiennik. Jednak gdy boiler się wystudzi, to zawór z kapilarą będzie otwarty. Pytanie czy pompa wybierze wtedy drogę przez wymiennik, który ma znacznie większe opory niż wężownica boilera. Praktyka w warunkach dynamicznych i płynnych zmian może być inna. Jak budujesz takie układy to pewnie wiesz czy działają wg założeń. Generalnie brak info jaki kocioł węglowy, jaki kocioł gazowy, jakie możliwości konfiguracji na zasobnik itd.
Gość Digitrax Opublikowano 7 Kwietnia 2013 #9 Opublikowano 7 Kwietnia 2013 Mój rysunek miał nakreślić jak to można razem spiąć stąd wiele uproszczeń np brak czujników temperatury. Regulacja przepływu po stronie pierwotnej wymiennika przekłada się na regulację temperatury po stronie wtórnej. W ten sposób jest regulowana temperatura obiegu CO w wymiennikowniach w budynkach zbiorowego ogrzewania. Przepływ po stronie wtórnej nie jest wtedy tłumiony i wszystkie grzejniki grzeją całą powierzchnią a nie tylko na górze. Priorytetem w moim rysunku jest grzanie zbiornika CWU. Gdy on się nagrzeje to zawór zamknie wężownicę i zwiększy się przepływ przez wymiennik. Zapomniałem tam dorysować bypasu z zaworem nadmiarowo upustowym łączącego zasilanie za pompą z powrotem kotła, to na wypadek gdyby oba zawory termostatyczne się zamknęły.
Rekomendowane odpowiedzi
Zarchiwizowany
Ten temat przebywa obecnie w archiwum. Dodawanie nowych odpowiedzi zostało zablokowane.