Skocz do zawartości
IGNOROWANY

Pompa Ciepła + Kominek Z Płaszczem Wodnym W Układzie Zamkniętym


Daros

Rekomendowane odpowiedzi

Opublikowano

Witam

Podłącze się do tematu i troszeczkę go odgrzeję :), mam w planie podłączenie pompy ciepła P-W ( zamiast gazu, którego nie mam ) do grzania CWU w lecie i okresie przejściowym + ewentualne nadwyżki na wspomaganie CO. Obecnie mam kominek z PW , który grzeje zbiornik kombinowany 800/200( magazyn ciepła ). Ogrzewanie podłogowe w całym domu + 3 grzejniki ( łazienka, garaż i niepotrzebny w kotłowni )

 

Czy ktoś ma doświadczenia z pompami tzw. chińczykami, które są dostępne na Allegro np;

 

http://allegro.pl/po...3073138524.html

http://allegro.pl/he...3089565962.html

http://allegro.pl/po...3078897094.html

http://allegro.pl/po...3073808510.html

 

ceny są dość atrakcyjne ale czy są warte uwagi ??

 

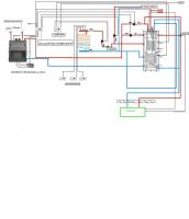
Załączam schemat instalacji zaznaczam, że wszystko działa b. sprawnie.

Czy tak można podłączy pompę do całego układu ??

Proszę o uwagi i spostrzeżenia B)

 

post-28466-0-92033900-1363151398_thumb.jpg

  • 2 miesiące temu...
Opublikowano

> > > Witam. > > >

W związku z tym iż zaczynam pracę związane z podłączeniem grzejników niskotemperaturowych w tych dwóch pomieszczeniach, prosiłbym o pomoc w doborze grzejników.

> > > Pokój nr 1 znajduje się nad wiatą, tzn. oprócz dwóch ścian zewnętrznych (południe, zachód) posiada odkryty dół, który docieplony jest styropianem o grubości ok 15 cm.

> > > Pokój nr 2 znajduję się nad gpost-45578-0-24103800-1369236010_thumb.pngarażem posiada dwie ściany zewnętrzne (zachód, północ). Strop garażu docieplony styropianem ok 15 cm.

> > > > > > Cały budynek wymurowany jest z keramzytu i docieplony styropianem o grubości 10 cm. > > > > > > Budynek ogrzewany jest pompą ciepła firmy Viessman Vitocal 300 BW 8,3 kW

> > > Temperatura zasilania doprowadzona do kaloryferów będzie wynosić ok. 28*C - 38*C > >

> > > > W pokojach jest wykonana instalacja podłogowego ogrzewania lecz przy temp. ok. -5*C temperatura otoczenia w pokojach wynosi w granicach 16*C. > > > > j

> > > > > Proszę o podanie jakie grzejniki będą najefektywniej pracowa, oraz jaką długość grzejników potrzebowałbym, aby uzyskać wtych pomieszczeniach temp. ok. 23*C. Max. wsokość. grzejnika 700 mm. > > > > > > Z góry dziękuje za pomoc. > > > > > > Daros > > >tel. 660495063

post-45578-0-37152100-1369235257_thumb.jpg

post-45578-0-15426900-1369235446_thumb.jpg

Zarchiwizowany

Ten temat przebywa obecnie w archiwum. Dodawanie nowych odpowiedzi zostało zablokowane.

  • Ostatnio przeglądający   0 użytkowników

    • Brak zarejestrowanych użytkowników przeglądających tę stronę.
×
×
  • Dodaj nową pozycję...

Powiadomienie o plikach cookie

Używając tej strony zgadzasz się na Polityka prywatności.