Skocz do zawartości

pwl07

Forumowicz
  • Postów

    87
  • Dołączył

  • Ostatnia wizyta

Treść opublikowana przez pwl07

  1. wiesz, nawet ceny zaworu nie sprawdziłem, na pałę wyszedłem z założenia że zawór musi być tańszy :-) Właśnie rozglądam się za zaworami 3d z siłownikami, ESBE wychodzi taniej niż Afriso, czy szukać jeszcze innego producenta?
  2. Zastanawiam się jeszcze czy nie można by zastąpić w takim układzie pompy CWU zaworem 2 drogowym np. takim i zasilać zasobnik pompą kotłową? W takim przypadku poprowadzenie powrotu z zasobnika CWU należałoby chyba wrzucić przed pompę, po stronie ssawnej? Dociekam, bo dzięki takiemu rozwiązaniu eliminujemy jedną pompę z układu. Czy gra nie jest warta świeczki? Jeszcze sprawa zaworów zwrotnych, czy zamiast montażu bezpośrednio za pompą nie lepiej wrzucić je możliwie daleko od pompy, a najbliżej powrotu, tzn. zawór zwrotny dla obiegu podłogówki zabudować bezpośrednio przy powrocie do rozdzielacza? Podobnie zawór w obiegu wężownicy CWU, zamiast za pompą zabudować tuż przed kotłem?
  3. @KubaSko Zapierdziel w pracy i nie miałem okazji odpisać wcześniej, dzięki za poprawiony schemat, widzę że Paint wymiata :-) Zastanawia mnie dlaczego we większości zestawów mieszających wkładają pompy 15/6 lub 15/70. Troszkę zwątpiłem, myślałem żeby wszystko obskoczyć pompami 25/40. Womix widzę ma zestawy dla DN20 z pompami 15/70 i DN 25 z pompami 25/70. W obiegu grzejnikowym w celu ograniczenia maksymalnej temperatury wody zasilającej może zamiast zaworu 3d zastosuję jakiś termostatyczny zawór mieszający o zakresie 30-60 st.C, co myślisz?
  4. Dzięki za info, widzę że z pompami istny kolorowy zawrót głowy, polski LFP ma ich trochę, nawet Womix coś sprzedaje ale nie wiem czy to nie jakiś chinczyk, o pozostałych nie wspomnę. Na pierwszy rzut oka można się pogubić muszę to przetrawić.
  5. Sęk w tym że zależy mi na indywidualnym sterowaniu temperaturą na piętrze i parterze. Spotkałeś może sprzęgło rozdzielacze tego producenta? Rozumiem że pompy 25/40 będą ok, a dla obiegu grzejnikowego dodatkowo z funkcją autoadapt? Co z pompą dla CWU? Jeszcze pytanie o średnice rur, kocioł ma króćće 1", jakie średnice wykonać instalację do sprzęgła i zasobnika? Jeżeli możesz, rzuć proszę okiem na schemat i zobacz czy dołożyć jeszcze jakieś separatory, odpowietrzniki, filtry, manometry, termometry czy zawory zwrotne.
  6. @KubaSko dzięki za radę, rzeczywiście ma to sens, tylko dochodzi kolejny zawór 3d z siłownikiem. W sumie to do kotła i tak będę zmuszony dokupić moduł rozszerzeń żeby ogarnął taką ilość pomp i siłowników. Koszta szybką zaczynają rosnąć, a pierwotnie zamierzałem kupić Kostrzewę tańszą o prawie 3k. Możesz polecić jakiegoś sprawdzonego producenta/model pomp elektronicznych i zaworów 3d z siłownikiem które sprawdziły by się w mojej instalacji?
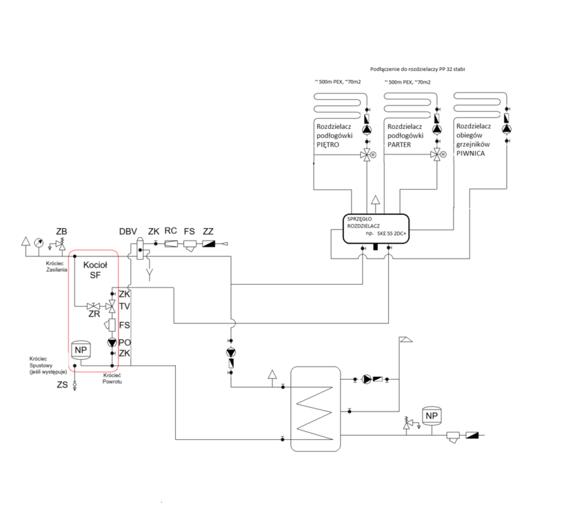
  7. Witam, zima za oknem, a w pomieszczeniu kotłowni nadal pusto :-/ Zwracam się do Was z prośbą o pomoc w ogarnięciu instalacji. Jakieś założenia i pomysł mam, natomiast zależy mi na ocenie, radach bardziej doświadczonych osób. Żeby nie zanudzać, w skrócie... instalacja dotyczy nowo budowanego budynku z wentylacją mechaniczną z rekuperacją. Ok. 220 m2 powierzchni, 3 kondygnacje: - piwnica ogrzewanie grzejnikowe (z rozdzielacza rurami pex do kaloryferów), https://link.do/MdL5g - parter i piętro po około 75 m2 podłogówki, 2 oddzielne rozdzielacze, oddzielne przyłącza doprowadzone do kotłowni https://link.do/TyhyT, https://link.do/evCoS Do rozdzielaczy doprowadzone rury FV PPR FASER PN 20 fi 32 z wkładką poliwęglanową. Kocioł najpewniej Lazar Smartfire 11, (ew. PELLUX COMPACT 12kW, choć bliskość producenta skłania mnie bardziej do Lazara). W Lazarze zabudowany jest zestaw hydrauliczny https://www.hkslazar.pl/file/download/664/113/ Parter i piętro powinny mieć możliwość niezależnej regulacji temperatury poprzez zawory 3d z siłownikami sterowanym przez kocioł. Na parterze i piętrze po jednym termostacie. Całość sterowana czujnikiem pogodowym. Na obieg grzejnikowy ma trafić woda o temp. wody kotłowej, temperatura w pomieszczeniach będzie regulowana zaworami termostatycznymi na grzejnikach. Zasobnik CWU z wężownicą i ew. grzałką elektryczną o pojemności najprawdopodobniej 200L (4os. rodzina). Do rozdzielenia obiegów na poszczególne kondygnację chciałbym wykorzystać sprzęgło-rozdzielacz być może z grupami pompowymi, np. taki https://link.do/61AmV. Ten sprzęgło-rozdzielacz można kupić ,,z'' lub bez osprzętu. Proszę o info jakie pompy byłoby racjonalnie zastosować dla konkretnego zastosowania w moim układzie. Zastosowanie pompy z funkcją autoadapt wydaje mi się rozsądne dla obiegu grzejnikowego, co z pozostałymi? Niżej popełniony własnoręcznie schemat instalacji (Paint level master :-) ) Za wszelkie konstruktywne uwagi z góry wielkie dzięki! Po wszystkim, zobowiązuję się do upublicznienia kilku fotografii z popełnionego dzieła :-)
×
×
  • Dodaj nową pozycję...

Powiadomienie o plikach cookie

Używając tej strony zgadzasz się na Polityka prywatności.