jacgoj
Forumowicz-
Postów
51 -
Dołączył
-
Ostatnia wizyta
Typ zawartości
Forum
Wydarzenia
Blogi
Artykuły
Treść opublikowana przez jacgoj
-
Nie unoś się tak odrazu, SZUKAJ nie gryzie, zerknij tu : https://forum.info-ogrzewanie.pl/topic/5848-ogrzewanie-z-podkowy-na-37m2/
-
Ideowo ok. Ale brakuje mnóstwa rzeczy
-
Kocioł Na 220m^2, Węgiel, Miał, Drewno, Kapcie :)
jacgoj odpowiedział(a) na Lopusto temat w Inne tematy o kotłach i piecach
Podajesz trochę za mało danych. Jaki dom, jakie okna, ilość domowników, czy będzie podgrzewacz wody. Co do porównania kilku kotłów wystarczy podjechać do w miarę zaopatrzonej hurtowni hydraulicznej i tam Ci wszystko powiedzą, oczywiście mając powyższe dane. A odnośnie palenia śmieci w kotle, wierz mi to nie jest żadna oszczędność - zapcha ci się komin - być może zapali, kocioł też zajedziesz. . Nie ma się też co unosić, na forum jest naprawdę sporo palaczy, chętnie służących pomocą, ale samemu trzeba chcieć sobie pomóc. Ja na podstawie porad ludzi z forum przerobiłem samodzielnie kotłownię i hula aż miło. Także wytrwałości a na pewno znajdziesz kocioł dla siebie. -
Na sezon letni zamykam zawór na zasileniu co. Wszystko idzie wtedy na boiler, grawitacyjnie bez prądu idzie przez bajpas pompy. Wyłączenie pompy mam ustawione na 47 stopni, woda trochę się studzi ale spokojnie do rana wystarcza.
-
Może coś takiego, jedna pompa napędza wszystko ja tak mama i działa - zresztą po poradach kolegów z forum
-
W/g tego schematu boiler będzie zimny, całą ciepłą wodę zabierze pompa na grzejniki.
-
Pręt powinien być mniej więcej w poziomie. Palisz w piecu, gdy temperatura ustabilizuje się dajmy na to na 60 stopni, taką ustawiasz na miarkowniku. Podpinasz łańcuszek tak aby klapka w piecu była zamknięta - ze szczeliną ok. 1-2 mm (łańcuszek napięty). Powodzenia.
-
Witam szanownych kolegów. Ostatnio u swoich znajomych wymieniałem cieknący zbiornik wyrównawczy ( instalacja 30-letnia). Zbiornik był podłączony jak na załączonym rysunku. Zbiornik podłączony dołem z pionu zasilającego grzejniki (rozdział górny), lew dolne wyprowadzenie jest podłączone do powrotu kotła, lewe górne to przelew. Nowy zbiornik podłączyłem w ten sam sposób, ale czy któryś z kolegów mógł by mi wyjaśnić do czego są te serpentyny u dołu zbiornika. Wszystkie rury to 1/2 cala - ciekawostka, na szczęście w instalacji nie ma żadnej pompy. Czy to wszystko tak zostawić, czy przerabiać jak nakazuje norma a co niejednokrotnie było omawiane na forum.
-
Masz uproszczony schemat, zresztą jakich wiele na forum, sam przerabiałem swoją instalacje w/g porad kolegów z forum. Naczynie przelewowe oczywiście bezpośrednio z kotła bez żadnej armatury na rurze do naczynia. zawór odcinający na powrocie z grzejników i masz ciepłą wodę w lecie bez grzania domu. Pozdrawiam.
-
Odpowiedzi na wszystkie twoje pytania są zawarte na tym forum. Opcja szukaj - nie boli -, jak to było powiedziane wielokrotnie. Pozdrawiam i życzę udanej lektury - warto !.
-
Prosze O Ocenę I Poprawienie Schematu
jacgoj odpowiedział(a) na Tylda111 temat w Instalacje CO i CWU
Przede wszystkim naczynie przelewowe bezpośrednio z ZASILANIA a nie z powrotu -
Dzięki Marcinie za podjęcie wątku, jak na razie rozwiałeś moje wszelkie wątpliwości.
-
Z włącznikiem na przewodzie do pompy co bardzo ciekawe - zarazem proste i funkcjonalne. Martwi mnie w dalszym ciągu co się stanie gdy sterownik pompy cwu uzna iż należy ją wyłączyć - osiągnięta zadana temperatura cwu. Ciepło wytwarzane w dalszym ciągu przez kocioł (posiadam zasypowy Zębiec KWK 25) nie ma gdzie ujść - pompa cwu nie pracuje, obieg co odłączony, oczywiście miarkownik ciągu zamknie dopływ powietrza do pieca, ale czy to wystarczy. Prawdopodobnie naczynie przelewowe będzie musiało wziąć się do roboty.
-
Dziękuję za szybką odpowiedź. Tylko jest mały problem bo sterownik który chcę zamontować (euroster 1100z) nie ma opcji wyłączenia pompy co. Czyli chyba będę musiał zainwestować w dwa proste sterownik do pomp i tak jak piszesz Marcinie na lato wyłączać sterownik pompy co i zakręcać zaznaczone zawory. Ale co wtedy z pompą cwu - musi pracować aż do wygaśnięcia kotła, bo inaczej może być nie ciekawie. Czy dobrze rozumuję?.
-
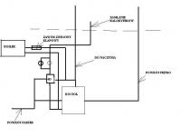
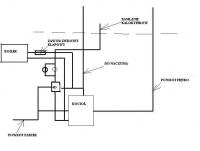
Witam szanownych kolegów. Planuję wstawienie zaworu 4D w/g załączonego schematu (omawianego już na forum). Mam tutaj pytanie, jak w takim układzie może być realizowane ogrzewanie boilera cwu latem bez grzania c.o. Oczywiście będzie jeszcze pompa dla cwu, sterownik obsługujący obie pompy. Obecnie mam wykonaną instalację w/g schematu - z jedną pompą ładującą z zaworem odcinającym c.o. na lato. Myślę że i tym razem mogę liczyć na waszą pomoc - być może w tak banalnym pytaniu. Pozdrawiam Jacek.
-
Bo jak wszystko i wszędzie trzeba robić z głową. Pozdrawiam Jacek
-
Witam szanownych kolegów. Mam pytanie odnośnie położenia (montażu) w instalacji otwartej, zaworu 4 D, otóż czy może on być wstawiony poziomo (tak jak by leżał na kotle). Czy ku takiemu rozwiązaniu są jakieś przeciwwskazania. Czy musi on być zawsze w pionie.
-
Groszek, a mógłbyś zamieścić jakieś zdjęcia swojej kotłowni, lub schemat z rozmieszczoną armaturą (odpowietrzniki, zawory zwrotne). Do boilera napewno klapowy 1,1/4 cala raczej nie dostanę nie wiem czy calowy nie będzie za bardzo przewężał. Odnośnie jednej pompy za 4D na co to czytałem w postach tomka krakersa , że to się sprawdza. Pozdrawiam jacgoj
-
Witam szanownych kolegów, na wstępie składam najlepsze życzenia z okazji świąt i zbliżającego się nowego roku. Dzięki forum już w znaczny sposób ulepszyłem swoją instalację, która śmiga jak należy nawet na grawitacji. Posiadam jedną pompę na co i cwu. Piec wszystkopalny opalany węglem bez dmuchawy - tylko miarkownik ciągu i sterownik pompy. Otóż problem tkwi w tym że chciałbym dołożyć do swojego układu zawór 4D, ze względu na temperaturę w pomieszczeniach (palę na 65 st.). Pozwoliłem sobie zamieścić schemat jak bym to widział. Z pieca wychdzi rura 1,5 cala do zaworu 4 D o tej samej średnicy, pion zasilający kaloryfery za 4 D tak samo, boiler wpięty przed 4D 1,1/4 cala. Moje obawy budzi problem dwóch powrotów (powrót z parteru i piętra) i ich położenie, otóż powrót z parteru musiałbym podnieść ok 1m. żeby wpiąć się w zawór 4 D ( powrót też 1,5 cala). Czy w takiej konfiguracji jest szansa na działanie takiego układu. Oczywiście za zaworem 4D pompa zawory filtr i bajpas (zawór różnicowy).
-
Czy Moja Instalacja Co Jest Prawidłowa?
jacgoj odpowiedział(a) na heimall temat w Instalacje CO i CWU
zasadę działania twojego układu powinien wyjaśnić tobie twój instalator. Bo według wszelkich praw (pomijając fizykę) to nie powinno działać. Powrót z kaloryferów powinien być wpięty do powrotu do pieca, a nie pod zasilanie tak jak to opisujesz. -
Czy Moja Instalacja Co Jest Prawidłowa?
jacgoj odpowiedział(a) na heimall temat w Instalacje CO i CWU
Chyba musisz dokładniej przyjżeć się swojej kotłowni, bo według twojego schematu, to grzejnik nie ma odpływu - 2 zasilenia. To nie może działać. -
Przeważnie montuje się na zasileniu
-
-
Czyli wg. pierwszego schematu plus na zasileniu boilera, klapkowy zawór zwrotny, oczywiście zamontowany w poziomie. Tylko czy dostanę o średnicy 5/4 cala. Spotkałem się z opinią że niektórzy usuwają z niego sprężynkę, czy zrobić to samo.
-
Serdecznie dziękuję za porady. Kolejny raz się przekonałem że można na was liczyć i wspólnie jesteście wstanie dopasować rozwiązanie problemu pod konkretny przypadek. Biorę się z kolegą do przerabiania instalacji wg. tańszego rozwiązania. Pozdrawiam Jacek.
