Skocz do zawartości

vomer1967

Forumowicz
  • Postów

    58
  • Dołączył

  • Ostatnia wizyta

Informacje o ogrzewaniu

  • Co ogrzewam?
    dom 1973 - 150m2, pustak żużlobetonowy+cegła, ocieplony , okna PCV. Zapotrzebowanie 8,4 kW
  • Instalacja
    Grawitacyjna, żeberka żeliwne
  • Źródło ciepła
    Kalvis k-2, 12 kW

O sobie

  • Płeć
    Mężczyzna

Ostatnie wizyty

1746 wyświetleń profilu

Osiągnięcia vomer1967

Stały bywalec

Stały bywalec (5/14)

  • Pierwszy post
  • Współtwórca
  • Tydzień pierwszy zaliczony
  • Miesiąc później
  • Od roku na pokładzie

Najnowsze odznaki

2

Reputacja

1

Odpowiedzi społeczności

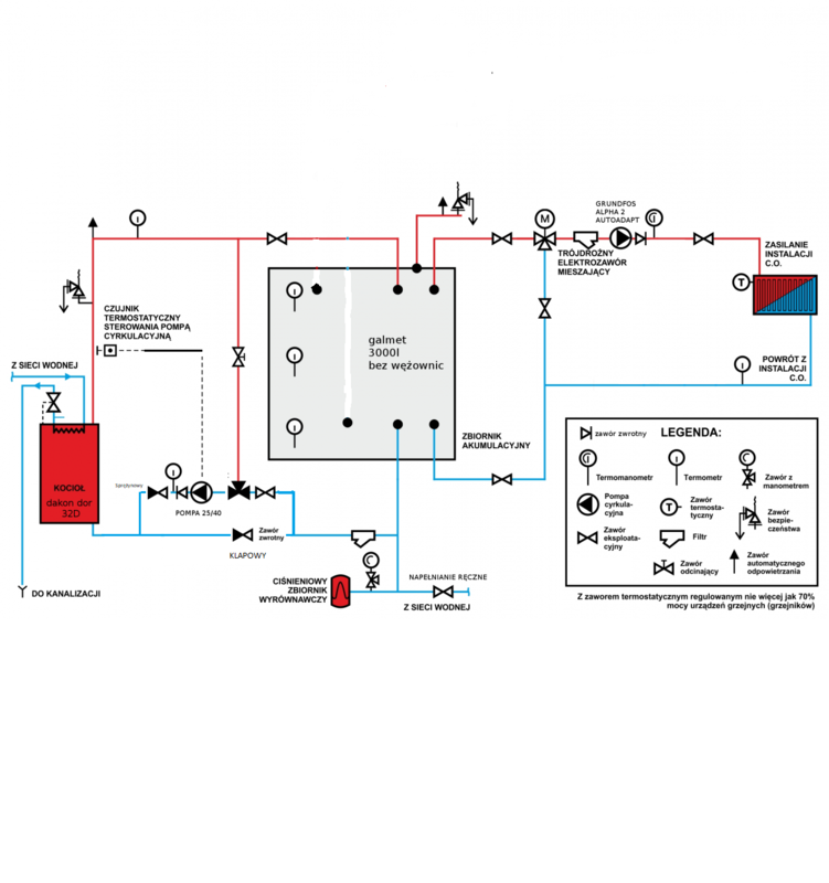
  1. Temat sprzed 5 lat ale dla mnie na czasie, bo ceny gazu poszybowały do góry i przeproszę się z moim Kalvisem na drewno. Kupiłem bufor i skorzystam z zamieszczonego powyżej schematu (po poprawkach forumowiczów). Sam dokonałem pewnych zmian i poproszę o opinię czy będzie dobrze. Chodzi mi o bypass do grawitacyjnej obsługi obiegu kocioł-zasobnik w przypadku braku prądu lub awarii pompy. Czy jest dobrze?
×
×
  • Dodaj nową pozycję...

Powiadomienie o plikach cookie

Używając tej strony zgadzasz się na Polityka prywatności.