dash4
Stały forumowicz-
Postów
125 -
Dołączył
-
Ostatnia wizyta
Typ zawartości
Forum
Wydarzenia
Blogi
Artykuły
Treść opublikowana przez dash4
-
Grawitacja A Zabezpieczenie Powrotu Kotla
dash4 odpowiedział(a) na rafallle temat w Instalacje CO i CWU
Z tym zbiornikiem to już nakombinowałem ....bo go już mam więc... -
Grawitacja A Zabezpieczenie Powrotu Kotla
dash4 odpowiedział(a) na rafallle temat w Instalacje CO i CWU
Bo wyjście z kotła mam 6/4 ... -
Grawitacja A Zabezpieczenie Powrotu Kotla
dash4 odpowiedział(a) na rafallle temat w Instalacje CO i CWU
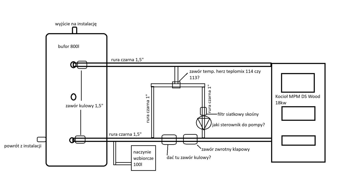
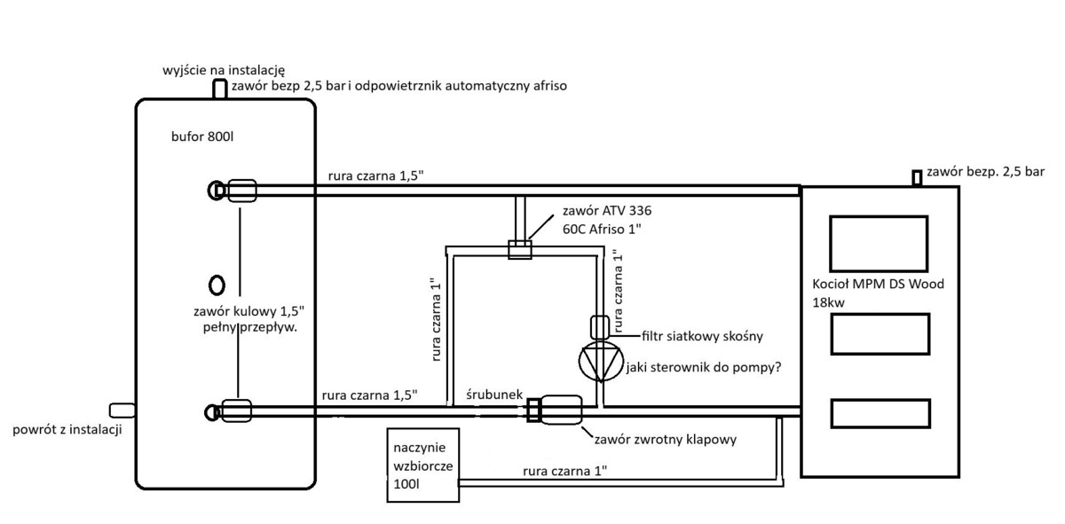
Ostatecznie moja ochrona powrotu ( opierając się na podpowiedziach, głównie zaciapa i innych[dzieki]) będzie wyglądać tak: Mam nadzieję że teraz jest ok, że niczego nie pominąłem a wszystko będzie hulac :)? Mam tylko pytanie- jaka max temp może się pojawić na powrocie...? Zakładając że będę grzał bufor najpier grawitacją (jeśli zadziała biorąc pod uwagę że rury poziomo) a później doładowywać będę pompką....więcej niż 70C? Pytam bo mam w dobrej cenie (400zł) nowe naczynie przeponowe od kolegi 100l Reflex niebieski (do CWU) i zastanawiam się czy wytrzyma....tam do 70C mówią że może być...??? -
...ale co do 20C? Nie wiem co tam już zmieniać. Wracam znowu do ustawień jak na pierwszym zdjęciu tj 20C pkt poczatkowy.. Jak było ustawione na 21 to wsysał ok 7,5m3 na dobę...a wiem że może lepiej bo w zeszłym roku było mniej...mam zapisane. Wtedy nie miałem też ocieplonych fundamentów....po ich ociepleniu jakoś nie widzę różnicy...
-
Czyli jak jest na zewnątrz 20C to w domu kocioł ma też zrobić 20C?? (Sposoby dowolne) A co mi daje zmienianie tego pkt początkowego? Jest sens się tym bawić? Ogólnie nie bardzo rozumiem ten sterownik.😔
-
Grawitacja A Zabezpieczenie Powrotu Kotla
dash4 odpowiedział(a) na rafallle temat w Instalacje CO i CWU
zaciapa dzięki za podpowiedzi. Kończę jeszcze glazurę w kotłowni i niedługo przystepuję do kręcenia pakuł. Nię będę jednak dawał żadnego zaworu obok pieca, bajpasie itp. Dam tylko jeden zawór pełnoprzepływowy na buforze i to wszystko. W razie W to przecież z tyłu kotła jest spust wody. Zostawię ten zawór klapowy sam ale dam zgodnie z Twoją podpowiedzią śrubunek żeby można go buło ruszyć w razie czego. Ogólnie to śrubunki i tak miałem dać na przyłączu do bufora żeby można było odpiąć bufor od kotła. Proszę jeszcze tylko o podpowiedż jakie zawory bezpieczeństwa dawać na buforze, na kotle ? - 2,5bara?? -
No właśnie włącza się mniej chyba ale komfort uciekł... W domu zrobiło się chłodniej. Z 21C wychodziło 19,5-20C. Wczoraj wieczorem znowu zmieniłem na pkt początkowym z tym że ustawiony na 21C. Wcześniej było 20. szakallo czyli moje ustawianie pkt początkowego na 21 jest bez sensu? Obniżyć temp z 45 punkt końcowy do 40? Max temp zasilania na ile dać? W zasadzie to co to jest ten cały pkt początkowy? Warto go ustawiać czy może włączyć sterowanie wg ten zewnętrznej i już...?
-
Póki co to zmieniłem na sterowanie wg temp pomieszczenia. Bez czujnika pogodowego. Wygląda na to że coś tam dalo bo zużycie względem dnia poprzedniego jest mniejsze o 1m3...było 6 jest 5. Liczba startów palnika to 10 na dobe. W tym chyba 2 na cwu. Sprawdzane wczoraj o 15 i dziś o wl15 czyli po 24h. Póki co zostawię chyba tak do końca miesiąca zobaczę co będzie...
-
Przepraszam ale za słaby jestem w tym sterowniku.... Mogę prosić jak krowie na rowie które parametry zmieniać żeby ograniczyć ta liczbę startów palnika??
-
Pierwszy pkt i tak chyba działa bo mam tylko pomiar temp na korytarzu -moim pomieszczeniu wiodącym. Co mi nie poprawia wcale liczby startów itp. Drugi i trzeci pkt ...może tu poeksperymentować.... Czwarty pkt-i tak mam na 4k..nie wystarczy?? Poza tym czy to wpłynie na liczbę startów? Chyba słabo😔 W tym momencie przecież palnik się wyłącza jak osiągnie 21,5....zwiększać wpływ żeby osiągnął tylko 21?? A czy zmiana ustawień z punktem początkowym i bez niego może mieć wplyw? Punkt początkowy nastawiłem niedawno-ok 17go listopada na próbę do końca miesiąca. Przed 17 piec wciągał 3,5m3 na dobę gazu-srednio. Od 17 jest s punktem i wciąga 5,3m3gazu..ale też pogoda się trochę zmieniła....
-
Na cwu może 1-2 razy. Mieszkam sam więc prysznic a ręce i tak raczej myje zimną bo czekać się nie chce aż ciepła dopłynie...reszta to C.O.
-
-
Witam. Jak w tytule. Posiadam kocioł gc2300 stety niestety 2f i ogrzewanie tylko podłogowe w na dwóch piętrach. Jeden rozdzielacz na parterze to 6sekcji a drugi na piętrze 5. Instalacja max prosta...bez sprzęgieł itp. wszystkim steruje cw400 z czujnikiem temp od północy. Kocioł pracuje już drugi sezon. Za bardzo nie ustawiałem go jeszcze bo nie miałem dokończonej elewacji. Tzn miałem zrobiona bez fundamentów. W tym roku-wrzesniu skończyłem elewacje ocieplając również fundamenty warstwa xps 15cm. Cała góra to też grafit 15cm. Z racji tego że dach jest plaski-papa i nie wiem jakie było jego cieplnie (kupiłem ten budynek jakiś czas temu) nie chcąc zrywać dachu itp -stroo ocieplilem 10cm warstwą wełny,folia paro, luka i gips karton... W każdym razie coś tam jest. Okna mam wymienione na 3 szyby. Mur to bloczek komórkowy, luka 5cm i cegła silikatowa. Teraz chciałbym to trochę poustawiać bo że 3 tyg temu wymienili mi licznik i widzę że moje ocieplenie fundamentów nic nie dało (a fizycznie będąc w piwnicy czuć że jest cieplej) bo zużycie względem zeszłego roku, kiedy nie było ocieplonych fundamentów już jest większe...inna kwestią to licznika ale na razie staram się coś ustawić na sterowniku. Po kotle widzę że sporo moduluje. Domyślam się że ma za duża moc ale jest jak jest. Muszę zminimalizować koszty tym co jest. Będę wdzieczny za podpowiedzi użytkowników cw400..gdzie co i jak zmienić aby coś pomogło bo widzę że coś nie halo z tym zużyciem. Sam próbowałem zmieniać krzywa, to z pkt początkowym, to bez, to temu max min i słabo... Póki co mam ustawione tak jak na screenie. Warto coś zmienić? Ps: w domu temp nastawiona na 21C ....na czujniku pokazuje z reguły 21,5
-
Grawitacja A Zabezpieczenie Powrotu Kotla
dash4 odpowiedział(a) na rafallle temat w Instalacje CO i CWU
Czyli zamiast zaworu kulowego to zwykły śrubunek w razie awarii. ? Reszta zaworów zrobię na buforze - nic nie będę dawał na bajpasie ani na głównych liniach? Przed pompą dam filtr siatkowy i chyba tyle w temacie. Okazało się że mam 2 zawory pełnoprzepływowe 1,5" KFA więc jest git:) Pompa chyba wystarczy ta mniejsza na 4m (mam grundfosa nowego Alpha 2 25-40 z auto adapt) Ewentualnie mam też Wilo Stratos ale już na 25-60 więc chyba lepiej mniejszą w tym miejscu. Mam jeszcze jednak zapytanie. Rury 1,5" mam bezszwowe, czarne ścianka 2,9mm. Bajpas też 1" bedzie bezszwowy. Ale czy jest sens się bawić w te bezszwówki skoro i tak tam będą elementy które moga puścić szybciej jak np pompa, zawór klapowy, siatkowy itp...?? -
Grawitacja A Zabezpieczenie Powrotu Kotla
dash4 odpowiedział(a) na rafallle temat w Instalacje CO i CWU
Qrde i tak już tych zaworów nakupowalem od cholery...no ale będę musiał pomyśleć i tym pełnym przelocie.. No i dawać ten zawór kulowy koło klapowego czy bez sensu? -
Grawitacja A Zabezpieczenie Powrotu Kotla
dash4 odpowiedział(a) na rafallle temat w Instalacje CO i CWU
To zbiornik dam właśnie koło kotła na powrocie. Zawory- chodziło mi o te "dwa" o których wspominał carinus, że lepiej dać więcej... Chce wszystkie króćce z bufora dać na zaworach tak żeby w razie czego można było sobie wszystko poprzerabiac bez spuszczania wody z banki. Z drugiej jednak strony zawór to zmniejszenie średnicy...przy grawitacji to trochę utrudni życie chyba..normalnie rura 1,5 a zawór mniej....a może zrezygnować z zaworów na buforze...ehhh?? Kolego zaciapa qrde nie wiem w jaki sposób nie znalazłem wcześniej tego postu z twoim schematem. W sumie utwierdził mnie w przekonaniu że warto..😉 Reszta do dopracowania schematu😉 -
Grawitacja A Zabezpieczenie Powrotu Kotla
dash4 odpowiedział(a) na rafallle temat w Instalacje CO i CWU
To w końcu gdzie te zawory dać i w którym miejscu dać zbiornik przeponowy? -
Grawitacja A Zabezpieczenie Powrotu Kotla
dash4 odpowiedział(a) na rafallle temat w Instalacje CO i CWU
No to zrobię naczynie tuż przy kotle na powrocie. Wszystkie zawory itp będą przed naczyniem więc to już nie powinno robić problemu? Co do średnicy to zdaję sobie również sprawę że ma być to 1" ale nie jestem pewny czy zbiornik który chce kupić (zresztą duża część producentów na rynku takich zbiorników) ma krócieć 1". Z reguły to chyba jest 3/4 więc sens prowadzenia wszystkiego rurą 1" do zwężki 3/4 jest raczej słaby;/ Jeśli chodzi o grawitację na rurkach 16mm to takich bym się jednak bał. Trochę mały średnica tych rurek aby to dobrze hulało. Ale w sumie jak działa.... -
Grawitacja A Zabezpieczenie Powrotu Kotla
dash4 odpowiedział(a) na rafallle temat w Instalacje CO i CWU
A naczynie nie zniszczy się szybciej jak będzie na zasilaniu? w sensie chyba wszystkie instalacje jakie widziałem miały te naczynie na powrocie tam gdzie czynnik jest chłodniejszy. ? Jak się kocioł gotuje to i tak wychodzi nie tylko zasilaniem ale również i powrotem chyba. Ewentualnie mogę przenieść naczynie zaraz pod kocioł, za zaworem klapowym ale również na powrocie- zmienia to coś czy mimo wszystko ma być rura zasilająca?? -
Grawitacja A Zabezpieczenie Powrotu Kotla
dash4 odpowiedział(a) na rafallle temat w Instalacje CO i CWU
Chodzi o zawór kulo na buforze? W którym miejscu te zawory?? Ten bajpas własnie kombinuję po to aby w razie czego mogła zadziałać grawitacja a dodatkowo aby można było dobijać bufor pompką. Zastanawiam się tylko czy grawitacja ruszy jeśli u mnie te rury są w poziomie to raz a dwa czy mimo tego że główne rury to 1,5" ale zawory jednak zmniejszają średnicę...wychodzi tam ok 1" (tak na oko). Bajpas to 1" W kwestii zaworu kulowego na buforze - qrde - zdaję sobie sprawę że nie powinno być niczego na linii bufor naczynie wzbiorcze ale chciałbym dać zawory na każdym króćcu na buforze w razie draki żeby można go było dość szybko zamknąć. Ewentualnie może dam naczynie wzbiorcze zaraz przy buforze a dopiero za nim zawór- czy to coś zmienia? Wtedy odcinam bufor razem z naczyniem. -
Grawitacja A Zabezpieczenie Powrotu Kotla
dash4 odpowiedział(a) na rafallle temat w Instalacje CO i CWU
Trochę odgrzebię kotleta. Dopiero biorę się za podłączanie kotła i im więcej im bliżej jestem tym więcej niejasności. Nadal interesuje mnie ta ochrona powrotu i grawitacja. Robię bajpas jak na rys. ale w sumie zastanawiam się czy to wszystko będzie jednak działać? Jaki sterownik do tego zastosować i co poza wskazanymi elementami dać? Tak samo- który zawór temp. zastosować. Wcześniej chciałem Herz bo miał przyłącza na 6/4 ale w sumie bajpas u mnie to 1" więc równie dobrze każdy inny podejdzie- który? Pompa miała by startować przy jakiej temp ? Będę wdzięczny za podpowiedź czy wskazany schemat ma prawo działać?? Pozdrawiam Daniel/ -
Marcinos76 nie żebym się znał, nie chcę Cie wqr....ć bo i tak już po "ptokach",.... czy coś, ale na fotach widzę kształtki w ocynku i mosiężne. Z tego co wiem to nie powinni łączyć ocynku na ciepłej wodzie bo ocynk przy wyższych temp się oddziela i syf pływa a instalacji a druga sprawa to miedź która w połączeniu z ocynkiem sprawia że kształtki ocynkowane korodują... Jeśli to robiła jakaś poważna firma za poważne pieniądze to raczej powinni to wiedzieć?? Z drugiej strony tyle dziadkowych instalacji działało tyle lat a złożone było z ocynku i miedzi że pewnie nie ma co panikować... Pozdrawiam U mnie podłaczenie MPMa dopiero przede mną..;/
- 5290 odpowiedzi
-
- MPM DS
- instalacja buforowa
- (i 4 więcej)
-
Grawitacja A Zabezpieczenie Powrotu Kotla
dash4 odpowiedział(a) na rafallle temat w Instalacje CO i CWU
W sumie proste. Miałbyś to może na jakimś schemacie?? A średnica rur - jak zrobię na 6/4 to wystarczy? Poza tym - jaką pomkę najlepiej tam zamontować- dawać tą na 4 m czy ta 6 lub większa? -
Grawitacja A Zabezpieczenie Powrotu Kotla
dash4 odpowiedział(a) na rafallle temat w Instalacje CO i CWU
|No rozumiem że ATV jest potrzebny- ale jak go pogodzić z grawitacją?? -
Grawitacja A Zabezpieczenie Powrotu Kotla
dash4 odpowiedział(a) na rafallle temat w Instalacje CO i CWU
Czyli jak grawitacja to bez ochrony powrotu? Jak ochrona powrotu to bez grawitacji? A co w przypadku jeśli ma się bufor ciepła i układ grawitacyjny który to nie nabije sam bufora do wyższych temperatur. Da się to jakoś ogarnąć? Z tego co wiem to tylko pompa i zawór różnicowy? Niemniej jednak teraz producenci wymagają aby kocioł miał ochronę powrotu- w przeciwnym wypadku brak gwarancji.
