dash4
Stały forumowicz-
Postów
125 -
Dołączył
-
Ostatnia wizyta
Typ zawartości
Forum
Wydarzenia
Blogi
Artykuły
Treść opublikowana przez dash4
-
MPM Kocioł Ds Mpm z buforem ustawienia i porady - wydzielone
dash4 odpowiedział(a) na TomekUrobos temat w Kotły zasypowe
Puściłem ciśnienie tak do około 0,7bara....teraz jak bufor ma ok 80C ciśnienie podskakuje do ok 1,2bar...także bezpiecznie póki co. Pompka też goni....Już nie operuje zaworem.. wygląda ze smoła zalała otwory i nic już nie wypływa.😜 Mam do Was tylko pytanie jeszcze- macie może jakieś sprawdzone termometry wifi? Takie które będą dobrze zaczytywać temp. Kupiłem od chińczyka takie teoretycznie do 120C. Ale za cholerę. Wiszą ponad 70C. Pokazują stała temperaturę oczywiście nie zgodna z prawdą. Do ok 60-70 stopni wskazują w miarę dobrze.....no chińczyk. Ma ktoś może sprawdzone termometry?? -
MPM Kocioł Ds Mpm z buforem ustawienia i porady - wydzielone
dash4 odpowiedział(a) na TomekUrobos temat w Kotły zasypowe
Najwyższy punkt instalacji to u mnie jeden grzejnik na parterze. Reszta jest wszystko w piwnicy. W piwnicy najwyższy punkt to odpowietrznik i zawór bezpieczeństwa na buforze na górze....Myślałem upuścić ciśnienie do 0,8bara zaworem z boku bufora...i obserwować co i jak.. -
MPM Kocioł Ds Mpm z buforem ustawienia i porady - wydzielone
dash4 odpowiedział(a) na TomekUrobos temat w Kotły zasypowe
Dzięki za wszystkie rady. Sorki że tak nie odp na bieżąco ale trochę mi się życie po komplikowało i dużo obowiązków doszło. W kwestii kotła. Wydaje się że słuszne było stwierdzenie że dziegc wydziela się przy pierwszych paleniach...później przestaje. Palilem już dwa razy na w pełni otwartym zaworze powrotnym z bufora, woda w buforze to ok 25C na powrocie i wygląda na to że nic nie ciekło...a jak ciekło to nie było widać. Została kwestia zadymiania...przy podkładaniu. Z racji że dopiero zacząłem palenie to się po prostu przypuszczam że muszę nauczyć. Zrębka z Tui palę bo muszę gdzieś się tego pozbyć. Pali się świetnie...aczkolwiek nie wiem czy smoły za dużo nie wydziela..na ściankach. Nie wazne-bede skrobał😜 Kocioł u mnie pali się na ok 70-80 C więc temp.dobra. Póki co nie mam automatyki...więc z palca muszę załączać bajpas z pompą ale bufor nabiłem do 80C na górze i dole.. Trochę boję się ciśnienia..bo zawór bezpieczeństwa mam na 2,5bar. Normalnie na instalacji jest 1bar nabity. Jak było te 80C ciśnienie wzrosło do 1,8bar. Niedaleko do tych 2,5. Nie wiem czy zmniejszyć ciśnienie w instalacji czy jak. Zaworu już raczej nie wymienię bo szkoda mi zladu. Co do drewna to tak jak mówiłem..brzoza, olcszyna to podstawa. Mam teraz jednak zamiar kupić trochę odpadów stolarnianych dębowych. Sprawdzę jak tym pójdzie. Drobnica. Może lepsze temp uzyskam choć z tym ciśnieniem.. Palę przy dolnych drzwiczkach uchylonych. Przez miarkownik jakby za słabo szło tego powietrza. Jakby nie chciał się rozchulac. Aczkolwiek kilka razy udało się przez klapkę miarkownika. -
MPM Kocioł Ds Mpm z buforem ustawienia i porady - wydzielone
dash4 odpowiedział(a) na TomekUrobos temat w Kotły zasypowe
Qrde nie wiem...mam już dość wycierania tych wycieków...Jeśli operuje zaworem tj najpierw przymykam mocno a w miarę jak się kocioł ogrzewa otwieram....wtedy wycieków nie ma. Otworzyć na maxa trochę i rozpalić trochę się boje bo tak jak mówię nie chce mi się już tego cholerstwa ścierać...a ręce śmierdzą że szok. ...Po cichu liczę że będzie tak jak mówi zaciapa- że to na początku od uruchomienia...później ustanie. Ogólnie pali się fajnie ale...ale problem też mam z podkładaniem...za cholerę nie idzie otworzyć drzwiczek tak żeby dym nie wylatywał....Robię krótki obieg spalin, dolne drzwiczki zamykam i zostają uchylone te zasypowe-gorne...czekam chwilę na uchylonych żeby zassalo spaliny później otwieram i próbuje dokładać opal a i tak dym.sie wydostaje...to się da ogarnąć? Czy tak ma być? -
MPM Kocioł Ds Mpm z buforem ustawienia i porady - wydzielone
dash4 odpowiedział(a) na TomekUrobos temat w Kotły zasypowe
Jak dobrze operuje zaworem na powrocie to i tych wycieków nie ma...ale trzeba ręcznie majstrować. Na początku zdławić do ok 25% szacuje a później otwierać... -
MPM Kocioł Ds Mpm z buforem ustawienia i porady - wydzielone
dash4 odpowiedział(a) na TomekUrobos temat w Kotły zasypowe
To czego? Wszystko było by świetnie gdyby powrót był wolniejszy.. -
MPM Kocioł Ds Mpm z buforem ustawienia i porady - wydzielone
dash4 odpowiedział(a) na TomekUrobos temat w Kotły zasypowe
Czyli jedyna opcja to zabawaanualna zaworem...na początku prawie zdławić, później rozkręcić...ehh..trzeba chyba będzie jakiś siłownik do tego ogarnąć... -
MPM Kocioł Ds Mpm z buforem ustawienia i porady - wydzielone
dash4 odpowiedział(a) na TomekUrobos temat w Kotły zasypowe
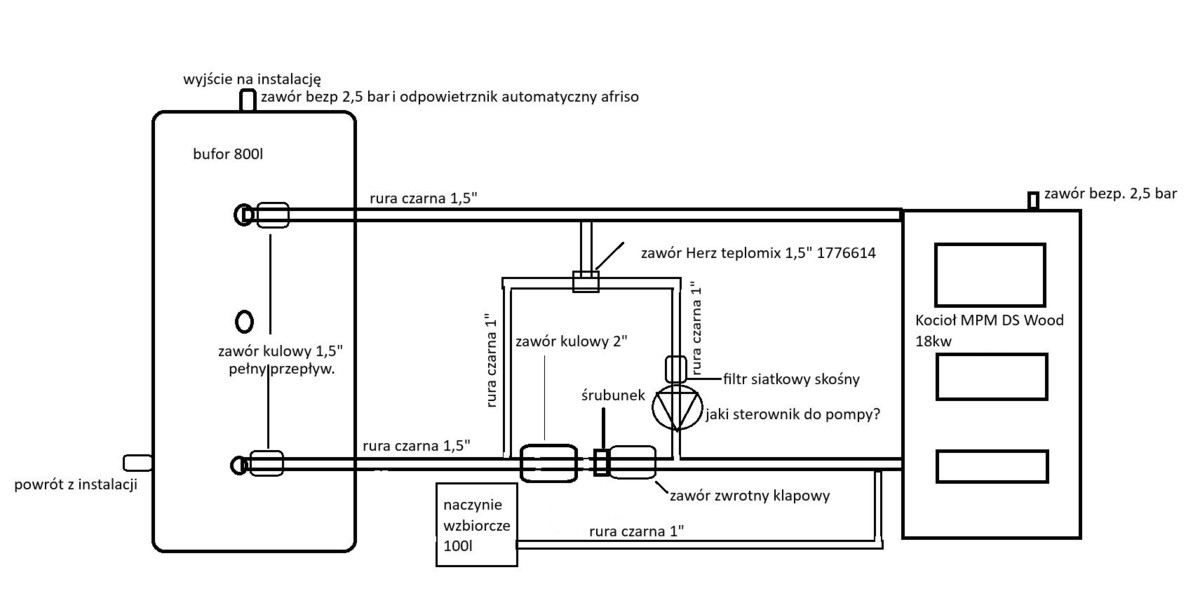
Mam w ten sposób jak na schemacie. Póki co nie dorobiłem się żadnych sterowników. Pompy włączam ręcznie i wyłączam. Zamówiłem już sobie sterowanie wifi gniazdka i termometry....zobaczę jak będzie. Aczkolwiek jakiś sterownik i tak będzie potrzebny. Zostało mi ocieplić instalację bo szybko się rozładowuje. -
MPM Kocioł Ds Mpm z buforem ustawienia i porady - wydzielone
dash4 odpowiedział(a) na TomekUrobos temat w Kotły zasypowe
Qrde też tak trochę pomyślałem Żeby na to wszystko odp. Muszę zasiąść przy kompie....bo za dużo info zebybs tel ogarnąć. Aczkolwiek powiem tyle- komin stary, budynek to kostka PRL więc cudów się spodziewać nie ma co. Ale średnica spora -cug jest. Nie ocieplony. Skąd ta smoła /dziegc się bierze to ja wiem. Tak jak napisał Piecuch19 to kwestia dogrzania kotła. Myślałem jednak że jak zrobię grawitacja to będzie to na tyle wolne że nie będzie tego efektu. U mnie grawitacja chyba za dobrze hula bo muszę mocno dławić powrót zaworem. Te rury 6/4 o które walczyłem pierwotnie żeby były jak największe chyba są po prostu za duże. Palę drewnem suchym 3-4 lata swzonowanym. Niestety tylko i aż brzoza olszyna....czasami dołożę że 3-4 skałki z tuji która wycinałem w maju....także nie sezonowana. Do tego zrębka z gałęzi tuji i drzewek owocowych. Wydaje się się zrębka bardzo sucha, ale... Ogólnie to podstawa to brzoza i olszyna. Reszta to dodatki. Jest jakiś sposób aby nie walczyć zaworem a jakoś inaczej opanować te wydzielanie skroplin? Oczywiście mam też pompkę jako alternatywę z zaworem Hertz teplomic...61C... -
MPM Kocioł Ds Mpm z buforem ustawienia i porady - wydzielone
dash4 odpowiedział(a) na TomekUrobos temat w Kotły zasypowe
No i "po latach" w końcu udało mi się odpalić kocioł...grzeje. ale mam problem ze smoła wypływająca z kotła...tam za klapkami powietrza...Rury mam 6/4 całą. Grawitacja hula. Instalacja podłączona jak w moim schemacie omawianym w innym temacie. Na rurze powrotnej jest zawór 2cale....nawet po jego przymknięciu do połowy mam problem ze jest smoła...trzeba go zdławić bardzo mocno żeby jej nie było ale wtedy muszę pilnować kotła żeby nie zagotować....czyżbym dał za duże średnicę?? Bufor (górę nabijam do 90C)na grawitacji. Dużo nie paliwem póki co bo jeszcze aż tak zimno nie jest..póki co udało mi się nabić górę do 90 a środek do 70C. Na dole coś lekko ponad 40C. A smoła dalej....Da się coś z tym zrobić? -
Grawitacja A Zabezpieczenie Powrotu Kotla
dash4 odpowiedział(a) na rafallle temat w Instalacje CO i CWU
Pompa jest dołożona żeby dobijać bufor...aby nagrzać go w calości a nie tylko górę... -
Grawitacja A Zabezpieczenie Powrotu Kotla
dash4 odpowiedział(a) na rafallle temat w Instalacje CO i CWU
maronka a zobrazował byś to rysunkiem? W sensie w którym miejscu na bajpasie ten zawór. Z drugiej strony to ja już mam porobione jak na moim schemacie i na chwilę obecną nie będę zmieniał. Zostało mi uszczelnić rewizję w buforze i zalać wodą i mogę palić. W międzyczasie będę robił rozejścia na grzejniki o podłogówkę.... Szukam też czegoś do zrobienia izolacji i skłaniam się do oklejenia bufora matą kauczukową...ponoć 1 cm tej maty to 7 wełny <szok> o ile to prawda 🙂 Choć wełnę też dam jako zewnętrzna warstwa 🙂 Niestety mam ślimacze tempo skręcania tego wszystkie i chyba wyjdzie że pierwsze palenie to na maj/czerwiec wypadnie - ehhhh. No cóż następna zima może będzie lepsza. Mam tylko nadzieję że uda mi się normalnie kocioł rozbujać i nie dosięgnął mnie problemy z którymi mierzy się zaciapa -
Grawitacja A Zabezpieczenie Powrotu Kotla
dash4 odpowiedział(a) na rafallle temat w Instalacje CO i CWU
Rysować to sorki ale za dużo jak dla mnie. Jeśli chodzi o współpracę z kotłem gazowym to w tym momencie z obiegu podlogowki mam zostawione zawory w które później się wepne kotłem stalopalnym. Żeby syf z kotła i bufora nie szedł mi w rurki podlogowki wymyśliłem sobie że zrobię to przez wężownice w buforze. Podlogowka i tak nie wymaga dużych temp więc...powinno działać. Gdyby jednak się okazało że wężownicą to za mało wtedy zastosuje wymiennik ciepła. Oczywiście do tego pompka, zawór mieszający itp. Drugi obieg to grzejniki w piwnicy - bo w tym momencie mam piwnice nieogrzewana. W piwnicy stoi kocioł i bufor. Z bufora górnym wyjściem na rozdzielacz a z rozdzielacza na grzejniki. Oczywiście wcześniej będzie pompka i zawór mieszający. Jeśli chodzi o cwu to jeszcze nie myślałem nad tym ...zastanawiałem się czy nie wpiąć się również w ten rozdzielacz od grzejników jakimś bojlerem 150l z wężownicą. Tam będzie ok 60C na grzejniki więc spokojnie cwu powinno się nagrzać. Nie wiem. Nie myślałem za mocno nad tym na razie. Ostatecznie cwu zostanie z kotła gazowego. -
Grawitacja A Zabezpieczenie Powrotu Kotla
dash4 odpowiedział(a) na rafallle temat w Instalacje CO i CWU
Jakoś tak to idzie...jak krew z nosa ale do przodu. Ponieważ bufor stał kilka miesięcy/czyli jest nalot rdzy w srodku-zastsnawiam się czy mogę go psiknac fosolem czy czymś podobnym...chyba nic się nie stanie. A ta luźna rdza zostanie związana....? Czy lepiej tego nie robić? -
Grawitacja A Zabezpieczenie Powrotu Kotla
dash4 odpowiedział(a) na rafallle temat w Instalacje CO i CWU
Trochę mnie z tym klapowym uspokoiłeś. Ale z kolei nowy problem do którego jeszcze nie doszedłem a już go biorę pod uwagę po Twoim wpisie to te skoki cisnienia. Ja mam bufor 800 + jakieś 3 grzejniki będa duże....niech będzie 1000l. Ale do tego mam tylko naczynie 100l. Nie specjalnie mam już gdzie wsadzić następne. Tzn mam ale szkoda mi miejsca. A wolałbym nie robić bomby 😛 Zawory zastosowałeś 2,5bar czy większe? Dobrze widzę że nie zrobiłeś ochrony powrotu? Można wiedzieć dlaczego zrezygnowałeś? Producenci kotłów w gwarancjach piszą że "ma być". Więc ją wsadziłem tak na zaś (licząc że będzie grawitacją robiło) ale jakby nie robiło to jest ochrona i pompka w ruch... Od jakiej temp u Ciebie pompka ma dobijać bufor? Choć w sumie to za wczesne pytanie skoro nie grzałeś dalej... -
Grawitacja A Zabezpieczenie Powrotu Kotla
dash4 odpowiedział(a) na rafallle temat w Instalacje CO i CWU
Bufor niestety musi tak zostać. Inaczej mi się do piwnicy nie zmieści. W tym momencie są na tym samy poziomie. Rury idą jak widać 1,5" i więcej nie dawałem bo wyjścia z kotła mam 1,5" - zresztą tak samo wyjścia z bufora to 1,5" ...stwierdziłem że nie ma sensu dawać większej średnicy rury skoro i tak są zwężenia na wyjściach/wejściach. Martwi mnie tylko ten klapowy zwrotny- on trochę przewęża średnicę. Bo ta klapka nie otwiera się aż do pełnego przepływu tylko jednak robi jakąś barierę. Sprawdzałem to większość firm która robi takie zawory ma podobnie... -
Grawitacja A Zabezpieczenie Powrotu Kotla
dash4 odpowiedział(a) na rafallle temat w Instalacje CO i CWU
-
Grawitacja A Zabezpieczenie Powrotu Kotla
dash4 odpowiedział(a) na rafallle temat w Instalacje CO i CWU
Gruner ocieplać rurę powrotną to chyba nie aż takie istotne? Zasilająca bufor będzie ocieplona ale powrotna...coś spórbuję ale bardzo się spuszczać nad tym nie będę. Króćce dla mnie i tak za długie. A dodając zawory na kazdy i tak są przedłużone. Dam tyle ocieplenia ile wejdzie. Kocioł- za ścianą. mars721 teraz już trochę za późno. Już pociąłem rury na klapowy, itp. Ogólnie jeszcze trochę i będzie koniec. Wolno idzie bo nie ma kiedy robić 😞 . Gwintowanie też ciężko idzie ręczną. -
Grawitacja A Zabezpieczenie Powrotu Kotla
dash4 odpowiedział(a) na rafallle temat w Instalacje CO i CWU
-
Grawitacja A Zabezpieczenie Powrotu Kotla
dash4 odpowiedział(a) na rafallle temat w Instalacje CO i CWU
Myślę że nie będę kolan dawał..tzn podnoszących a zrobię to lekko pod skosem kolanami 45 itp. mam też kolana łukowe i tym spróbuję ogarnąć aby nie było dużych załamań. Niestety uświadomiłem sobie dopiero podczas składania dwie sprawy: -zawor klapowy zwrotny zmniejsza mi średnicę przeplywu-zastanawiam się czy to będzie miało istotny wpływ na grawitację. -od strony bufora dam jeszcze filtr siatkowy 1,5" i też się zastanawiam czy grawitacja mimo to będzie hulać.. ?? -
Grawitacja A Zabezpieczenie Powrotu Kotla
dash4 odpowiedział(a) na rafallle temat w Instalacje CO i CWU
Ale właśnie rura powrotu będzie lekko w dół schodzić. Wejście w kotle jest niżej niż wyjście z bufora. -
Grawitacja A Zabezpieczenie Powrotu Kotla
dash4 odpowiedział(a) na rafallle temat w Instalacje CO i CWU
Qrde mam problem lekki. Zacząłem składać ochronę powrotu, podłączać bufor do kotła (póki co) i wychodzi że powrót z bufora mam lekko wyżej (jakieś 10-15cm) niż wejście w kotle. Tj powrót będzie w dół. Zasilanie z kotła do bufora mam w poziomie. Czy to może mi popsuć całą grawitację? -
I mnie pompa na drugim biegu zasowa....dać na 3? O tym nie myślałem...
-
To który parametr mogę zmienić jako pierwszy (na próbę )aby coś zmienić? Od czego byście zaczęli? Pkt końcowy? Początkowy? Krzywa?
-
Grawitacja A Zabezpieczenie Powrotu Kotla
dash4 odpowiedział(a) na rafallle temat w Instalacje CO i CWU
Tak wyszło...skusiła mnie ta dobra cena bo normalnie te zbiorniki to trochę kosztują...więcej jak 70C nie powinno tam lecieć przynajmniej przy normalnej pracy...ewentualnie mogę też wymienić membranę na taką która wytrzymuje więcej niż 70 bo nie sądzę żeby te ograniczenie dotyczyło metalu...bańka to bańka a ta jest do 10bar a nie do 6 jak te do CO. Tak tylko pytałem ile (jaka temp powrotu) max może być na powrocie zakładając normalną pracę i fakt że zawór atv będzie na 60C. ?
