Skocz do zawartości
IGNOROWANY

Atmos DC18S - zasilanie Laddomatu 21


gryesiek1209

Rekomendowane odpowiedzi

Opublikowano

Witam,

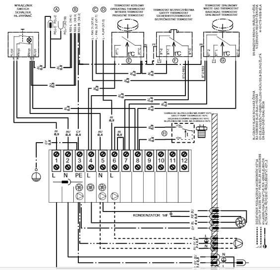
posiadam kocioł Atmos DC18s. Jestem na etapie kompletowania gratów. Mam również do niego Laddomat 21. Pompę Laddomat-u chciałbym załączać i wyłączać uzależniając ją od temperatury spalin. Czy jest jakiś sposób w tych kotłach aby zasterować pompą poprzez termostat spalinowy lub kotłowy tego kotła ? Czy może lepszym rozwiązaniem bedzie zakupienie takiego samego termostatu kotłowego jaki już jest w tym kotle i podłączenie go niezależnie do pompy z kapilarą umieszczoną na czopuchu ? Jakie jest Wasze zdanie ? Dołączam schemat elektryczny kotła.

P.S. Nie chciałbym raczej uruchamiać pompy ładującej bufor poprzez termostat przylgowy na rurze zasilającej wychodzącej z kotła.

image.png.2eb0e952eb948fd8dfda46a8fd1cb101.png

Z góry dzięki za wszelkie podpowiedzi.

  • 9 miesięcy temu...
Opublikowano

W/g instrukcji laddomat należy podłączyć pod termostat spalinowy kotła - na przytoczonym schemacie przewody oznaczone linią przerywaną do pompy laddoatu (L, E, N  -  faza, uziemienie, neutralny).

Zarchiwizowany

Ten temat przebywa obecnie w archiwum. Dodawanie nowych odpowiedzi zostało zablokowane.

  • Ostatnio przeglądający   0 użytkowników

    • Brak zarejestrowanych użytkowników przeglądających tę stronę.
×
×
  • Dodaj nową pozycję...

Powiadomienie o plikach cookie

Używając tej strony zgadzasz się na Polityka prywatności.