Skocz do zawartości
IGNOROWANY

Podłączenie Sterownika Perfekt Do Silnika


MartinMW

Rekomendowane odpowiedzi

Opublikowano

Witam,

Miałem przezwojony silnik i wymianę łożyska(besel 0,09) z grupy cantoni.

Obecnie chce podłączyć sterownik do tego silnika, jednak nie pamietam, w których miejscach były przymocowane kable. Są 3-y: niebieski, brązowy oraz żółto-zielony.

Załączam zdjęcie i proszę o poradę.

post-47635-0-41745700-1479934889_thumb.jpeg

Opublikowano

Czy te przewody podłączone brąz i niebieski to kondensator? i czy spod zacisku gdzie jest niebieski coś jeszcze odchodzi?

A spod zacisku  gdzie leży obecnie niebieski niepodłączony też coś odchodzi?

 

Zółto-zielony napewno do obudowy

 

Lepsza fotka by się zdała, żeby było widać co jest pod zaciskami.

 

 

 

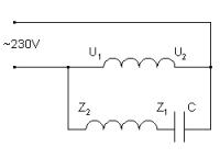
Ogólny schemat zasil.silnika 1-faz wygląda tak.

post-69944-0-13840500-1479939171_thumb.jpg

Zarchiwizowany

Ten temat przebywa obecnie w archiwum. Dodawanie nowych odpowiedzi zostało zablokowane.

  • Ostatnio przeglądający   0 użytkowników

    • Brak zarejestrowanych użytkowników przeglądających tę stronę.
×
×
  • Dodaj nową pozycję...

Powiadomienie o plikach cookie

Używając tej strony zgadzasz się na Polityka prywatności.