Adam1612 Opublikowano 17 Września 2014 Autor #26 Opublikowano 17 Września 2014 Schemat instalacji. Niestety moje zdolności malarskie są cokolwiek skromne więc schemat nie jest dziełem sztuki.
Gość mak Opublikowano 18 Września 2014 #27 Opublikowano 18 Września 2014 1. Wyrzucić zawór 4D 2.. Wyrzucić zawór różnicowy 3. Zastosować pompę ładowania podgrzewacza cwu z zaworem zwrotnym 4. Podłączyć zgodnie z przepisami naczynie wzbiorcze (podłączenie rurą 1" bezpośrednio z kotła bez żadnej armatury)
gregorm Opublikowano 18 Września 2014 #28 Opublikowano 18 Września 2014 Adam, nie napisałeś nic o tym jak wygląda grzanie cwu i czy na nitce do podgrzewacza są jakieś zawory (zasilenie, powrót), o co pytałem kilka postów wyżej. Jak patrzę na zdjęcia i schemat, które zamieściłeś, to dochodzę niestety do wniosku, że szybsze, łatwiejsze i mniej "stresujące" może być nawet rozebranie i złożenie instalacji po stronie kotła na nowo z uwzdlędnieniem uwag mak-a niż dalsze poszukiwanie usterki. Można by było dać wtedy jeden sterownik obsługujący wszystko z np. priorytetem cwu. Będzie na pewno bardziej niezawodnie i komfortowo. Jeśli będziesz szukał "usterki" to: 1. Sprawdź, czy jak zamkniesz przepływ na zasobnik cwu (jeśli jest jakiś zawór, dalej tego nie wiem) coś się zmieni w temperaturach na wymienniku. Być może ktoś się bawił i otworzył zawór, który służył do "podregulowania" przepływów między zasobnikiem i wymiennikiem. W twoim układzie, przy zbyt dużym przepływie wody kotłowej przez zasobnik (a za małym przez wymiennik), woda w nim podgrzewana będzie grzana do "oporu", co przy braku poboru cwu może też prowadzić w rezultacie do gotowania wody w kotle. Stąd moje wcześniejsze pytanie o grzanie wody. 2. Zawieszony lub uszkodzony zawór różnicowy. Jeśli metoda młotkowa nic nie dała, zrób tak (ten sposób jest uwarunkowany istnieniem zaworów na nitce do zasobnika): dopełnij wodę po stronie kotłowej pod "korek" aż się przeleje przez naczynie wzbiorcze (będzie łatwiej obserwować). Zamknij następujące zawory: na nitce do zasobnika, na wyjściu z pompy kotłowej, na zasileniu wymiennika od strony kotła, jeśli któryś zawór nie będzie dobrze trzymał nie będziesz miał 100% pewności. Otwórz zawór spostowy z kotła. Odkręć pompę kotłową i poczekaj aż z kotła spłynie woda. Za jakiś czas sprawdź czy w naczyniu wzbiorczym pozostała woda przez otworzenie zaworu nad pompą lub przez opukanie naczynia (jest różnica w dźwięku przy pustym i pełnym naczyniu, tak jak przy szukaniu "dziur" w ścianach ;)). Jeśli zawór różnicowy trzyma to w naczyniu pozostanie woda. Jeśli nie trzyma to można próbować go rozkręcić, "rozchylić" i ruszyć kulę np śrubokrętem (nie będzie łatwo i przyjemnie), wywalić całkowicie lub wymienić (nie będzie łatwo i przyjemnie). 3. Uszkodzony lub niedrożny zawór 4D. Nie mam innego pomysłu na bezinwazyjne sprawdzenie jak tylko próba wykręcenia jego głowicy roboczej, obejrzenie jej oraz gniazda a także sprawdzenie ich wzajemnego dopasowania i działania. Z uwagi na budowę wewn. takiego zaworu usterka jest mało prawdopodobna. 4. Jakaś niedrożność na rurociągach. Ciężko to zlokalizować. Tyle moich pomysłów. Daj znać o efektach poszukiwań.
Adam1612 Opublikowano 18 Września 2014 Autor #29 Opublikowano 18 Września 2014 Mak Domyślam się , że w przypadku osobnego grzania zasobnika należałoby dołożyć dodatkową pompę. Obecnie strona kotłowa chodzi na jednej pompie która jednocześnie grzeje też zasobnik. Proponujesz wywalenie zaworu różnicowego - może tak zostać na stałe. czy to tylko w ramach próby. Gregorm Jak pisałem wyżej cały układ po stronie kotłowej pracuje na jednej pompie. Obsługiwany jest przez 2 sterowniki typu Auraton 1106 Sensor - znaczy tego rodzaju. Jeden sterownik na obiegu kotłowym - obsługuje CWU , drugi na wtórnym. Czujki zamontowane na wyjściu z kotła - obsługuje stronę kotłową - i przy wymienniku - obsługuje stronę centralnego. Ad 1 Na zasobnik CWU oczywiście jest zawór , jednak niema on żadnego wpływu na działanie wymiennika płytowego. Czy jest otwarty czy zamknięty (zawór ) to układ działa tak samo - znaczy wyjście z wymiennika na kotłowym zimne - przy uruchomionym obiegu wtórnym.Jeżeli wtórny nie działa to powrót w wymiennika gorący. Ad 2 Niestety moje ucho jest za mało muzykalne żeby wychwycić różnice w odgłosach pusty/pełny zbiornik wyrównawczy. Przy wywaleniu zaworu różnicowego co dać w zamian? Ad 3 Na szczęście zawór 4D jest na śrubunkach także wyjęcie go nie powinno sprawiać większych problemów.Chociaż wydaje się on być sprawny Ad 4 Wszystkich rur jest tam może ze 2-3 metry i kilka kształtek.Także w sumie niema dużo szukania - prędzej zabawa w szukanie dziury w całym. Jak wspomniałem w na początku układ działał przez jakieś 2-3 lata i wszystko było OK. W okolicach kwietnia coś się porobiło i koniec. Jaki sterownik proponujecie do obsługi tego układu - żeby miał funkcję priorytetu CWU ? Coś takiego jak Auraton S14? Niestety , z różnych przyczyn mogę tam bywać tylko w sobotę i chciałbym być maksymalnie przygotowany na działanie. Także wtedy dam znać co się uruchomiło. Jeśli można prosić o jakiś mały schemat jak powinno to wyglądać to będę wdzięczny :)
Gość mak Opublikowano 19 Września 2014 #30 Opublikowano 19 Września 2014 Twoim problemem jest jedna pompa, woda ma tą właściwość że płynie tam gdzie ma łatwiej a najłatwiej ma na podgrzewacz cwu i do naczynia wzbiorczego.Musisz zmusić wodę podgrzaną w kotle aby płynęła przez wymiennik. Zawór różnicowy jak już koniecznie chcesz to zostaw w obwodzie pompy ładowania podgrzewacza, grawitacyjnie przez wymiennik nic nie pójdzie, jak boisz się braku energii to lepiej zastosuj UPS albo przetwornicę do zasilania układu. Nie ma znaczenia typ sterownika powinien mieć możliwość obsługi pompy kotłowej i pompy ładowania podgrzewacza (+ obsługę czujników oczywiście). Zawór 4D jest człkowicie zbędny.
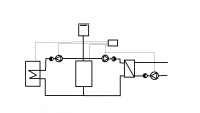
gregorm Opublikowano 19 Września 2014 #31 Opublikowano 19 Września 2014 Adam, po wywaleniu zaworu różnicowego należałoby zmienić miejsce włączenia rury wzbiorczej - konieczność rozkręcania. Przy szukaniu niedrożności - konieczność rozkręcania. Przy okazji rozkręcania można wywalić zbędny zawór 4D i zaprowadzić trochę ładu po stronie kotłowej np. wg tego schematu (oczywiście uproszczonego): lub Pompy ewentualnie można dać na powrocie, będzie dla nich zdrowiej.
Adam1612 Opublikowano 19 Września 2014 Autor #32 Opublikowano 19 Września 2014 Dziękuję bardzo za schemacik Na razie prace zostają wstrzymane - przyjeżdża ekipa która to robiła i zobaczymy co wymyślą. Mak Nie boję się braku prądu. Braki prądu się raczej nie zdarzają. Nie to , że się upieram żeby został zawór różnicowy - wydawało mi się , że raczej się go stosuje Gregorm Patrzę na schemat i myślę , że w przypadku rozpalonego kotła i wyłączenia się pompy do ładowania zasobnika może się zagotować woda - brak odbioru ciepła. Tym bardziej , że kocioł jest osobno - załadowany i zostawiony sam sobie na jakiś czas. Poza tym nie wiem czy zasobnik na CWU ma wyjście na czujnik. W takim wypadku nie wiem czy nie lepiej byłoby podłączyć to jedną pompą po stronie kotłowej. Jeszcze raz dziękuję za pomoc :)
Rekomendowane odpowiedzi
Zarchiwizowany
Ten temat przebywa obecnie w archiwum. Dodawanie nowych odpowiedzi zostało zablokowane.