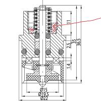
leszkowaty Opublikowano 13 Października 2013 #1 Opublikowano 13 Października 2013 mam pytanie dotyczące wkładki w zaworze zt22 czy zaznaczony na rysunku pierścień pełni jakaś regulacyjna funkcje? i czy powinien on być wkręcony do oporu? podczas kilkukrotnego montażu i demontażu głowicy, zaobserwowałem ze jest on "luźno wkręcony" Mam jeszcze pytanie dotyczące głowicy termostatycznej valvex (chyba gz05) zaczęła ona bardzo ciężko "chodzić" czy można ja jakoś wyczyścić woda czy przedmuchać? przestała ona pełnić swoja funkcje bo nawet przy nastawie <5> bardzo słabo lub wcale nie otwiera zaworu i grzejnik nie grzeje
man1 Opublikowano 13 Października 2013 #2 Opublikowano 13 Października 2013 Co do zaworu ZT22 nic niepowinno być tam luźne , mam nadzieję że przyjdzie z pomocą http://www.google.pl/url?sa=t&rct=j&q=&esrc=s&source=web&cd=2&cad=rja&ved=0CEcQFjAB&url=http%3A%2F%2Fwww.insbudwybrzeze.pl%2Fgetfile%2F503%2F&ei=mCdbUvfSAcqN0AWY7YDYBw&usg=AFQjCNEUTOfL5awkXKQM__sBifJoqFfkqA&sig2=-DlAoWDaDX7xbR0A3Ix_yA Co do głowicy termostatycznej wymień koszt ok 35zł i raczej tego się nienaprawia bo patrząc na nie to jednorazówki są . też mam zawory i głowice termostatyczne valvex gz.05. Wracając do zaworu zt22 będzie Ci potrzebny klucz do nastaw wstępnych http://www.valvex.pl/httpdocs/armatura-instalacyjna/klucz-do-nastaw-zt22/4412450 koszt ok 20zł dzięki nie mu dokręcisz wkładke i ustawisz potocznie zwaną kryzę.
leszkowaty Opublikowano 14 Października 2013 Autor #3 Opublikowano 14 Października 2013 dzieki za chęć pomocy :) klucz do nastawy wstępnej mam (ale to nie ten klucz) do tego pierścienia dostałem od hydraulika kluczyk "samoróbkę" jest to coś w rodzaju rurki z dwoma wypustkami na końcu zazębiającymi się z wpustami w tym pierścieniu W kwestii głowicy chciałem zasięgnąć rady czy można ja jakoś przeczyścić, bo do rozebrania to tam raczej nic nie ma (poza zaślepka z logo firmy)
dako1970 Opublikowano 14 Października 2013 #4 Opublikowano 14 Października 2013 co do głowcy najpierw sprawdx czy nie jest zapieczony bolec na zaworze termostatycznym,czesta przyczyna niewlasciwej pracy zaworu termostatycznego ,a co za tym idzie prawie nie mozliwa regulacja za pomoća głowicy głowica ponieważ jest wykonana z tworzywa sztucznego moze miec opory na swoim gwincie po którym sie obraca , ja stosuje smar silikonowy w sprayu do kontaktu z temperatura oczywiscie wstepnie mozesz przedmuchac przemyc
leszkowaty Opublikowano 14 Października 2013 Autor #5 Opublikowano 14 Października 2013 no właśnie przy sprawdzaniu czy ten bolec działa poprawnie wypatrzyłem ten pierścień (bolec jest ruchomy, czyli działa) dzisiaj rano najpierw przedmuchałem, a następnie przemyłem ta głowice pod bieżąca woda i po wyschnięciu "chodzi" jeszcze ciężej :( a niestety nie posiadam smaru silikonowego. chyba będę musiał nabyć droga zakupu nowa głowice
man1 Opublikowano 15 Października 2013 #6 Opublikowano 15 Października 2013 Co do zaworu wracając jesli masz je wewłasnym domku jednorodzinnym to pomyśl o o dwóch inwestycjach takich jak: 1.demoblok - umożliwia wymianę wkładki bez spószczania wody z C.O. (ubytek wody to ok 2L) 2. klucz do nastaw wstępnych ( ułatwia ustawienie kryz- złe ustawienie kryz może spowodować niewydolność grzewczą grzejnika danego lub całego układu). Mieszkam w bloku i powiem że jak chydraulik zchrznił ustawienie kryzy na 1 grzejniku w pionie to 3 i 4 grzejnik niedomagał z tego pionu ponieważ był tam taki spadek ciśnienia że ledwie ciepły był jak woda w węźle ciepłowniczym miała 50st. (blok ma 3 węzły - jeden węzeł na klatkę schodową) Co do głowicy to wymień bo nie warto inwestować w smary - umnie przez jeden rok poszło na smar tyle co naową głowicę. Jak trafi się bez wad głowica to nawet i z 5lat wytrzyma .Miałem jedną głowicę przez 14 lat i już była w takim stanie że żaden smar czy olej już jej nieranimował.
leszkowaty Opublikowano 18 Października 2013 Autor #7 Opublikowano 18 Października 2013 klucz do nastaw wstępnych posiadam (jak napisałem we wcześniejszym poście) a dla ~~350~~400 pln to ja znajdę lepsze zastosowanie niż zakup demobloka którego mogę nigdy w życiu nie użyć w domowym zaciszu :P co do tego pierścienia, to dokręciłem go tym "samorobkowym" kluczykiem i teraz czekam na efekty tej operacji (jest tam lewy gwint :o )
slawek290785 Opublikowano 28 Lipca 2017 #8 Opublikowano 28 Lipca 2017 Koledzy mam tego typu zawór tylko że założony przy bojlerze na zasilaniu w celu kryzowania przepływu wody na potrzeby grzejników. Dysponuje kluczykiem i instrukcją zaworu, ale trochę nie jasno jest opisane regulacja przepływu wody przez zawór. Po przeczytaniu instrukcji zapamiętałem : 1 kluczykiem luzujemy o jeden obrót wkręt M25x1,5 który zabezpiecza wkład. 2 odwracamy kluczyk i zazębiamy z czopem wkładu. 3. ustawiamy tarcze kluczyka strzałką w kierunku nakrętki/ przepływu i zazębiamy ją z korpusem. 4. lekko dociskając tarcze do zawory przekręcamy przetyczkę klucza (zawsze w lewo) do położenia znacznika naprzeciw kreski na tarczy oznaczającej wybraną nastawę. 5. odwracamy kluczyk i wkrętem blokujemy wkład. 6. Sprawdzamy ponownie nastawę bo mogla sie przestawić po dokręceniu. Podsumowując to co napisałem wyżej nie rozumiem punktu 4 samej nastawy na konkretny numer od 1-12?. I który znacznik ustawiamy na przeciw skali kryzowania Ta kreską ustawiam nastawę na odpowiedni numer czy tym prętem przesuwnym?A może ktoś to umie wytłumaczyć na chłopski rozum :). Pozdrawiam.
Rekomendowane odpowiedzi
Zarchiwizowany
Ten temat przebywa obecnie w archiwum. Dodawanie nowych odpowiedzi zostało zablokowane.