Skocz do zawartości
IGNOROWANY

Schemat, Prośba O Pomoc


pi0tr321

Rekomendowane odpowiedzi

Opublikowano

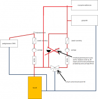
Proszę o ocenienie schematu instalacji, jest to stara grawitacyjna instalacja, w związku z wymianą kotła pojawił się pomysł zainstalowania zaworu trójdrożnego aby obniżyć temperaturę w grzejnikach przy zachowaniu odpowiednio wysokiej na kotle(poprzedni dość szybko zakończył swój żywot przez nastawianie na niską temp.).

 

Co wiem w tej chwili:

- zawór różnicowy nie powinien znajdować się na drodze do naczynia wzbiorczego - czytałem(chyba na tym forum) że było to kiedyś dopuszczalne

 

Czego nie wiem:

- czy zawór 3d będzie funkcjonował poprawnie przy "zbocznikowaniu" przez zawór różnicowy?

 

 

Przy okazji: bardzo chętnie zapoznałbym się z jakąś literaturą na temat, proszę o polecenie jakichś publikacji.

post-52369-0-95261700-1373484042_thumb.png

Opublikowano
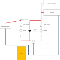
post-12152-0-95785300-1373488501_thumb.png
Opublikowano

To montując zawór 3D lub 4D z instalacji robisz bombę.

Zarchiwizowany

Ten temat przebywa obecnie w archiwum. Dodawanie nowych odpowiedzi zostało zablokowane.

  • Ostatnio przeglądający   0 użytkowników

    • Brak zarejestrowanych użytkowników przeglądających tę stronę.
×
×
  • Dodaj nową pozycję...

Powiadomienie o plikach cookie

Używając tej strony zgadzasz się na Polityka prywatności.