-
Postów
1498 -
Dołączył
-
Ostatnia wizyta
-
Wygrane w rankingu
10
Osiągnięcia 1mps
Weteran forum (13/14)
-
Unikat
-
Unikat
-
Unikat
-
Unikat
-
Najnowsze odznaki
135
Reputacja
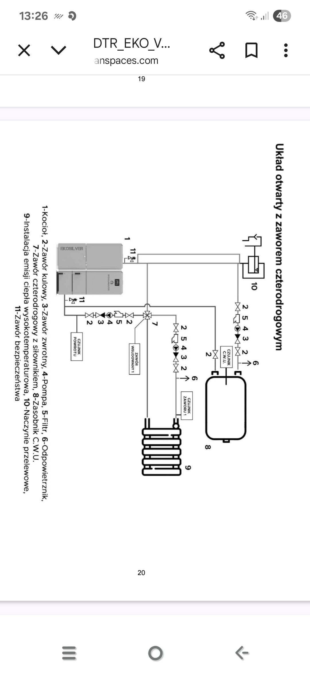
20
