xkubus89
Forumowicz-
Postów
78 -
Dołączył
-
Ostatnia wizyta
Typ zawartości
Forum
Wydarzenia
Blogi
Artykuły
Treść opublikowana przez xkubus89
-
@sambor cały czas nie daje mi spokoju ten mój pierwszy schemat. Odnoszę wrażenie, że puszczając cały powrót z instalacji (bez cwu) przez zawór 3D uzyskam tym równą pracę kotła bez dużych skoków temperatur. Chyba że nie. Nawet gdy zamknięty będzie całkowicie powrót z instalacji to pozostałe pompy na grzejniki i podłogę ustawię sobię zaworami 3D z zachowaniem przepływu powrotu z instalacji. Czy na schemacie w poście 11, pompa kotłowa powinna chodzić cały czas? Czy ustawić histerezę dla działania tej pompy np 50-55. Pompa elektroniczna grundfos Alpha 2.
-
Dzięki za poświęcony czas na odpowiedzi. Pozdrawiam.
-
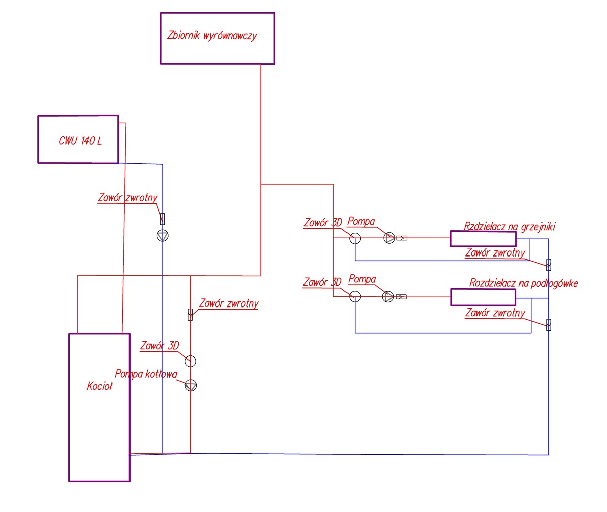
1 schemat tak jak napisałem obecny stan w kotłowni. Zawór 3d służył za ochronę powrotu przy buforze. Obecnie bufor wyrzucony z instalacji i w miejsce zaworu 3d z powrotu bufora wpięty powrót z instalacji c o i dalej zmieszana woda do kotła. 2 schemat to jest opcja nad którą zastanawiam się czy nie przerobić instalacji. Wtedy zostanie zaślepiony zawór 3D gdzie obecnie jest powrót z CO, a powrót, zostanie wpięty tak jak na schemacie nr 2. Popraw mnie jeżeli źle myślę. Gdy zostawię schemat 1, czyli obecny stan, gdy kocioł będzie sobie równo pracował i nagle spadnie temperatura na powrocie, to zawór 3D będzie zamykał powrót z instalacji, a pobierał wodę z kotła by zachować temperaturę powrotu, kosztem ciepła puszczanego na instalację. W tym wypadku, kocioł pewnie trochę podniesie modulację, temperatura powrotu wzrośnie, także i temperatura na kotle,zawór 3D się otworzy i puści obieg CO. I tak cały czas. Jak przy zaworze 4d.. otwiera zamyka... A w przypadku na 2 schemacie, moim zdaniem, nie będzie mi zawór 3D dławił obiegu instalacji CO gdy temperatura powrotu spadnie. Będzie mimo to swobodny przepływ wody przez kocioł, zawór 3D się otworzy,( zawór 3D będzie działał jak elektrozawór) zwiększy przepływ ciepłej wody z kotła w powrót ale zostanie zachowany, co prawda zmniejszony, przepływ ciepłej wody na instalację. Wtedy kocioł będzie musiał wejść na wyższą modulację, bez znacznej utraty puszczanej ciepłej wody na instalację...
-
Przed zmianami C O chodziło z buforem. Jak wiadomo robił za sprzęgło. Czyli wg Ciebie @sambor co powinienem zrobić? Wstawić sprzęgło hydrauliczne czy jakieś inne rozwiązanie? Na forum znalazłem schemat, który tu załączam, i byl ok. Patrzę nawet w instrukcji obsługi sterownika skzp 05, który mam, też jest schemat z pompą kotłową.. Czemu uważasz, że pompa kotłowa będzie zaburzać pracę instalacji? założona jest na zasilaniu. Będzie chodzić cały czas, ilością gorącej wody pobieranej z kotła i pchającej w powrót, będzie regulował płynnie zawór 3D, w zależności od temperatury powrotu. Pompa na OP jak dostanie przed zaworem 55-60 st z kotła to zawór będzie otwarty maks w 15-20 procent po wygrzaniu (maksymalnie na podłogówkę puszczam 32 st Przy -20… sterowana pogodowo) więc średnio 25-27 i grzejniki to samo, maks 55 st przy -20. Średnio 42-47 st. W chwili obecnej instalacja jest spięta tak jak na schemacie nr1 z poprzedniego posta, po usunięciu bufora.
-
Witam, Mam pytanie odnośnie instalacji... Czy poniższe schematy będą pracować poprawnie? Czy dobrze to rozumuje... Na schemacie nr 1, gdy temperatura powrotu będzie za niska, to zawór zamknie całkowicie dopływ chłodnej wody a zarazem obieg wody z instalacji, i wtedy pompa podłogowa i grzejnikowa, będą kręcić w miejscu, aż do podgrzania powrotu. Czy pompom nic się nie będzie działo? (Grundfos Alpha 2 L, 25-40 wszystkie). Chyba, że ograniczyć otwieranie i zamykanie zaworu przy kotle z jakimś minimalnym przepływem (np praca zaworu 10-90) Schemat 2 Instalacja spięta do kotła z pominięciem zaworu 3D. Pompa kotłowa będzie pracować cały czas, natomiast Zawór 3d będzie otwierał i zamykał dopływ ciepłej wody z kotła do utrzymania powrotu. Obieg wody w instalacji w tym wypadku nie zostanie zakłócony. Jeżeli zawór 3d nie podniesie za bardzo powrotu i temperatura zacznie spadać, wtedy kocioł bedzie modulował by osiągnąć temperaturę.. Czy mogę prosić o jakieś wskazówki, które rozwiązanie jest dobre, lepsze czy może w ogóle się nie nadaję?
-
Bufor, który mam ma pojemność 2600 l. 🙂 Tylko ja go ograniczyłem czujnikiem temperatury na ok 800 l, (czujnik na 1/3 wysokości od góry bufora) by nadmiar wyprodukowany przez kocioł a nie pobrany na instalację wystarczył na przygotowanie cwu w wężownicy, która jest w buforze, co i tak w ostatnim czasie jak były temperatury 10+ , kocioł stał bezczynnie prawie 40h. Kocioł mam 13kw, który zablokowany jest na modulacji 60% tj 7,8kw i temperatura zadana 65st. Bufor ocieplony jest raczej przyzwoicie. Płyty 5 cm wełny, i całość 15 cm styropian grafitowy. Zostawienie bufora sprawia, że mija się z celem montaż zasobnika cwu. Można grzałkę dołożyć do bufora i grzać w tańszej taryfie, bo mam G12w, jednak musi ogrzać więcej wody w buforze, niż miałaby grzałka ogrzać bojler 140 l. Fakt, mając bufor jest zawsze jakaś alternatywa. Kotła nie mam co zmieniać, kupiony był nowy właśnie we wrześniu 2021, gdzie węgiel kupowany był jeszcze po 900 zł.. Patrząc na obecną sytuację to już sam nie wiem co robić... Płacić za węgiel ponad 2000 zł za tonę to jest już przesada.. Chyba grzałki w buforze by wyszły taniej..
-
@Przemyslaw85 Nie mam co prawda porównania jak będzie kształtować się spalanie bez bufora, jednak wydaje mi się, że niepotrzebnie cały czas kocioł musi pracować wyższych temperaturach, gdzie na podłogówkę maksymalnie puszczam 30 - 32 st przy -20st i maksymalnie na grzejniki 55 też przy - 20, gdzie sytuacje takie są sporadyczne. W domu temperaturaz zawsze 22-22,5 Z obserwacji, średnio podłogówkę zasilam temperaturą wody 27-28 st a na grzejniki idzie 40-45. Ciepła woda użytkowa też jest z bufora, przepływowo. I to niestety wymusza grzanie do wyższych temperatur i musi być odpowiednia ilość ogrzanej wody by była ciepła cwu. Fakt, że po osiągnięciu zadanej bufora kocioł przechodzi w czuwanie eko i sam później startuje, jest fajne. Jednak każdorazowy start kotła, rozgrzanie z temp 25-30st do 65st przynosi straty (obecnie kocioł pracuje 12-15 h, i ma przerwy nawet 24h grzejąc tylko 1/3 pojemności bufora ok 800l ), tak jak magazynowanie ciepła, a im wyższa temperatura wody w buforze, tym te straty są wyższe. Wiadomo, że ciepło to zostaje w pomieszczeniach, ale jest to kotłownia i garaż, co akurat dla mnie jest zbędne. Przy poprzednim kotle ds, bufor to była super sprawa. Teraz mam jednak mieszane uczucia. Jedyny plus to okres letni.. Zagrzany bufor (2,6m3)= ciepła woda przez 7-10 dni w każdej ilości. Ale to raptem 3-4 miesiące w roku.. Grzanie cwu będe mógł sobie dostosować do godzin kiedy jest zapotrzebowanie, gdyż w ciągu dnia nie korzysta nikt z ciepłej wody. Piec będzie pracował w modulacji grzejąc dom i wydaje mi się, że będzie to rozsądniejsze rozwiązanie co może przyniesie oszczędność w zużyciu opału, chyba że jestem w błędzie. Dodam, że od września do wczoraj, zużyłem 2 tony karlika i 1,5 tony Skarbka na ok 200m2 grzanej powierzchni. @szakallo taki schemat..
-
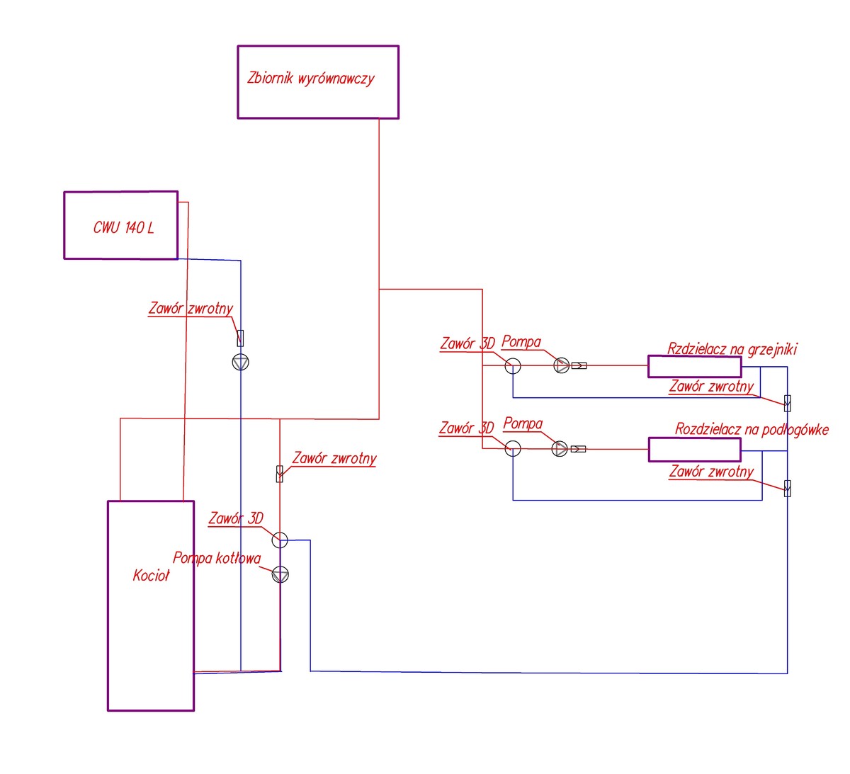
Witam, Będę chciał w najbliższym czasie zabrać się za modernizację małą w kotłowni. Będę wyrzucał bufor z instalacji i dokładał zasobnik cwu. Mam parę pytań w związku z posiadaną instalacją. Instalacja jak na załączonym rysunku a pytania takie: 1) Zasobnik cwu na zasilanie i powrót przed czy za zaworem 3D (różowe przerywane linie) , który ma spełniać ochronę powrotu. 2) Powrót z instalacji wpiąć bezpośrednio w zawór 3D, i wyrzucić(ten odcinek z zaworem klapowym, po buforze żeby grawitacyjnie szedł) czy pozostawić jak na schemacie? 3) Czy będzie działać prawidłowo ogrzewanie, gdybym zabrał pompę od rozdzielacza na grzejniki, zamontował ją cwu, a grzejniki będą miały zasilanie z obiegu kotłowego.. Zawór 3d tam zostawię, żeby mieszał sobie wodę z powrotu na grzejniki, sterowanie pogodowe, Czy jest to realne, żeby tak poszło?? Pompa 25-40.. Kocioł na wysokości parteru, na parterze 2 grzejniki, w tym drabinka w łazience, na piętrze 6+1 drabinka, wszystkie stalowe. Schemat.pdf
-
@MrWolf obecnie Skarbek z Bobrka. Ostatnie rozpalenia jak widziałem to po 3 minutach przechodził w stabilizację. Podawanie mam ustawione na 35 sekud a test ognia na 5 sek podawanie. Przy Karliku, podawanie do rozpalenia 70 sekud rozpalał około 10 - 12 minut. Zdarzyło się nawet że podjął druga próbę rozpalenia po zejściu z ilością podawanego węgla z 70 do 50 sekud. Przy karliku test ognia był na 1 sekundę.
-
W moim kotle skamp 13kw zapalarka rozpala groszek 3 - 5 minut.
-
@pochłaniacz to ja już tego nie rozumiem.. Jakbym ustawił przesyp 12 kg jak w instrukcji to skróci przerwę w podawaniu, dalej nie będzie pokazywał spalania dobrze i domniemywam będzie wyrzucał nie dopalony wegiel skoro teraz spala go super. Chyba że źle myślę.
-
@pochłaniacz a przy tym potencjale podajnika 11 kg jaką miałeś ustawianą korektę paliwa? Średnią z worka czy inna? @Hitowerz tym powietrzem też zauważyłem, że na 100% można zejść w dół. I tak zrobiłem. Ustawiłem na 75, nawet płomień nie jest tak poszarpany. Jeszcze dół czasem sprawdzam 2 - 5 oczek w górę, bo było że trochę koncowki kopcił na 60% modulacji. @MrWolf odpukać, nie miałem jeszcze żadnego spieka. Co do przesypu to może coś jest z moją przekładnią, kocioł składany w dobie "pandemii" i różne podzespoły mieli ludzie montowane.... Skoro większość wypowiadających się oscyluje z przesypem w granicach 11-12,5, a ja podjeżdżam pod prawie 14 kg/h to nawet i z karlikiem tak miałem. Choć tam było sporo grubszej frakcji.. Słychać było jak kruszył wegiel. Obecnie czegoś takiego nie mam. Zdjęcie motoreduktora.
-
@Hitower Na filmie 100% mocy po 20 minutach pracy. Węgiel obecnie Skarbek z Bobrka. Powietrze wg Twojej sugestii - skala 8-18 palnik 10-80. Na mocy 30 % obecnie nie potrzebuje, bo i tak grzeje bufor, więc przy optymalnej mocy kotla dla mnie to 60% modulacji jest wystarczające. Kocioł pracuje 17h po czym odstawia się na 8-10h przy obecnych temperaturach 0-3 jakie u mnie były. Palnik na 60% na obecnym paliwie też jest z jego pracy nagranie na kanale. Najbardziej irytuje mnie potencjał podajnika. Podane przez producenta miałem 12kg/h. Kaloryczność paliwa ustawiłem na 29mj, średnia Skarbka. Kocioł przebijał o kilka stopni zadaną temperaturę kotła, ale nie zgadza się licznik paliwa. Po korektach obecnie jest potencjał 13,8 ale i tak po przepaleniu zasobnika, zostaje na oko w podajniku ok 4-5 kg a na sterowniku pokazuje 10-12 kg. Chyba że nie ma tyle węgla ile podane na worku.. Czy ma to jakiś znaczący wpływ na spalenie czy dać se spokój jak wegiel dopalony. Pozdrawiam.
-
@Hitower Palnik 60% modulacji, powietrze jak pisałeś, skala 8-20 palnik powietrze 10-80. Nie mam kiedy się bawić w sprawdzanie na 100% i 30%.. Może przez weekend się uda. Węgiel obecnie to Skarbek z Bobrka, pali się świetnie. Mało syfu, a co do popiołu, w porównaniu do Karlika, to szkoda nawet gadać. Przy karliku to co 2-3 dni wybierany, a teraz co 2-3 zasobniki..
-
Wiadomo czy i kiedy to zostanie zmienione z buforem? Nie ukrywam, że miałem z tym przy pierwszym odpaleniu pół dnia stracone juz nie mówię o ilości bułgarek stojących przy drodze, które leciały.. W końcu odłączyłem górny czujnik bufora, pozostał tylko dolny i problem się skończył ale zaczął inny.. Przy jednym czujniku pilnuje tylko histerezę, między zadaną bufora a dolnym czujnikiem. Jak brakło prądu i bufor nagrzał się w 10 % ale różnica góra-dół pozwalał na przejście w czuwanie eko i przypadku cwu z bufora to trochę lipa. Ale może coś się zmieni. To samo z regulatorem pokojowym. Brakuje opcji, żeby dany obieg miał algorytm dostosowany mniej więcej do podlogowki i miał na uwadze czas jej reakcji . Z początku miałem włączony przy podłogówce regulator pokojowy. Ale jak grzał 100% i przerwa, zazwyczaj nad ranem szła maksymalna zadana, to gdy wstało słoneczko to różnica od zadanej w domu była czasem nawet 3 st. Wtedy zrezygnowałem z tego i ustawiłem tylko sterowanie pogodowe, na podstawie poprzedniego sterownika, przy smieciuchu, st 409n. I teraz jest stabilnie. Jednak brakuje mi tego sterowania regulatorem pokojowym, w przypadku gdy jest więcej ludzi w domu lub gdy przygrzeje słońce.. Lub chociaż by po dogrzaniu pomieszczenia była możliwość obniżenia zadanej temperatury o pewna wartość a nie zejście do minimalnej..
-
@Hitower Kocioł był zablokowany na 100% i podniesiona zadana kotła na 71 tak, by się nie odstawił, a powrót na stałe 55. Najwidoczniej tak kalorycznym opałem jest karlik. Normalne ustawienia mam tak, że zadana kotła 64st powrót 55st. Kocioł i mieszacz ma korektę pogodową, wiec różnica miedzy kotłem a powrotem jest zawsze ta sama, 9st. I modulacja 60-100. Zastanawiam się, czy to nie dobre rozwiązanie, bo gdy temperatura na kotle się podnosi, rośnie temperatura powrotu, a modulacja zostaje na tym samym poziomie. Ale mimo to i tak zawsze odkłada nadmiar do bufora. Kocioł był cały czyszczony, łącznie za kanałami nie co ponad tydzień temu. Ścianki boczne czyszczę co 3 dni, jak się kocioł odstawi i wyjmuję popiół. Czujnik spalin mam ok 10 cm za czopuchem. Na dom obecnie idzie 27,5 na podłogówkę, 43,8 na grzejniki przy obecnej na zewnątrz -1,7. W domu temperatura 22.2-22.5. @Pieklorz Nie ma co ukrywać, ale kocioł daje sobie świetnie radę z tą powierzchnią, zważywszy na to, że od października do dnia dzisiejszego większość czasu chodzi na 7,8 kw, a w największe mrozy jakie u mnie były przez w sumie 7 dni po -15 do -18, to wtedy nie wchodził w czuwanie eko. Jaki sposób palenia wg Was będzie lepszy, póki co z tym buforem, bo ja już po prostu czasem mam dość... Ja mam takie przemyślenia: 1) Ustawić np zadaną kotła 65 czy wyższą, powrót 55, palić 100% mocy, przechodzi w czuwanie na ok 10 minut i znów 100%, 2) Jak obecnie, czyli zadana 64, powrót 55, sterowanie pogodowe mieszacza i kotła, i cały czas chodzi na stałej modulacji, czasem podnosząc modulacje, 3) Zadana 65, powrót stała temperatura 55, i modulacje dać 30-100 i niech sobie moduluje, ewentualnie dołożyć korektę pogodową samego kotła. Z góry dzięki za odpowiedź.
-
@Hitower ot i moja praca palnika na 100 % mocy. Na pokaz pracował przez kilka godzin jak na wykresie. Obecne ustawienia na załączonych zdjęciach. 😉 Powrót ustawiony na 57 zadana 71. Reszta pewno leci w powietrze.. Film:
-
@popo76@popo76 jeszcze się zastanawiam czy w worku 20 kg jest faktycznie 20kg.. Jak podają na worku maksymalnie 12% wilgotności, to gdy będzie "suchy" to już tak po bandzie idąc to ok 2 kg na worku mniej.. Wtedy fakt, spalanie nie ma prawa się zgadzać ale przesyp podany przez producenta może mieć rację bytu. Też bym chciał spalać 10-12 kg na dobę ale na 255m2 to ciężko😊. Póki co to nie patrząc na licznik w sterowniku a na ilość spalonego opału do liczby dni grzania (do dnia dzisiejszego 2t karlika na 120 dni grzania) średnia wyszła 16.6 kg na dobę, więc nie narzekam. Na pewno kocioł, a może głównie to palnik sv, za sługuje na pochwalę. Szwagier w ok 80m2 mniejszym domu,budowanym w tym samym czasie i w tym samym standardzie wykonczenia i ocieplenia, spalił podobna ilość węgla przy kotle z retortą i trochę kaloryczniejszym opale. Też mnie to zastanawia.. Mocno dmuchać czy słabo. Z młodą żona to wiem jak to robić, ale przy kotle mam problemy.. Patrzeć na spaliny czy na spalanie... @oliver1984 powoli zaczynam dochodzi do wniosku, że najważniejsze jest to, że w domu ciepło, a nie po to wymieniałem kocioł zasypowy na podajnikowy by stać wieczór przy kotle i patrzeć w płomień.. Zamiast tego można w lepszy sposób czas wykorzystać..
-
@Hitower Szkoda, że nie jest tak jak z kupnem nowego auta. Wszystko dostrojone, a użytkownik tylko tankuje paliwo. Parametrów nie zmienia. 😉Taka mała dygresja. Jak już tak kolego poświęcasz swój czas odpisując, to zgodnie z Twoją wiedzą i doświadczeniem, jak mam określić optymalne naweglenie palnika? Czy najpierw zacząć od powietrza czy oba te parametry ustawiać razem. Przepraszam za takie pytania, ale dopiero się uczę.. Zastanawiam się też co jest nie tak z paliwem. Karlik, potencjał wyjściowo ustawiany był na 12 kg, a teraz mam 14 kg i w miarę pokazuje dobrze zużycie paliwa, a jak widzę ustawienia innych użytkowników czy nawet na stronie skamp to podaja dla Karlika przesyp nawet 11,6 kg dla 13 kw.. A przecież przy Skzp potencjał ma wpływ na proces spalania. @oliver1984 Czyli sugerujesz żeby spróbować ustawić skala 1-25 a powietrze 20-60?
-
@HitowerTo może mam coś nie tak z dmuchawa? Skoro widzę polecane ustawienia na forum, wspomniane 13-35 skala, powietrze 20-28, to ja miałem odrzutowiec nie piec. A czytam, że sporo ludzi tak ustawia, część coś tam zmienia. Postaram się nagrać palnik na 100% mocy.
-
@Hitower fakt, ustawienia te same. Nawet tak na ucho wentylator pracuje tak samo. Ja już od tego ustawiania powietrza na "oko" chyba słabiej widzę a nie długo stracę wzrok 😊. Ogólnie z tornada, które miałem w palniku, jest lepiej. Powietrze 20-60 = 40 kroków dmuchawy 30-80 =50 kroków. Przy 30-80 jest ustawiona mniejsza skala dmuchawy.. Czy tak "łopatologicznie" można mi wytłumaczyć, jaki to ma wpływ na proces spalania? Przy tych ustawieniach temperatura spalin w granicach 140-160, przy modulacji 60%.
-
@Hitower dobrze zrozumiałem,ze skala 8-22 powietrze 10-80 a ewentualnie polecasz 8-18 skala a powietrze 30-80? Tylko u mnie dół ciężko ustawić bo poniżej 60 modulacji nie schodzę... Przy ustawieniach skala 8-22 i powietrze 10-80 przy modulwcji 60 miałem wrażenie, że jest za mało powietrza, bo płomień wpadał w odcienie czerwonego..
-
@Hitower To, że idealny popiół to nie jest, to wiem. Podobno tak się pali Karlik. Nawet producent kotla mi taką informację udzielił. Szczerze, to 95 % tych "kalafiorów" jest dopalonych. Jak jest jakiś naprawdę duży kawałek węgla to coś tam nie dopali, ale jest tego naprawdę mało. Przy wyrzucaniu "popiołu" rozgniatam niektóre duże pozostałości, sprawdzając czy są dopalone. Właśnie ruszt jeszcze nie był czyszczony. Komora powietrzna czyszczona już 4 razy po spaleniu 1.7 t węgla. Za każdym razem było co wygarnąć. Jezeli za mocno dmucham, to proszę Cię, powiedz ile i co mam zmniejszać? Wentylator 80w. Skala 8-22, powietrze 20-60. Szczerze, to dopiero przy tych ustawieniach, dopiero widziałem płomień na 100% modulacji jak ładuje w przeciwległą ścianę palnila, a na zalecanych to tylko iskry widziałem i po otwarciu drzwiczek, cały pył leciał na kotłownie. Może tak być powinno. Nie wiem. To dopiero moje 4 miesiace spędzone w kotlowni z nowym kotlem. 😉 Zdjęcie palnika, którego nie czysciłem. Po przejściu w czuwanie eko, wygarniam popiół i przeczyszczam szczotką drucianą.
-
Minęło trochę czasu, siedziałem w kotlowni, zmieniałem, czytałem, poprawiałem ustawienia wyjściowe, które miałem tj skala powietrze 13 - 35 palnik 20 - 80. Kocioł Skamp 13 sv200. Węgiel karlik. Węgiel dopala, w domu ciepło, do bufora odstawia się nadmiar wyprodukowanego ciepla.. Czy palink prawidłowo pracuje na tej mocy w załączonym filmie? https://youtu.be/Uprms-vzA3s Obecnie kocioł ma zadana 64 st i korektę pogodową 2. Temperatura zadana powrotu to 54 st i tez korekta pogodowa na 2. Różnica 10 st. Modulacja ograniczona na minimum 60%, przy tej różnicy między kotlem a powrotem. I tu mnie to zastanawia. Czy ustawić na stałe powrót np 55 st, a sam kocioł dać korektę pogodową i niech sobie moduluje czy zmniejszyć różnice między temp kotla a powrotem. Jeśli tak to ile powinna wynosić optymalna różnica? Jak zmniejszę różnicę między kotlem a powrotem to zapewne modulację będzie trzeba zejść w dół, bo będzie przebijał zadaną temperaturę na kotle. Pozdrawiam Hubert.
-
@Pieklorz kocioł mam 13 kw i taka moc wpisana do sterownika. Co do przesypu to początkowo był ustawiony na 12 kg/h jednak było przekłamanie na liczniku. Po obliczeniu spalonego paliwa i tego co pokazało na liczniku wyszło, że przesyp mam 13,6 kg/h. W porównaniu do tego co podawana jest na forum średnia, to jest to spora rozbieżności.. Chyba, że nie ma tyle wegla w worku co podane, chociaż ważyłem parę worków i waga się zgadza. Sprawdzę jak sie będzie miało to podawanie 6-10. A co uzyskam wpisując do sterownika moc kotła 15 kw ( przy wstępnych ustawieniach podany miałem zakres 13-15 kw)? @Dozy Powietrza chyba jest dobrze.. Przy dmuchawie rms 120 al 80w, mam skalę 12-31 powietrze 18-78. Różnie próbowałem. Zalecane skala 13-35 i powietrze 20-80 miałem wrażenie, że powietrze chłodzi trochę kocioł, ustawienia z forum jak ktoś wrzucał zdjęcia ustawień powietrza, lecz gdzieś tu w wątku kolega Pieklorz podobne ustawienia sugerował dla tego palnika co ja ustawiłem obecnie. Wg mnie, a znawca nie jestem, chyba jest dobrze. W kotle czarno nie jest. O spalinach nie mówię nawet bo nie uzyskałem nigdy takich tempertur jak niektórzy pokazują na zdjęciach. Zastanawiam sie też często, czy "szukać" płomienia z palnika... Przy modulacji stałej z jaką palę, czasem wychodzi jęzor z palnika tak na 1/3 odległości od przeciwnej ścianki s czasem tylko iskry idą..
