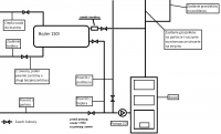
Hubert1234 Opublikowano 16 Stycznia 2018 #1 Opublikowano 16 Stycznia 2018 Witam, Piszę ten post, ponieważ mam problem z wychładzającym się bojlerem. Nie wiem w czym tkwi problem. Może jest on spowodowany brakiem sterownika pompy obiegowej która cały czas pracuje, zaworu zwrotnego na zasilaniu bojlera lub różnicowego na zasilaniu kotła o ile ma to coś do rzeczy, dla ułatwienia dorzucam schemat kotłowni gdzie znajduje się bojler. Proszę o udzielenie pomocy. Pozdrawiam :)
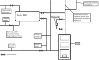
hamis Opublikowano 16 Stycznia 2018 #2 Opublikowano 16 Stycznia 2018 Daj ten schemat. Jeśli pompa działa ciągle, to temperatura bojlera będzie taka jak kotla
Gość Digitrax Opublikowano 16 Stycznia 2018 #3 Opublikowano 16 Stycznia 2018 Z powyższego powodu należy zainstalować sterownik pompy, który wyłączy jej działanie gdy np temperatura na kotle spadnie do 55 stopni. Zatrzyma to wychładzanie zbiornika CWU.
hamis Opublikowano 17 Stycznia 2018 #4 Opublikowano 17 Stycznia 2018 Trzeba też zatrzymać grawitacyjna ucieczkę ciepła z bojlera. I trzymać na kotle wyższa temperaturę niż 55 stopni, żeby sterownik miał możliwość odlaczenia pompy. A najlepiej osobna pompa do bojlera...
Hubert1234 Opublikowano 18 Stycznia 2018 Autor #7 Opublikowano 18 Stycznia 2018 Dziękuję za poprawki, pompa na powrocie wymusi taki sam obieg jak na zasilaniu?
Hubert1234 Opublikowano 18 Stycznia 2018 Autor #8 Opublikowano 18 Stycznia 2018 I jeszcze jedno pytanie czy warto zakładać zawór kulowy na powrocie z piętra jeżeli tam znajduje się rozdzielacz z zaworami?
Rekomendowane odpowiedzi
Zarchiwizowany
Ten temat przebywa obecnie w archiwum. Dodawanie nowych odpowiedzi zostało zablokowane.