Skocz do zawartości
IGNOROWANY

Schemat Instalacji Pc Z Kotłem Na Paliwo Stałe Prośba O Pomoc


gellwart

Rekomendowane odpowiedzi

Opublikowano

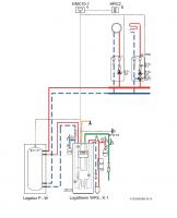
Jakiś czas temu odebrałem schemat instalacji ogrzewania dla mojego domu. Schemat budzi dla mnie sporo zastrzeżenia dlatego proszę o pomoc.

 

Głównym źródłem ciepła w instalacji będzie PC Buderus WPS 10-1 praca kotła na paliwo stałe Logano 221automatic odbywać się będzie w trybie biwalentnym alternatywnie. Prace grzewczą w danym momencie wykonuje tylko jedno źródło ciepła. W całym domu jest ogrzewanie niskotemperaturowe (podłogówka) dodatkowo grzejniki w łazienkach i pomieszczeniu kotłowni. Układ posiada osobny zasobnik na CWU i 200 litrowy bufor.

 

Umieściłem schematy na dysku google https://drive.google.com/folderview?id=0BxyYEalolJ14fnJKT0NQRDlnSzlLMFVEZGdwbUV1bkpiLUJqRU1hYzJKR3hiVGRNNURzRDg&usp=sharing

 

 

rzut i schemat kotłowni zawiera dwa zawory 3D ręczne umożliwiające wybór pracy pompy lub pieca na paliwo stałe, oraz jeden automatyczny odpowiadający za wybór zasobnika lub buforu.

 

1. (plik schemat kotłownia.jpg) Moje zastrzeżenie budzi umiejscowienie pompy P1. Projektant zaproponował w tym miejscu pompę obiegową Wilo Yanos PICO 25/1-7.5_180 z podnoszeniem wody na wysokość 8m. Nie jestem hydraulikiem, ale zdaje mi się że pompa ta będzie wywoływać tylko przepływ pomiędzy wymiennikiem ciepła a zbiornikiem buforowym. Nie spowoduje przepływu ciepłej wody do grzejników ściennych.

Czy dobrze myślę że moc (wysokość podnoszenia tej pompy) jest błędnie dobrana bo i tak pompa nie spowoduje przepływu ciepłej wody np. na piętro poprzez bufor?

 

2.(plik schemat kotłownia.jpg oraz układ mieszający podłogówkę i rozdzielacz grzejnikowy piętro-parter.jpg) Na schemacie rozrysowany jest tylko jeden obieg podłogowy myślę że docelowo powinny być 3 (2 dla ogrzewania podłogowego i jeden dla grzejników wiszących) Każdy z nich powinien zawierać oddzielnie pompę. Rozdzielacz do grzejników według rsunku nie posiada oddzielnej pompy. Czy to będzie działać jeżeli zostanie podłączone zgodnie z rysunkiem układu mieszający... Czy przepływ ciepłej wody do grzejników wiszących nie będzie odbywał się tylko w sposób grawitacyjny dodam że w projekcie przewody do grzejników wiszacych to DN14.

Moim zdaniem jest to bez sensu i na grzejniki powinna być dodatkowa pompa tak jak jest to w przykładowym schemacie buderusa z buforem. Zastosowanie zaworów równoważących AB-QM miało by wtedy jakiś sens aby pompy przy rozdzielaczu na grzejniki nie zakłucała przepływu na układ mieszający podłogówkę.

 

3. Wracając do schematu kotłownia.jpg

Jak prawidłowo dobrac pompy i wymiennik ciepła między układem zamkniętym i otwartym.

Widziałem wpis na https://forum.info-ogrzewanie.pl/topic/13404-jak-dobrać-wielkość-wymiennika-płytowego-do-instalacji-czy-do-pieca/

Projektant zaproponował mi wymiennik SONDEX SL23-BR50-10-TL-LIQUID Wymiennik ciepła SL23TL-10_8kW - karta Danych.pdf i pompy obiegowe o wydajności 0,2l/s Hp=1,2mH2O w układzie otwartym i 0,14l/s Hp=3,2mH20 w układzie zamkniętym.

Zaproponowano pompy zgodnie z załacznikami Pompa obiegowa P1 - Yonos_PICO-STG_25_1-7.5_180.pdf Pompa obiegowa P2 - Yonos_PICO_30_1-4_(DE).pdf.

Zastanawia mnie po co tak wysokie podnoszenie bo moim zdaniem pompa i tak nie wygeneruje przepływu do grzejnika na piętrze poprzez bufor. Czy nie lepiej zastosować obu pomp o tej samej mocy przy wymienniku dodatkowo 2 wraz z ukłądem mieszającym podłogówki na piętrze i parterze + pompa dla obiegu grzejnikowego) ? Czy wpłyneło by to pozytywnie na sprawność układu? Jak zaproponowane pompy mają się do wytycznych producenta gdzie dla tego wymiennika podaje przepływ na poziomie 0,1l/s.

Czy zgodzicie się ze mną że coś tutaj jest "spartolone"? Gdzie można zakupić taki układ pompowy o którym mowa na forum (szukałem w sieci ale nie udało mi się wygooglować)

Jak dobrać prawidłowa moc wymiennika dodam tylko że obciżenie cieplne budynku wynosi 9,7 [kW] a Logano G221A ma moc do 25kW.

 

4. Czy ktoś dokonywał podłączenia pompy obiegu podłogowego do sterowników z dwóch źródeł ciepła jednocześnie np tak jak u mnie z pompy ciepła i kotła na paliwo stałe. pompa ma sterownik HMC-10 i kocioł sterownik pit z TECHa. Zastanawiam się jak ugryść ten temat aby pompy nie chodziły cały czas a były sterowane ze źródeł zasilania.

 

5. No i w koncu pytanie dla speców od buderusa. W materiałach projektowych buderusa wyczytałem że sterownik pompy HMC 10-1 i moduł obsługowy HRC2 umożliwia sterowanie pracą pompy i temperatury w układzie mieszającym całego obiegu grzewczego. Czy system buderusa umożliwi mi też automatyczne sterowanie poszczególną pętlą przypisana do konkretnego pomieszczenia za pomocą siłowników elektrycznych? Czy do tego celu będę musiał zastosować dodatkowo rozwiązanie innego producenta np. KAN-therm SMART

 

6. Czy cyrkulacja na rzut kotłowni woda użytkowa.jpg jest poprawna? Odbiega trochę od tej ze schemat kotłowni.jpg. Moim zdaniem tylko ta druga wersja jest poprawna

 

 

z góry dziekuję za każdą pomoc.

post-62699-0-55760900-1427062847_thumb.jpg

post-62699-0-80412700-1427062847_thumb.jpg

post-62699-0-07825300-1427062848_thumb.jpg

post-62699-0-33506800-1427062848_thumb.jpg

post-62699-0-78311800-1427062848_thumb.jpg

post-62699-0-15085900-1427062849_thumb.jpg

Pompa obiegowa P1 - Yonos_PICO-STG_25_1-7.5_180.pdf

Pompa obiegowa P2 - Yonos_PICO_30_1-4_(DE).pdf

Wymiennik ciepła SL23TL-10_8kW - karta Danych.pdf

Zarchiwizowany

Ten temat przebywa obecnie w archiwum. Dodawanie nowych odpowiedzi zostało zablokowane.

  • Ostatnio przeglądający   0 użytkowników

    • Brak zarejestrowanych użytkowników przeglądających tę stronę.
×
×
  • Dodaj nową pozycję...

Powiadomienie o plikach cookie

Używając tej strony zgadzasz się na Polityka prywatności.