Skocz do zawartości
IGNOROWANY

Pomoc W Usprawnieniu Układu


pesado

Rekomendowane odpowiedzi

Opublikowano

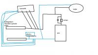
Witam moj problem polega na tym że mam prosty układ CO chce go trochę usprawnić dodam że układ robiłem sam będac zielonym w tym temacie chodzi tak już rok jednak niebarodzo mi się to widzi gdyż po załączeniu pompy wraca mi zimna woda do pieca i zanim się to wszystko nagrzeje potrzeba czasu myślałem o zastosowaniu zaworów 3d lub 4d jednak nie wiem gdzie je najlepiej umieścić. Z góry dziekuje za pomoc.

Układ jest zamknięty nie narysowałem naczyń.

post-54766-0-16468200-1381218906_thumb.jpg

Opublikowano

Kocioł dostosowany do układu zamkniętego? Pewnie nie.Jak chcesz mieć dalej układ zamknięty to załóż wężownice schładzającą i zawór 3d dla ochrony powrotu albo wymiennik płytowy i dwa obiegi : zamknięty i otwarty.

Zarchiwizowany

Ten temat przebywa obecnie w archiwum. Dodawanie nowych odpowiedzi zostało zablokowane.

  • Ostatnio przeglądający   0 użytkowników

    • Brak zarejestrowanych użytkowników przeglądających tę stronę.
×
×
  • Dodaj nową pozycję...

Powiadomienie o plikach cookie

Używając tej strony zgadzasz się na Polityka prywatności.