allbercik23
Forumowicz-
Postów
17 -
Dołączył
-
Ostatnia wizyta
Typ zawartości
Forum
Wydarzenia
Blogi
Artykuły
Treść opublikowana przez allbercik23
-
Sterownik Skzp-02 - Ustawienia, Porady
allbercik23 odpowiedział(a) na energotop temat w Kotły z podajnikiem
niestety zostaje ci puścić układ przez stycznik/przekaźnik pod 230V 16A, inaczej spalisz bezpiecznik: -
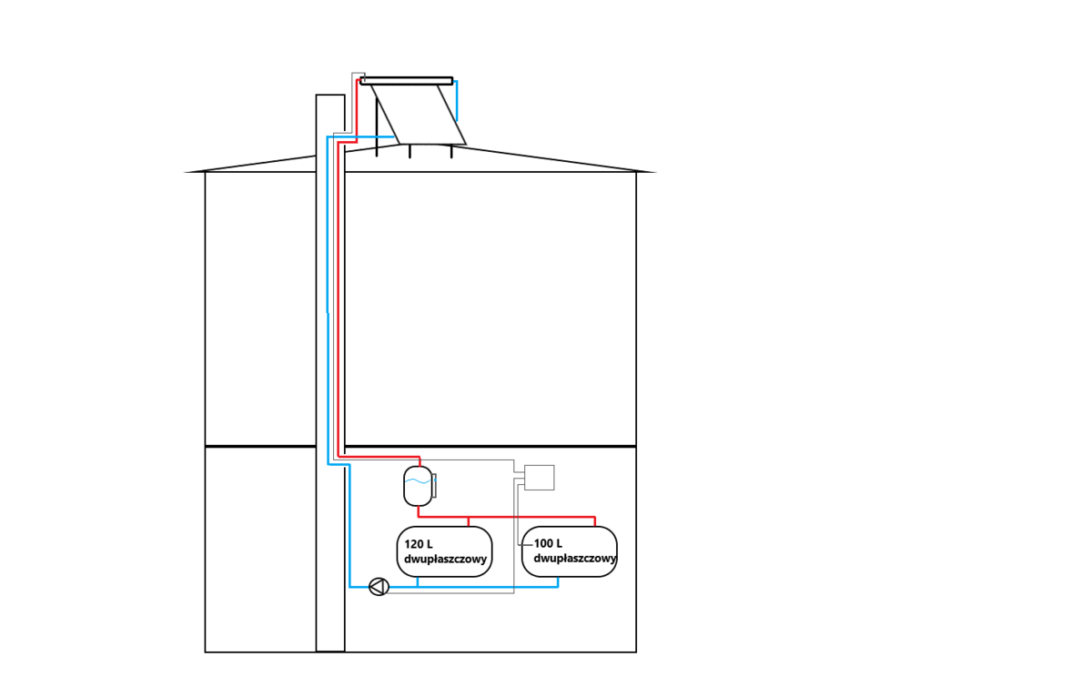
Instalacja z solarem Kolektory w systemie drain-back?
allbercik23 odpowiedział(a) na allbercik23 temat w Kolektory słoneczne
Właśnie dlatego system drain-back to taki gdzie jeżeli pompa nie pracuje (brak prądu lub osiągnięto temp CWU) to woda/glikol spływa do naczynia nad bojlerem i nie bierze udziału w przegrzewaniu się. Czy solar podgrzeje mi wodę do >95* przy wychłodzonym bojlerze? -
Instalacja z solarem Kolektory w systemie drain-back?
allbercik23 opublikował(a) temat w Kolektory słoneczne
Noszę się z zamiarem popełnienia instalacji solarnej w systemie drain-back. Rozrysowałem sobie schemat instalacyjny. Proszę o opinię czy będzie to działać? Zamierzam wykorzystać pompę od CWU w okresie letnim, rurociągi puścić nieczynnym kanałem kominowym na dach (najkrótsza droga). Skłaniam się nad solarami typu Heat-Pipe - ile rur mi potrzeba - w domu 5 os. Czy rurociąg mogę puścić PEX w kauczuku, czy muszę kupować rury nierdzewne do solarów. Jaki sterownik kupić by obsługiwał dodatkowo grzałkę w jednym z wymienników w razie słabego słońca? -
Sterownik Skzp-02 - Ustawienia, Porady
allbercik23 odpowiedział(a) na energotop temat w Kotły z podajnikiem
Spróbuję jutro ustawić i sprawdzę czy działa... Pompa kotłowa jest zamontowana, a cała instalacją jest zrobiona zgodnie ze sztuką prezentowaną tu na forum. Instalacja z zaworem 4D+siłownik oraz 3 pompy + wszystkie czujniki. -
Sterownik Skzp-02 - Ustawienia, Porady
allbercik23 odpowiedział(a) na energotop temat w Kotły z podajnikiem
Witam, piszę by zasięgnąć pomocy w celu ustawienia sterownika w tryb przejściowy. W "zimie" pieca nie wygaszałem, chodził cały czas na podtrzymaniu, lecz gdy się ciepło zrobiło ustawiłem piec tak by się sam rozpalał (wersja z zapalarką) i wygaszał. Jeżeli dobrze rozumiem to by kocioł się wygaszał to musi pracować w funkcji obniżenia temp. i pr. czasowym - mam tak ustawione. Mieszacz CO1 i CWU również mam ustawiony w pr. czasowym. Kocioł startuje i się rozpala, gdy załącza się pr. czasowy dla CWU, lecz po osiągnięciu temp. zadanej wygasza się pomimo że równocześnie pr. czasowy dla mieszacza nadal pracuje. Kocioł się wygasza a mieszacz się zamyka i jest w domku zimno... Pomaga tylko przestawienie mieszacza na pracę stałą - wtedy kocioł odpali - a potem można przełączyć na pr. czasowy by się wyłączył w nocy. Również po ostatnich wichurach zauważyłem że po zaniku prądu kocioł się wygasza. Jego ponowne odpalenie inicjuje sposób jak powyżej. -
czy ktoś dzisiaj widział jakiekolwiek grochy taurona?
-
Czy ktoś kupił taurona dzisiaj? czy jest dostępy w BB czy tylko worki? Chciałem potwierdzić jeszcze jak kupuje taurona to tylko 1 paleta na zakup - taki jest limit??
-
Sterownik Skzp-02 - Ustawienia, Porady
allbercik23 odpowiedział(a) na energotop temat w Kotły z podajnikiem
Regulacja czujnikiem pokojowym jest bardzo wymagająca. Moim zdaniem nadaje się do nowego budownictwa (straty ciepła, dobrze zaprojektowana instalacja) oraz do sterowania podłogówka, gdzie mamy akumulacje ciepła w masie posadzki. Jednak w innych przypadkach to tak kolorowo już nie wygląda. W moim domu nie miała zastosowania jakkolwiek bym ją regulował i kompensował - poddałem się i wyłączyłem. Dom piętrówka 200m2 lata 70/80 ocieplony instalacja grawitacyjna grzejniki alu. U mnie termostaty zostały też z tego względu że w łazience lubię ciepło wieczorem do kąpieli, w dziennym komfortowa temp, a w sypialni zimniej do spania. Poszedłem na kompromis i ustawiłem sterowanie czujnikiem pogodowym/zewnętrznym i to było to. Temp. na mieszaczu dla 10*C mam ustawioną 38* i korektę pogodową mieszacza na 6. Nawet w mrozy -17* nie trzeba było ręcznie kręcić temperaturą. Termostaty w pokojach nigdy nie zamykają się do końca bo temp wody jest niska. Eliminuje to ciągłe wyłączanie i włączanie się pieca a to rozwiązanie działa stabilnie. -
Dobór kotła z podajnikiem Wymiana pieca zasypowego na ekogroszek
allbercik23 odpowiedział(a) na MatCh temat w Kotły z podajnikiem
Nie zapominając o wymianie płytki paleniska w palniku na wersję do grochu ok 200zł i wtedy można hajcować czarnym złotem, nie tylko ekogroszkiem ale wszystkim co podajnik zdoła podać... -
Wybór kotła z podajnikiem Kocioł dwupaliwowy-Czy warto?
allbercik23 odpowiedział(a) na CeKris temat w Kotły z podajnikiem
Jak wiesz dzisiejsze kotły CO to palnik + wymiennik + sterowanie. Moim zdaniem największą role w kotle gra serce czyli palnik, wymiennik to "tylko" pospawane kawałki blachy a sterowanie powinno się dobierać do potrzeb i oczekiwań użytkownika. Miałem w tym roku ten sam dylemat i szczęście że trafiłem na to forum bo można się dużo dowiedzieć na te tematy. Wybór padł na Technix 15 kW z palnikiem SV200 z zapalarką i po dwóch miesiącach użytkowania jestem bardzo zadowolony. Mam wersję na groszek ale ten palnik bardzo szybko i niewielkim kosztem można dostosować do spalania pelletu (twoja pierwsza oferta - link), co jest bardzo dużym plusem. Sam palnik jest solidną i prostą konstrukcją co jest jego największym atutem bo nie ma tam co się psuć, lecz w typowych palnikach pelletowych są to konstrukcje bardziej skomplikowane i z racji swojej budowy występują tam silnie obciążone termicznie małe i cieknie elementy, a w dodatku w niektórych jeszcze się tam coś kręci i napędza, co nie wróży długoletnią bezawaryjnością. Wiem, zaraz rzucą się na mnie wszyscy użytkownicy pelleciaków, ale na szczęście mamy jeszcze wolny wybór. Ja wybrałbym konstrukcję kotła opartą na SV200 pomimo jego zalet i wad... Jeżeli już decydujesz się na pellet to jak poprzednicy mówią dobrze dobierz moc i zachęcam do zbudowania instalacji z buforem. -
Sterownik Skzp-02 - Ustawienia, Porady
allbercik23 odpowiedział(a) na energotop temat w Kotły z podajnikiem
pompy załączają się wedle progu temperatury kotła a nie poszczególnego obiegu, jak tu sugerujesz... -
Kilka pytań: 1. instalacja zamknięta czy otwarta - na jakim poziomie naczynie? 2. pompa CO jest? 3. czy zawsze grzały słabo czy od niedawna? 4. czy jak zamkniesz zawór grzejnika w kuchni to w łazience drabinki lepiej grzeją?
-
Modernizacja starej instalacji - ocena schematu
allbercik23 odpowiedział(a) na allbercik23 temat w Instalacje CO i CWU
Mam jeszcze jedno pytanie odnośnie pomp. Mam 2 takie pompy z odzysku Jedna kotłowa a druga na obieg grzewczy. Będą dobre bo ponoć są energooszczędne...- 8 odpowiedzi
-
Modernizacja starej instalacji - ocena schematu
allbercik23 odpowiedział(a) na allbercik23 temat w Instalacje CO i CWU
Trochę przemyślałem i policzyłem co nie co... Twoja propozycja z zaworem 4D jest w sumie najtańsza i najpopularniejsza. A odnośnie ochrony powrotu to doczytałem że SKZP steruje temp na WY z zaworu 4D ale w priorytecie temp powrotu. Już dużo wydatków jak na ten rok, więc nie będę inwestował w dwa obiegi i dam sobie spokój z wymiana pionów. Dzięki @Popcorn1 za doradzenie.- 8 odpowiedzi
-
Modernizacja starej instalacji - ocena schematu
allbercik23 odpowiedział(a) na allbercik23 temat w Instalacje CO i CWU
Rozważałem rozwiązanie z zaworem 4D jak proponujesz mi kolego @Popcorn1 lecz wtedy sterowanie zaworu 4D jest w zależności od temp powrotu. Jak to ma się do sterowania temp wewnątrz? Odnośnie sprzęgła to noszę się z zamiarem podzielenia instalacji na dwa osobne obiegi grzewcze indywidualnie sterowane. Obieg 1 parter i Obieg 2 piętro, z uwagi że w domu mam dwa oddzielne lokale mieszkalne. Tylko wiąże się to z położeniem nowych rur w pionach a budżet w tym roku na to nie pozwala. Także pomyślałem że sprzęgło na dwa obiegi + zawór 3D będzie przyszłościowo zastosowane. Wiem że te grzejniki w obiegu kotłowym dziwnie wyglądają. Wynika to z obecnego rozwiązania, gdyż cały rok przepalam w kotle na CWU i mam te grzejniki podłączone w mały obieg. W miesiącach przejściowych czesto w łazienkach są one otwarte, a zawór na instalację w domu zamknięty.- 8 odpowiedzi
-
Modernizacja starej instalacji - ocena schematu
allbercik23 opublikował(a) temat w Instalacje CO i CWU
Witam forumowiczów, po kilku miesiącach lektury forum nadszedł czas na narysowanie projektu schematu. Przede mną wymiana kotła na kocioł na ekogroszek i przebudowa rur i podłączenia kotła. Obiekt to typowa piętrówka z lat 70-tych, piwnica(nieogrzewana), parter i piętro, ocieplona. Obecnie instalacja grawitacyjna na kaloryferach aluminiowych. Doszedłem do wniosku że starych stalowych rur nie będę jak na razie wymieniał, nic nie cieknie, są ocieplone i schowane w ścianach. Czeka mnie jedynie przebudowa rurociągów w samej kotłowni. Proszę o ocenę schematu. mam kilka pytań do poprawności działania schematu: czy grzejniki w pralni i łazience będą działać w takim układzie (niezależne od temp w domu), czy potrzebny jest zawór 3D mieszający(sterowany przez SKZP czujnikiem pokojowym) temp wody na grzejniki, czy gdy zawory termostatyczne się zamkną/przymkną to pompa wypchnie mi wodę przez odpowietrzenie pionów do naczynia, zawór VTC/ATM na 5/4" czy 1" starczy Z uwagi na zamontowane grzejniki aluminiowe(około 20-letnie) nie chcę używać miedzi w instalacji. Zastosuję rury stalowe czarne 5/4" obieg kotłowy+naczynie, 1" do sprzęgła, PP32 sprzęgło - stara instalacja, PP32 obieg CWU- 8 odpowiedzi
