artwa
Forumowicz-
Postów
8 -
Dołączył
-
Ostatnia wizyta
Typ zawartości
Forum
Wydarzenia
Blogi
Artykuły
Treść opublikowana przez artwa
-
Instalacja z zaworem 3 drogowym Zawór 3D temperaturowy na powrociei i obejście
artwa odpowiedział(a) na artwa temat w Instalacje CO i CWU
1. Hertz 3d chyba dn25 siłownik chyba też hertz. (Na podłogówkę mam Afriso, też spoko). Miałem przyszykowany dn20, ale reszta rurek bardziej pasowała pod dn25 . 2.W instalacji były i1-CWU, i1-m i st25cwu. Zamieniłem na i3-plus - wolałem jeden sterownik (a mam jeszcze bojler i dwa obwody podłogówki) i jest tam kilka bajerów, z których może kiedyś skorzystam. Te zdemontowane czekają, aż je wystawię na sprzedaż 😉 na jakimś olx. 3. Podobne wykresy są dostępne po dokupieniu modułu ethernet lub wi-fi od Techa. Dane idą do chmury techa i są dostępne w aplikacji e-modul lub przez www. Przez chmurę można też zmienić ustawienia. Ale największy bajer dla mnie to wykresy - pomagają w diagnostyce. Te, które prezentuję, to z HomeAssistant (serwer automatyki domowej open source) - przyjemniejsze w obsłudze i w HomeAssistant zrobiłem sobie jeszcze taki bajer, jak poniżej (bufor, bojler, pompa ciepła do CWU, podłogówki, termostaty… na jednym obrazku): HomeAssiatant ściąga dane z serwera techa, więc idzie to trochę w kółko, ale tak najłatwiej było zrobić. 4. Pompka to Grundfos UPS 25-40 - raczej za duża, ale taka była kupiona razem z domem. @Matejko1 zwróć proszę uwagę, że użyłem rozwiązania innego niż w pierwszym poście (patrz post #21). Zdecydował o tym przede wszystkim dosyć uciążliwy wymóg wysokości naczynia wzbiorczego w przypadku pompy na powrocie. Chociaż to była już spora ostrożność - nie chciałem ryzykować poprawki. -
Instalacja z zaworem 3 drogowym Zawór 3D temperaturowy na powrociei i obejście
artwa odpowiedział(a) na artwa temat w Instalacje CO i CWU
@Matejko1 ochrona powrotu działa świetnie. Mam jedynie problem z ucieczką ciepła z bufora. Myślę, że kiedy w dolnej części bufora jest gorąca woda a kocioł wygarnięty, to kocioł staje się odbiornikiem. Zamykam wtedy zawór na rurze powrotnej, ale termometr na kotle i tak pokazuje temperaturę powyżej tej w piwnicy. Na wykresie czujnik dodatkowy 1 to góra bufora, a czujnik dodatkowy 2 to dół bufora. Wahlowanie pod koniec palenia to pewnie włączająca się co chwilę pompka CO - jak kocioł nie daje więcej niż na dnie bufora, to pompka się wyłącza. Otwarcie zaworu powrotnego na 100% to czas, kiedy już nie ma skąd brać zimnej wody i powrót przekracza zadane 50 stopni. Może powinienem ustawić powrót 60-70 i z kotła puszczać od razu 80 do bufora… Już tego nie badam dokładnie - działa wystarczająco, a ja myślę o pompie ciepła. Chociaż się boję, to mój licznik ciepła pokazał 9MWh na sezon. Dziwne jak na stary dom. W razie potrzeb mam trochę tych wykresów z czujników i zaworów. Wrzuciłem świeże z wczoraj. -
Dzień dobry, ostatnio doposażyłem kotłownię w termometr spalin (Afriso 500stC), zamontowałem ok 15-20cm od tylnej ściany kotła, w czopuchu. Troszkę mnie zaskoczyło to, co zaobserwowałem po pierwszym napaleniu z termometrem. Chyba dużo za wysoką temperatura spalin. Palę od góry, węgiel 32.2, pełna komora. Temperatura na powrocie 44 stopnie C. Podczas odgazowywania (dosyć spokojny płomień, który lekko wychodził do wymiennika poza komorę spalania) na termometrze 350 stopni C. Wymiennik czyszczę wyciorem przed każdym paleniem. Czyszczę sypka sadzę, z cienką twardą warstwą nie walczę. Następnie: Kiedy ustawiłem PG na ok. 1-2mm szczeliny (+ konstrukcyjne nieszczelności wokół wajchy rusztu ruchomego) to kocioł po dłuższej chwili mocno przygasł (oczywiście wypuszczając gazy kominem) i dopiero wtedy spaliny zeszły do ok 180-200 stopni. Przy paleniu bez termometru zazwyczaj od razu podawałem więcej PG, żeby nie dusić kotła. Następnie odchylenie PG do ok 1cm to niemalże natychmiastowy wzrost o 100 stopni na spalinach i bez problemu doszedłbym do 400 stopni. Już wtedy bardziej aktywny był żar niż produkty odgazowania. Na wymienniku, w czopuchu żadna sadza się nie żarzyła/ nie paliła. Tak szacuję sobie moc chwilową: Temperatura wody ok 62, pompa na drugim biegu bez oporów ma (o ile dobrze pamiętam) ok. 1.5m3/h. Pompa napędza wodę w obiegu kotłowym i ładuje blisko położony bufor. Jeśli wyrabia chociaż 1m3/h, to szacuję 25kW. Raczej bez tragedii w porównaniu do nominalnej mocy. Chociaż żeby wyraźnie ograniczyć dym i osadzanie w komorze zasypowej, kocioł potrzebuje pracować powrót: 50 stopni, zasilanie ok. 75 w fazie odgazowywania. Ogólnie nie zachwyca mnie konstrukcja tego kotła, ale czy wymiennik w nim jest aż tak słaby? Ktoś coś? Może lepiej rurki z wodą pociągnąć przez czopuch i komin w takim razie? 😉 Nie znalazłem wiele przypadków takich temperatur wśród postów i internetów. DTR podaje średnią temperaturę spalin 162,7 stC - nie wiem tylko czy to średnia z miesiącami letnimi, kiedy się nie pali. Powierzchnia 'płaszcza wodnego' - 2m2, no ale tam palenisko jest otoczone z każdej strony wodą. Więc wymiennik pewnie ma ułamek tego. Jedyny domysły jakie mam na razie to jakieś wielkie ilości kamienia kotłowego po drugiej stronie wymiennika. Kocioł niestary - z 2016 roku co prawda, ale nie od początku w moich rękach. Zresztą raz też mogłem zagotować i to nie na krótko w nim wodę (nie było mnie wtedy na miejscu, ale bufor zastałem naładowany do 90 stopni). Kocioł potrafi popiskiwać i poskrzypieć przy zmianach temperatury - nie wiem, czy to tylko praca blachy czy właśnie osady po mokrej stronie. Będę wdzięczny za jakieś tropy. Link do DTR: http://www.ogniwobiecz.com.pl/wp-content/uploads/2016/08/DTR-S6WC-Classic_wer._02_2016.pdf
-
Instalacja z zaworem 3 drogowym Zawór 3D temperaturowy na powrociei i obejście
artwa odpowiedział(a) na artwa temat w Instalacje CO i CWU
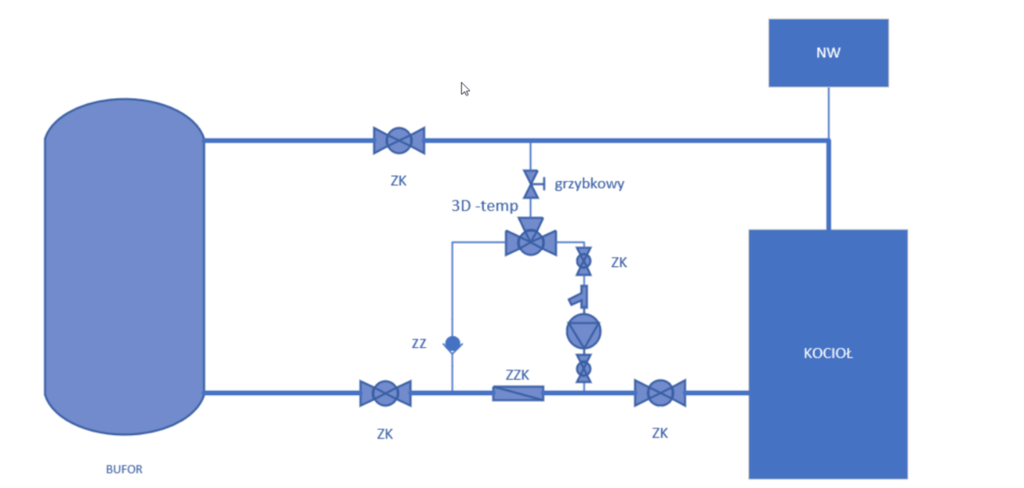
Dzień dobry. Lepiej późno niż wcale: Chciałem podzielić się wersją, którą ostatecznie zmontowałem. Może się komuś przyda taki egzotyk. Zadecydowały koszty i czas potrzebny do przeróbki tego, co już było i wysokość umieszczenia naczynia wzbiorczego (dlatego pompa nie na powrocie). Zielone koła to czujniki temperatury do sterowania 3D (właściwie to tylko dolna jest wymagana). Czerwone - to czujniki do sterowania pompą (uwzględniają temperaturę kotła i różnicę temperatur). ZZK - zawór zwrotny klapowy zawory odcinające pominąłem na rysunku Temperatura na powrocie trzyma się zadanej wartości, regulacja 3D z interwałem 30s (oczywiście jeśli jest potrzebna). Dzięki sterownikowi mogę ją sobie dowolnie zmieniać również podczas pracy. Co ciekawe - obieg grawitacyjny do bufora potrafi też ciągnąć wodę nawet jak pompa pracuje (nie zaglądałem czy zawór zwrotny nie złapał może jakiegoś paprocha). -
Instalacja z zaworem 3 drogowym Zawór 3D temperaturowy na powrociei i obejście
artwa odpowiedział(a) na artwa temat w Instalacje CO i CWU
@jurkus7 No właśnie jak działa grawitacja to pompy i mieszacze moim zdaniem nie są potrzebne. Jak nie działa, działa niewystarczająco albo źle (łącznie z tym, że użytkownik chce inaczej), to się pojawiają pompki, mieszacze itd - jak w moim przypadku. Ja określam grawitację jako "działającą" wtedy, kiedy jest w stanie odebrać i dostarczyć odpowiednią do potrzeb moc z kotła do odbiorników (tj. jest odpowiednio dobrana do mocy kotła i zapotrzebowania). Często jednak o "działającej grawitacji" mówi się, kiedy działa do pewnej mocy, w jakimś tam nieokreślonym zakresie. Chyba nie ma sensu klarować tej definicji, tylko mieć jasność, co mamy na myśli. Co zadziała pierwsze ustali moment włączenia obiegu wymuszonego. Reszty podstaw nie musimy sobie tłumaczyć, ja zaplecze mam teoretyczne, nie praktyczne. Ale odbiegamy od tematu. Pozostaje natura ucieczki ciepła z bufora przy zaworze zwrotnym tylko na powrocie - powinien zablokować przepływ przez kocioł. Jeden pomysł, który mi przychodzi do głowy to taki, że po wygaszeniu woda gorąca z bufora chłodzi się w rurze zasilającej, opada na dno tej samej rury i tak sobie zawraca dołem przekroju i tak w kółko. Przy obiegu grawitacyjnym w moim obecnym układzie (dn40) często w początkowej fazie miałem górną część rury wyraźnie ciepłą a dolną zimniutką. Tu musimy poczekać, aż jakiś praktyk poteretyzuje, bo przesymulować takiego dziwoląga z niejednorodnym przepływem to będzie ciężko. -
Instalacja z zaworem 3 drogowym Zawór 3D temperaturowy na powrociei i obejście
artwa odpowiedział(a) na artwa temat w Instalacje CO i CWU
Dziękuję kol. romano78 za odpowiedź. Skłaniam się użyć tego rozwiązania z mojego pierwszego postu (szczególnie po znalezieniu takich rozwiązań w schematach Atmosa). Co do wychładzania bufora ( @Digitrax ) : wydaje mi się, że na schemacie z pierwszego postu wychładzanie (kierunek przeciwny przepływu) jest zablokowane. Zawór z. klapowy na powrocie i zwrotny na bajpasie pompy nie pozwolą wodzie krążyć. Woda - żeby krążyć musiałaby wyjść górną nitką i w końcu przejść dołem, a tam blokują ją zawory zwrotne. Klapowy, który mam obecnie na klapie ma gumę, która - spodziewam się - nie pozwoli zauważalnej ilości wody się wydostać w przeciwnym kierunku. Właśnie wybierając klapowy zamiast różnicowego, wiedziałem, że daję większy opór, ale w zamian zawór nie przepuści w drugą stronę, bo klapka swoim ciężarem się domknie. Z kulami w różnicowych to, jak czytam, różnie bywa: typ, producent, zużycie mają znaczący wpływ na pływ ;). Szczególnie w przypadku montażu w poziomie fizyka jest średnio po naszej stronie. Ale nadstawiam uszu, jeśli są inne drogi ucieczki i czegoś tu nie widzę. @jurkus7 Pompę i całą zabawę z bajpasami chyba się daje po to, żeby to ona działała właśnie zanim ruszy grawitacja. Jak już działa (tzn. jest wystarczająco wydajna) grawitacja, to po co nam pompa i zawory mieszające na powrocie? Chyba jedyne do rozważenia są tutaj klapowy i różnicowy (plus sterowalne). Ja używam cięższego klapowego, żeby mi się "samoczynnie" i w miarę szczelnie zamknął po zgaszeniu kotła. -
Instalacja z zaworem 3 drogowym Zawór 3D temperaturowy na powrociei i obejście
artwa odpowiedział(a) na artwa temat w Instalacje CO i CWU
"ja robię identycznie" - właśnie wg opiniii wspomnianych instalatorów może zadziałać, ale nie musi, stąd szukam objaśnień albo błędu (czy bardziej ryzyka) w tym rozwiązaniu. Co do wychładzania: Obecnie mam zawór zwrotny klapowy na zasilaniu zzk 3/2" oraz na pompie zzk 1" (wyjście z kotła na bufory), żeby uniknąć wychładzania grawitacyjnego. Natomiast trudno mówić o praktyce, bo dom niezamieszkały i palę tam okresowo. Ciepło, które trafi do bufora jest zaraz połykane przez zimną podłogówkę, więc nawet jakby chciała wychładzać się przez bufory, to nie zdąży. Natomiast z tego co widziałem na termometrach, to na kotle potrafi być już zimno, a na kroćcu wejściowym do bufora ciepło. Nie pamiętam dokładnie różnic, ale 20 stopni na pewno (tj. kocioł 15stopni, bufor na kroćcu z kotła 35stopni). -
Instalacja z zaworem 3 drogowym Zawór 3D temperaturowy na powrociei i obejście
artwa opublikował(a) temat w Instalacje CO i CWU
Dzień dobry, Chciałbym się dowiedzieć czy obejście zaworu 3d jak na poniższym rysunku będzie działać: Poczytałem trochę internetów ale znalazłem jedynie coś podobnego na zdjęciach, bez opinii. Chociaż wydaje mi się to typowym rozwiązaniem "obejścia pompy" jedynie zastosowanym na powrocie. Obecnie bufor (dokładnie to 2x600l) połączony jest z kotłem 20kW obiegiem grawitacyjnym i bajpas z pompą jest zamontowany na zasilaniu. Niestety odbiór grawitacyjny mimo średnic dn40 wydaje się być za słaby (różnica środków wysokości bufor-kocioł to 0,5m). Używanie pompki i sterownika różnicowego zainstalowanych obecnie na wyjściu z kotła bez zainstalowanej ochrony powrotu to taktowanie i katowanie kotła zimną wodą: grzanie wody w kotle -> osiągnięcie temeratury progowej -> włączenie pompki i przeładowanie kotła zimną wodą -> grzanie wody w kotle.... Stąd koncepcja przedstawiona na rysunku - pozostawnienie dn40 na głównej nitce, pompa na dn25. koncepcja wydaje sie prosta i byłem pewien, że zadziała bez problemu. Osoba, która miała to instalować popytała trzech znajomych instalatorów i w najlepszym przypadku powątpiewali. Nie za bardzo zrozumiem ich obawy. Tak ich zrozumiełem: przy włączonej pompie (25-40) ZZK będzie w sposób niekontrolowany podmieszywał wodę na trójniku. Zawór 3D temperaturowy oczywiście planuję wyjściem AB w stronę pompy (czyli typowe mieszający w funkcji mieszającego :)). Sugerują zawór mieszający i pompę na głównej nitce, a ja chciałbym zachowaćodbiór grawitacyjny, z którym czuję się o wiele bezpieczniej (pomimo otwartego naczynia, rur 1" do niego i braku armatury ograniczającej przepływ po drodze). Nie chodzi mi o znalezienie kogoś, kto powie "rób, będzie działać" żeby tylko usprawiedliwić swój błąd (o ile tu jest), ale chciałbym zrozumieć problem, w który mógłbym się wpakować i wiedzieć, czemu trzeba inaczej. Przyszła mi jeszcze opcja zaworu kulowego obok ZZK na rurze DN40 w razie niewypału, ale nikłe są szanse, że to fizycznie zmieszczę. Będę wdzięczny, jeśli ktoś potrafi to objaśnić.
