Skocz do zawartości

Elber

Forumowicz
  • Postów

    74
  • Dołączył

  • Ostatnia wizyta

Ostatnie wizyty

Blok z ostatnimi odwiedzającymi dany profil jest wyłączony i nie jest wyświetlany użytkownikom.

Osiągnięcia Elber

Entuzjasta

Entuzjasta (6/14)

  • Pierwszy post
  • Współtwórca
  • Tydzień pierwszy zaliczony
  • Miesiąc później
  • Od roku na pokładzie

Najnowsze odznaki

3

Reputacja

  1. A czym się różni ustawienie "Według temperatury zewnętrznej" i "Według temperatury zewnętrznej z punktem początkowym" ?
  2. Ok, czyli potrzebuję jeszcze Junkers TB1 - ogranicznik temperatury do ogrzewania podłogowego SF3 / SF4 do zasobnika wody I jeszcze jeden taki jak czujnik do sprzęgła bądź jakiś przylgowy ? Czy są jakieś zamienniki ? Znalazłem na alledrogo zamiennik sf3 za 130 pln - warto to ? Czy lepiej oryginalne brać ?
  3. Zasobnik mam biawar quattro w-e 150.74, rozumiem że czujniki muszą być oryginalne ? Czy mógłbym Cię poprosić abyć wskazał mi numery tych czujników jakie są jeszcze potrzebne bądź podesłać linka do nich ?
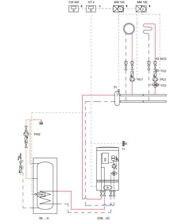
  4. Aby nie tworzyć nowego tematu pozwolę sobie zadać pytania tutaj, gdyż mam ten sam kocioł. Czy na podstawie tego projektu mogę prosić o pomoc w rozszyfrowaniu co to jest TC2 oraz TW1 ? BO T0 to czujnik temp sprzęgła, PC1 to pompa na grzejniki, VC2 to siłownik zaworu 3d, PC2 to pompa do podłogówki, MC2 to czujnik przylgowy temp zasilania podłogówki, PW2 to pompa cyrkulacyjna do zasobnika ciepłej wody, T1 to czujnik zewnętrznej temp. Oraz czy ktoś za Was kojarzy jakie dokładnie czujniki są dołączone do MM100 ? Bo na pewno jest tam czujnik temp do sprzęgła, ale nie otwierałem jeszcze tego woreczka (jutro serwisant przyjedzie okablować te rzeczy), czy jest też tam przylgowy czujnik temp MC2? Pytam ponieważ jeśli nie ma czegoś w zestawie to chciałbym to dziś dokupić żeby jutro sprawnie wszystko poszło.
×
×
  • Dodaj nową pozycję...

Powiadomienie o plikach cookie

Używając tej strony zgadzasz się na Polityka prywatności.