Skocz do zawartości

Mabram

Forumowicz
  • Postów

    30
  • Dołączył

  • Ostatnia wizyta

Treść opublikowana przez Mabram

  1. Witam. Przymierzam się do wykonania mojej kotłowni gazowej i chciałbym zakupić wymiennik multiwalentny z płaszczem wodnym (zbiornik w zbiorniku) z wężownicą do solarów o pojemności 300l, np: ACV Smart multi energy czy teraz TERMICA takie robi bardzo podobne. Producent pięknie podaje że można wiele źródeł do niego podłączyć np: kocioł gazowy w górną część zasobnika, ogrzewanie podłogowe w dolnączęść, solary pod węrzownice itd... Dodam że kotłownia gazowa ma być z kotłem kondensacyjnym a w domu 200m2 na całości podłogówka. Teraz pytanie - czy jak podepnę podłogówkę pod ten wymiennik na dole zbiornika czy logicznie zwiększy mi to zużycie gazu bo kocioł będzie musiał pracować na wyższych parametrach zeby utrzymać też CWU czy może nie wpłynie to istotnie? Dodam że chciałbym wykożystać solary do dogrzewanai i najlepiej to ciepełko chciałbym ładować prosto w podłogówkę bez zbędnych wymienników płytowych czy pięciu pomp. Wszelkie odpowiedzi mile widziane pozdrawiam. Maciej
  2. Dzieki za jakieś zainteresowanie :). Pewnie macie racje, kiedyś już liczyłem i też mi wyszło że koszty podobne - no chyba żeby druga taryfa była, ale to też bez sensu tylko dla C.w.u.
  3. Witam. Będę zakładał u siebie kocioł gazowy kondensacyjny dom 200m2 na całości podłogówka. Dodatkowo chciałem zakupić pompę ciepła typu split (jednostka z wentylatorem za zewnątrz) ze zbiornikiem do przygotowania c.w.u. Sporo jest róznych na rynku - np: Chigo http://allegro.pl/pompa-ciepla-chigo-6-0-kw-zbiornik-200l-promocj-i1531756766.html Zastanawiam się czy istniała by możliwość wpięcia takiej pompy prosto w instalację podłogową, żeby pracowała ona powiecmy do 0 stopni zamiast gazu, a poniżej temperatury kiedy przestanie być opłacalne załączenie pompy - używanie gazu. Czy instalacja powinna być podobna do takiej np: z kominkiem z płaszczem wodnym - gdzie wykorzystany jest wymiennik ciepła? Pozdrawiam
  4. Witam. Wiesz opcja z tymi siłownikami to chyba tylko jeśli by miała być jedna pompa na cała podłogówka, bo myśle jakby miały być dwie pompy (oddzielnie na piętro i parter) to chyba nie potrzeba żadnego elektrozaworu tylko zrobić to poprzez wyłączanie pompy (sterownik pokojowy chyba rozłączał pompę obiegową).
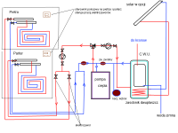
  5. wklejam mały schemacik. Chciałbym żeby ktoś się wypowiedział na temat jego poprawności. co jest żle i czego brakuje poza filtrami przy pompach. Z góry dziękuję. :angry:
  6. Widzę że się rozkręcamy trochę ;). Wszstkie pomysły mile widziane. "Tomekb" a co to za użądzenie proponujesz? żeby wyłączało pompę obiegową. Masz coś ciekawego na myśli? ;) .Tak sie zastanawiam czy taki sterownik który będę miał po jednym na kondygnacji mógłby sterować elektrozaworem i również pompą? Pozdrawiam Mabram
  7. Witam. Własnie ja też cały czas zbieram informacje, w przeciwieństwie do ciebie kolego mam rozdzielacze ale bez żadnych elektrozaworów. Sterowanie miało być proste. Kolega powyżej podsunął mi pomysł z elektrozaworami. A więc mój pomysł jest nastepujący: dałbym jedna pompa obiegowa na podłogowkę (na dwa rozdzielacze), za pompa trójnik i po jednym elektrozaworze który bedzie miał za zadanie obsługiwać cały rozdzielacz. Pod ten elektrozawór podłączyłbym jakiś sterownik z pomiarem temperatury ktory bedzie sie znajdował np: na parterze. Tak samo z drugim elektrozaworem tyle że podpięty sterownik z piętra. W ten sposób mam możliwość sterowania każdym rozdzielaczem z osobna. Zostaje jeszcze kwestia sterowania pompą obiegową i czy jedna pompa pociagnie 1400 m/b rury w odcinkach 60-80m/b? Chciałbym aby moja pompa ciepła max pracowała w drugiej taryfie.
  8. Witam. Szukam i szukam i nic konkretnego nie mogę znaleźć. Dom ok.200m/kw w calości ogrzewanie podłogowe. Na piętrze jeden rozdzielacz 12 obwodów i na parterze również rozdzielacz 12 obwodów. Pod rozdzielacze dodatkowo podłączone drabinki z łazienek. Docelowe zasilanie pompa ciepła, w salonie kominek ale nie z płaszczem wodnym - palenie rekreacyjne. Może ktoś podzieliłby się informacją jak to wszystko. Założenie moje było takie żeby sterować oddzielnie piętrem i parterem. Myślałem żeby może wstawić po jakimś regulatorze pokojowym po jednym na piętro. Chodzi o to że np: gdy na palę w kominku odcina ogrzewanie na dole. Chciałbym również aby pompa ciepła chodziła jak najwięcej w drugiej taryfie. Pozdrawiam MAbram
×
×
  • Dodaj nową pozycję...

Powiadomienie o plikach cookie

Używając tej strony zgadzasz się na Polityka prywatności.