jareckijaro
Forumowicz-
Postów
77 -
Dołączył
-
Ostatnia wizyta
Typ zawartości
Forum
Wydarzenia
Blogi
Artykuły
Treść opublikowana przez jareckijaro
-
Podłogówka - Nie Grzeje - Zapowietrzona?
jareckijaro odpowiedział(a) na marekklucz temat w Instalacje CO i CWU
Jeżeli zamknąłeś wszystkie grzejniki to woda przecież musi iść przez podłogówkę, a czy na wejściu podłogówki nie ma zamkniętego zaworu? -
Max Odległość Grzejnika Od Rozdzielacza
jareckijaro odpowiedział(a) na jareckijaro temat w Instalacje CO i CWU
Ok dziękuje za informację Czyli te moje 14 m nie stanowi problemu Dzięki pozdrawiam -
Witajcie Z racji usytuowania ścian i rozmieszczenia pomieszczeń nie można umieścić rozdzielacza dla grzejników gdzieś centralnie na kondygnacji, rozdzielacze na obydwu kondygnacjach będą jakby z boku, wiec do niektórych grzejników odległość wyniesie ok 14 m, oczywiście do innych odpowiednio mniejsza. Ale interesuje mnie czy te 14 m to nie za daleko? Rura pex 16, grzejniki płytowe zasilanie dole( jeżeli ma to znaczenie) Jaka jest max odległość grzejnika od rozdzielacza?, szukałem ale nie mogę nigdzie znaleźć takich informacji. Pozdro
-
Dzieki za zainteresowanie Odpowiadam To że rury idą przez kocioł to oczywiście przypadek, nie chciałem na schemacie naćkać jednej przy drugiej Wizja jest taka obieg kotłowy ma się unormować dzięki obiegowi CWU ( tam też ma być grawitacja w razie czego)Tak jak kolega wyżej napisał pierwszy 3D ma stabilizować tem na grzejniki, a drugi 3D do podłogówki ( niższa tem niż na grzejnikach) Podobno ( podkreślam podobno) jest szansa aby przez ten pierwszy 3D do rozdzielaczy parteru poszło grawitacyjnie,choć w jakiejś części, dlatego też rozdzielacz do parteru montowany będzie w piwnicy pod stropem. Schemacik oczywiście przerysuje aby był bardziej czytelny. Proszę o info czy wizja realna Dzięki za uwagi
-
Dzięki za odpowiedz. Na schemacie rurę bezpieczeństwa oznaczyłem jako stal 1" i tak zrobię, Bojler nie z wężownicą ale płaszczowy ( ale to chyba nie ma znaczenia) Może rzeczywiście zrobię ze stali( zasilanie i powrót bojlera) i przynajmniej do zaworu 3d za nim chyba niebezpieczeństwo jest małe?. Jeżeli mówimy o stali to jakie średnice wchodzą w grę??
-
Witajcie Czy średnice na schemacie są odpowiednie? Czy do rozdzielaczy znajdujacych się na parterze i poddaszu może iść ta sama średnica?? bez stopniowania? ( w przypadku i podłogówki i grzejników) (Rozdzielacze 1" od rozdzielaczy pex 16) Czy do bojlera 40 wystarczająca? czy może za duża, wejście i wyjście bojlera 1" Bardzo proszę o uwagi Pozdro
-
Podłogówka I Grzejniki - Jak To Ugryźć?
jareckijaro odpowiedział(a) na piotrp88 temat w Instalacje CO i CWU
Każdy z pomysłów instalatorów jest szeroko opisany na forum Najtaniej 1 pompa i rozdzielacz i zawory na powrotach podłogówki _ ale chyba się nie sprawdza (wypowiedzą się Ci co mają) Najlepiej ( chyba, nie jestem instalatorem) oddzielny rozdzielacz do podłogówki z osobną pompą i oczywiście zaworem mieszającym. -
Nie bardzo rozumiem co byś wybrał? Co to " powtarzalny mechanizm zaciskowy"?
-
Pobiegałem po punktach I de fakto oprócz wavina jest dostępny boryszew. ( są jeszcze jakiś turki i chiny ale tego nawet nie słuchałem) Czy ktoś może coś powiedzieć na temat rur pp boryszew?
-
A jaką robisz instalację,? z jakim piecem?? Rozdzielacze?? czy ciągniesz piony??
-
U mnie niestety nie mam punktu Rzeczywiście kolanka mają drogie ( względem innych) Ile Ci wyszło za sam system pp ( rury, kształtki , złączki)? U mnie dostępny jest bor i pewnie na nim się skupie ( porównam jeszcze ceny) Napisałeś też że nie porównywalna jakość do sigma-li proszę rozwiń to ( czym się objawia gorsza jakość??)
-
A jak ten AQUATHERM wygląda cenowo?? Bo w mojej okolicy nie widziałem. Brany z jakiegoś punktu czy przez internet?? Robią też z włóknem szklanym, które instalujesz i dlaczego?
-
Siemka Czy naprawdę tylko ten wavin (bor) ma dobrą opinię u wszystkich?? Nie ma innego dobrego producenta w przystępnej cenie?? nie wiem np kalde plastbor sigma li Który producent jest jeszcze solidny??
-
Schemat Co - Kilka Pytań Przed Instalacją.
jareckijaro odpowiedział(a) na jareckijaro temat w Instalacje CO i CWU
Z pompą dla cwu się liczę, a o co chodzi, jak to ma wyglądać z tym układem od temperatury powrotu. Coś może na temat pozostałych pytań. -
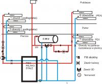
Było kilku instalatorów, powiem szczerze że nie którzy się poddali na początku, ale nie będę sobie tym głowy zawracał. Ale wyciągnąłem kilka wniosków i mam pytania Proszę o odpowiedz 1) czy przy moim schemacie jest prawidłowy obieg kotłowy? przecież będzie on przez cwu, czy tem powrotu będzie ok może tak być?? ( bojler w piwnicy pod sufitem obok pieca) 2) zaproponowano mi rury z włóknem szklanym, poczytałem i wywnioskowałem iz pewnie dla tego że są łatwiejsze w zgrzewaniu ( nie trzeba "temperować") co lepsze rury z wkładką alu, czy z włóknem szklanym?? dlaczego 3) czy mógłby ktoś zerknąć na mój schemat i podać jakie powinny być przekroje rur, 4) czy pójdzie grawitacja przez zawór trójdrożny? Z góry wielkie dzięki. pozdro https://forum.info-ogrzewanie.pl/index.php?...ost&id=5354
-
Budowa Kompletnego Rozdzielacza Do Co
jareckijaro odpowiedział(a) na wchruszcz temat w Instalacje CO i CWU
Nie jestem fachowcem ani znawcą czy instalatorem, przeglądam to forum. Nie lepiej dać zawór 3d przed rozdzielaczami a za CWU? nie dopuścił by w przypadku zagotowania do uszkodzenia obwodów pex ( wymiana to demolka domu) temperatura powrotu ustabilizuje się dzięki krótkiemu obiegowi CWU (rozumiem że nie daleko pieca) to tylko moje laickie pomysły ale niech się wypowiedzą znawcy. -
Witam Bardzo proszę o odpowiedz na powyższe pytania. Wykonanie instalacji zbliża się nie uchronnie, chciałbym rozwiać swoje wątpliwości Pozdro
-
Rozdzielacze do podłogówki opisane, pozostałe do grzejników. Było kilku instalatorów, powiem szczerze że nie którzy się poddali na początku, ale nie będę sobie tym głowy zawracał. Ale wyciągnąłem kilka wniosków i mam pytania Proszę o odpowiedz 1) czy przy moim schemacie jest prawidłowy obieg kotłowy? przecież będzie on przez cwu, czy tem powrotu będzie ok może tak być?? 2) zaproponowano mi rury z włóknem szklanym, poczytałem i wywnioskowałem iz pewnie dla tego że są łatwiejsze w zgrzewaniu ( nie trzeba "temperować") co lepsze rury z wkładką alu, czy z włóknem szklanym?? dlaczego 3) czy mógłby ktoś zerknąć na mój schemat i podać jakie powinny być przekroje rur, Z góry wielkie dzięki. pozdro https://forum.info-ogrzewanie.pl/index.php?...ost&id=5354
-
Znalazłem ofertę na stalówki gdzie gwarancja na grzejniki jest dłuższa w przypadku wpięcia ich w układ otwarty, w układzie zamkniętym mają krótszą gwarancję. Poszukam tego to z ciekawości zadzwonie czym to się ma, i jak to jest z tą gwarancją.
-
mp80 wielkie dzięki Oczywiście odpowietrzniki będą, nie rysuje bo to oczywiste CWU nie ma zaworu zwrotnego, zwykłe kulowe, w razie konieczności wymiany zbiornika. Czekam na ewentualne inne opinie, może ktoś ma uwagi co do schematu. Dzięki Pozdro
-
Siemka wyżej poprawiłem schemacik, proszę o uwagi do poprawionego schematu. dzięki pozdro
-
CWU będzie w kotłowni pod sufitem, wysokość 2,5m Oczywiście z termometrami racja dorysowałem do schematu. Ale nadal nie wiem co z tem powrotu?? Schemacik poprawiłem proszę o dalsze uwagi o zaworach schładzających zaraz się doszkolę. Dzięki pozdro
-
Bardzo dziękuje za odpowiedz. A co z temperaturą powrotu?? jak dam 3D na zasilaniu to nie jestem wstanie jej kontrolować? Potem poprawię schemat, zobaczymy jak to będzie wyglądało.ale jak dam pompę na zasilanie to chyba trzeba zawory zwrotne na cwu bo może się cofać.(tak mi się wydaję)
-
Układ nr 1 to tylko moje rozmyślenia z zaworem termostatycznym który by chronił układ pred zawysoką temperaturą ( w razie czego wygotuje się przez naczynko).Proszę o opinię czy takie rozwiązanie jest realne. Układ nr 2 Zgodnie z waszymi radami 3D na zasilaniu, ale czy może zostać pompa na powrocie?? czy musi być na zasilaniu za zaworem 3D? jak dam pompę na zasilaniu to trzeba chyba również dać zawory zwrotne do cwu. Bardzo proszę o opinię.
-
A czy nie można by tego rozwiązać stosując przed rozdzielaczami zaworu termostatycznego który by zamykał przy np+75stC??,a podłogówkę dać za ten zawór, tak aby wszystkie pex były chronione w razie czego. Przeniesienie zaworu 3D na zasilanie chyba spowoduje niemożliwość utrzymania "poprawnej" tem. powrotu, jeżeli się mylę proszę o poprawienie, Wieczorem poprawię projekt, Dzięki
